(EU) č. 44/2014Nařízení Komise v přenesené pravomoci (EU) č. 44/2014 ze dne 21. listopadu 2013 , kterým se doplňuje nařízení Evropského parlamentu a Rady (EU) č. 168/2013, pokud jde o konstrukci vozidel a obecné požadavky pro schvalování dvoukolových nebo tříkolových vozidel a čtyřkolek Text s významem pro EHP

Publikováno: Úř. věst. L 25, 28.1.2014, s. 1-102 Druh předpisu: Nařízení v přenesené pravomoci
Přijato: 21. listopadu 2013 Autor předpisu: Evropská komise
Platnost od: 17. února 2014 Nabývá účinnosti: 1. ledna 2016
Platnost předpisu: Ano Pozbývá platnosti:
Původní znění předpisu

Text předpisu s celou hlavičkou je dostupný pouze pro registrované uživatele.



NAŘÍZENÍ KOMISE V PŘENESENÉ PRAVOMOCI (EU) č. 44/2014

ze dne 21. listopadu 2013,

kterým se doplňuje nařízení Evropského parlamentu a Rady (EU) č. 168/2013, pokud jde o konstrukci vozidel a obecné požadavky pro schvalování dvoukolových nebo tříkolových vozidel a čtyřkolek

(Text s významem pro EHP)

EVROPSKÁ KOMISE,

s ohledem na Smlouvu o fungování Evropské unie,

s ohledem na nařízení Evropského parlamentu a Rady (EU) č. 168/2013 ze dne 15. ledna 2013 o schvalování dvoukolových nebo tříkolových vozidel a čtyřkolek a dozoru nad trhem s těmito vozidly (1), a zejména na čl. 18 odst. 3, čl. 20 odst. 2, čl. 21 odst. 5, čl. 25 odst. 8, čl. 33 odst. 6, čl. 57 odst. 12 a článek 65 uvedeného nařízení,

vzhledem k těmto důvodům:

(1)

Vnitřní trh zahrnuje prostor bez vnitřních hranic, v němž je zajištěn volný pohyb zboží, osob, služeb a kapitálu. Za tímto účelem platí komplexní systém EU schvalování typu a posílený systém dohledu nad trhem pro vozidla kategorie L a jejich systémy, konstrukční části a samostatné technické celky, definovaný v nařízení (EU) č. 168/2013.

(2)

Pojem „vozidla kategorie L“ zahrnuje širokou řadu typů lehkých vozidel se dvěma, třemi nebo čtyřmi koly, např. motokola, dvoukolové a tříkolové mopedy, dvoukolové a tříkolové motocykly, motocykly s postranním vozíkem a čtyřkolová vozidla (čtyřkolky), jako například silniční čtyřkolky, terénní vozidla a quadrimobily.

(3)

Rozhodnutím Rady 97/836/ES (2) přistoupila Unie k Dohodě Evropské hospodářské komise Organizace spojených národů o přijetí jednotných technických pravidel pro kolová vozidla, zařízení a části, které se mohou montovat nebo užívat na kolových vozidlech, a o podmínkách pro vzájemné uznávání schválení typu udělených na základě těchto pravidel (dále jen „revidovaná dohoda z roku 1958“).

(4)

Výrobci žádají o schválení typu pro vozidla kategorie L, jejich systémy, konstrukční části nebo samostatné technické celky v souladu s nařízením (EU) č. 168/2013. V právních předpisech Unie je většina požadavků na části vozidla převzata z příslušných předpisů EHK OSN. Předpisy EHK OSN se neustále mění v souladu s technickým pokrokem a příslušná nařízení Unie je nutno odpovídajícím způsobem pravidelně aktualizovat. Aby se zabránilo tomuto zdvojování, doporučila pracovní skupina na vysoké úrovni CARS 21 nahrazení několika směrnic Unie začleněním příslušných předpisů EHK OSN uvedených v příloze I do právních předpisů Unie a jejich povinným používáním.

(5)

Možnost použití předpisů EHK OSN na základě právních předpisů Unie, které stanoví začlenění těchto předpisů EHK OSN týkajících se EU schvalování typu vozidel, je uvedena v nařízení (EU) č. 168/2013. Podle uvedeného nařízení je schválení typu v souladu s povinně užitými předpisy EHK OSN považováno za EU schválení typu v souladu s uvedeným nařízením a jeho akty v přenesené pravomoci a prováděcími akty.

(6)

Předpis EHK OSN č. 10 o elektromagnetické kompatibilitě by měl být povinný a měl by nahradit kapitolu 8 směrnice Evropského parlamentu a Rady 97/24/ES ze dne 17. června 1997 o některých konstrukčních částech a vlastnostech dvoukolových a tříkolových motorových vozidel (3), a to proto, aby vozidla splňovala pouze jeden soubor požadavků na elektromagnetickou kompatibilitu, které jsou celosvětově uznávány smluvními stranami dohody z roku 1958. Předpis EHK OSN č. 62 o ochraně proti neoprávněnému použití by měl být povinný a měl by nahradit směrnici Rady 93/33/EHS ze dne 14. června 1993 o ochranných zařízeních bránících neoprávněnému použití dvoukolových a tříkolových motorových vozidel (4), a to se stejným cílem vzájemného uznávání mezi smluvními stranami dohody z roku 1958.

(7)

Povinné používání předpisů EHK OSN umožní zamezit zdvojení, nejen pokud jde o technické požadavky, ale rovněž pokud jde o certifikaci a správní postupy. Schválení typu přímo založené na mezinárodně dohodnutých normách by navíc mohlo zlepšit přístup na trh ve třetích zemích, zejména v těch, které jsou smluvními stranami revidované dohody z roku 1958, čímž by se posílila konkurenceschopnost výrobního odvětví Unie.

(8)

V souladu s ustanoveními nařízení (EU) č. 168/2013 nesmí být vozidla, systémy, konstrukční části a samostatné technické celky kategorie L, na které se uvedené nařízení vztahuje, uváděna nebo dodávána na trh nebo uváděna do provozu v členských státech, pokud nesplňují ustanovení uvedeného nařízení.

(9)

Požadavky na funkční bezpečnost nebo na vliv na životní prostředí vyžadují omezení neoprávněných úprav některých typů vozidel kategorie L. Pokud tato omezení nemají být na překážku opravám a údržbě ze strany majitele, měla by se týkat výlučně neoprávněných úprav, jimiž se výrazně mění výkonnost vozidla a škodlivě mění emise znečišťujících látek, emise hluku a funkční bezpečnost vozidla. Poněvadž ke škodlivým neoprávněným úpravám dochází u obou těchto položek, měl by tento akt v přenesené pravomoci o konstrukci vozidel stanovit podrobné požadavky týkající se hnacího ústrojí a požadavky na zamezení neoprávněným úpravám protihlukové ochrany.

(10)

Vozidla podkategorie L6e-A (lehké silniční čtyřkolky), L7e-A (těžké silniční čtyřkolky) a L7e-B (těžké terénní čtyřkolky) mají vůči své šířce a rozvoru vysoko postavené těžiště. Existují v řadě konfigurací pro přepravu osob i nákladu a mohou být provozována v podmínkách mimo silnici. Je třeba stanovit soubor kritérií pro statickou boční stabilitu a začlenit je do přílohy XI o hmotnostech a rozměrech z důvodu důležitosti stability vozidla proti převrácení v prostředí mimo silnici. Ukazateli statické stability jsou jak úhel naklápěcí plošiny, tak součinitel boční stability. Součinitel boční stability je výsledek trojrozměrného statického měření, který slouží jako ukazatel stability vozidla na vodorovném povrchu, zatímco zkouška úhlu naklápěcí plošiny simuluje vozidlo jedoucí po svahu a testuje jeho statickou podélnou stabilitu. Pro tyto statické zkoušky se použijí provozuschopná, ale jinak nezatížená vozidla podkategorie L6e-A, L7e-A a L7e-B v zatíženém a nezatíženém stavu. Vozidlo by kromě toho mělo být zkonstruováno navržením hmotností a rozměrů vozidla tak, aby respektovaly minimální stabilitu při předklánění a zaklánění. Související zkoušky by měly být reprezentativní pro plně zatížené vozidlo přímo stoupající nebo klesající po strmém svahu.

(11)

Palubní diagnostický systém („systém OBD“) je důležitou součástí účelné a účinné opravy a údržby vozidel. Přesná diagnostika umožní opraváři rychle stanovit, který, byť nejmenší, vyměnitelný celek má být opraven nebo vyměněn. Za účelem zohlednění rychlého technického vývoje v oblasti systémů ovládání pohonu je vhodné v roce 2017 revidovat seznam zařízení sledovaných pro chybnou funkci elektrických obvodů. Do 1. ledna 2018 by mělo být stanoveno, zda by seznam uvedený v dodatku 2 přílohy XII měl být doplněn o další zařízení a chybné funkce, aby byla členským státům, výrobcům vozidel, jejich dodavatelům a opravárenskému odvětví poskytnuta dostatečná doba k přizpůsobení před vstupem systému OBD stupně II v platnost.

(12)

Systém OBD stupně I, povinný od roku 2016, by neměl výrobce zavazovat ke změně tankovacího zařízení a neměl by nařizovat montáž elektronického karburátoru nebo elektronického vstřiku paliva za předpokladu, že vozidlo vyhovuje požadavkům stanoveným v nařízení (EU) č. 168/2013 a v souvisejících aktech v přenesené pravomoci. Shoda s požadavky na systém OBD stupně I vyžaduje, aby v případě, kdy je přívod paliva, zážeh nebo nasávaný vzduch řízen elektronicky, byly sledovány příslušné vstupní a/nebo výstupní obvody vyjmenované v dodatku 2 přílohy XII. Pokud by byl například motocykl vybaven mechanicky ovládaným karburátorem a zároveň elektronicky řízeným zážehem, musí být sledovány primární obvody zapalovacích cívek. V případě karburátoru vybaveného snímačem polohy škrtící klapky, jehož obvodový signál slouží jako vstupní signál pro PCU/ECU za účelem stanovení zatížení motoru, jež by pak bylo použito k elektronickému řízení zážehu, je nutné sledovat obvod tohoto snímače polohy škrtící klapky. Sledovat je zapotřebí také obvody ostatních snímačů a/nebo aktuátorů, o kterých pojednávají body 3.3.5 a 3.3.6 přílohy XII, ačkoli ty se přímo neúčastní řízení přívodu paliva, zážehu nebo nasávaného vzduchu. Příkladem takového případu by byly obvody snímače otáček kola v situaci, kdy by rychlost vozidla byla vypočtena v PCU/ECU na základě rychlosti otáček kola, která by pak byla použita k řízení vlivu motocyklu na životní prostředí nebo by byla použita ke spuštění režimu při poruše, který omezí točivý moment.

(13)

V zájmu zlepšení fungování vnitřního trhu, zejména v oblasti volného pohybu zboží, svobody usazování a volného pohybu služeb je potřebný neomezený přístup k informacím o opravách vozidla prostřednictvím normalizovaného formátu zobrazování technických informací a účinná hospodářská soutěž v oblasti služeb poskytování informací o opravách a údržbě vozidla. Velká část těchto informací se týká palubních diagnostických (OBD) systémů a jejich interakce s jinými systémy vozidla. Je vhodné stanovit technické specifikace, kterými by se měly řídit internetové stránky výrobců, a cílená opatření k zajištění přiměřeného přístupu malých a středních podniků. Výměnu informací mezi výrobci a poskytovateli služeb mohou usnadnit společné normy dohodnuté za účasti zainteresovaných stran. Proto je vhodné, aby výrobci používali technické specifikace ve formátu OASIS, a aby Komise včas požádala Evropský výbor pro normalizaci („CEN“) a Mezinárodní organizaci pro normalizaci („ISO“), aby byl tento formát normalizován s tím, že nahradí formát OASIS.

(14)

Za účelem pokračující harmonizace přístupu k informacím o opravách a údržbě vozidla ve všech právních předpisech týkajících se schválení typu podle kapitoly XV nařízení (EU) č. 168/2013, jejíž ustanovení vycházejí z nařízení Evropského parlamentu a Rady (ES) č. 595/2009 (5) a (ES) č. 715/2007 (6), je vhodné přenést do tohoto nařízení ustanovení o přístupu k informacím o opravách a údržbě stanovená v prováděcím nařízení k nařízením (ES) č. 595/2009 a (ES) č. 715/2007, a to v nařízení Komise (EU) č. 582/2011 (7), a upravit je tak, aby vyhovovaly specifikům odvětví vozidel kategorie L.

(15)

Zejména je vhodné přijmout konkrétní postupy pro přístup k informacím o opravách a údržbě vozidla v případě vícestupňového schválení typu. Rovněž je vhodné přijmout konkrétní požadavky a postupy pro přístup k informacím o opravách a údržbě vozidla v případě úprav na žádost zákazníka a výroby v malém objemu.

(16)

Aby použití ustanovení o přístupu k informacím o opravách a údržbě vozidla nepředstavovalo v krátkodobém horizontu pro výrobce vozidel nadměrnou zátěž s ohledem na některé systémy, jež se přenášejí ze starých typů vozidel do nových, je vhodné zavést vyčerpávající seznam některých omezených odchylek od obecných ustanovení o přístupu k systému OBD vozidla a k informacím o opravách a údržbě vozidla, jak je vyčerpávajícím způsobem uvedeno v tomto nařízení.

(17)

Při zkoumání nejdůležitějších oblastí politiky, které mají dopad na konkurenceschopnost evropského automobilového průmyslu, se skupina na vysoké úrovni CARS 21 shodla na řadě doporučení, která mají za cíl posílit konkurenceschopnost tohoto odvětví v celosvětovém měřítku a podpořit zaměstnanost a zároveň umožnit další pokrok v oblasti bezpečnosti a vlivu na životní prostředí a která Komise v roce 2006 zveřejnila ve zprávě nazvané „CARS 21: Regulační rámec pro konkurenceschopné automobilové odvětví ve 21. století“ („CARS 21: A Competitive Automotive Regulatory System for the 21st century“). Pokud jde o zjednodušení, skupina mimo jiné navrhla dvě legislativní opatření, která zavádějí možnost provádění schvalovacích zkoušek samotnými výrobci, tj. že se stanou technickou zkušebnou („vlastní zkoušení“), a možnost použít namísto praktických zkoušek počítačové simulace („zkoušení se simulací“). Toto nařízení by tudíž mělo stanovit podrobné podmínky pro zkoušení se simulací a pro vlastní zkoušení, jež jsou stanovena v článcích 32, 64 a 65 nařízení (EU) č. 168/2013.

(18)

Postupy využívající podpory počítače, zejména počítačem podporované projektování (Computer Aided Design), nacházejí široké uplatnění v rámci celého strojírenského procesu – od koncepčního návrhu a nákresu konstrukčních částí a zařízení, přes výpočet pevnosti a dynamickou analýzu montážních sestav až po definici výrobních metod. Dostupný software umožňuje využití zkušebních metod se simulací, které jsou na těchto postupech založeny a jejichž zavedení označila skupina na vysoké úrovni CARS 21 za způsob, jak mohou výrobci snížit náklady tím, že jim odpadne povinnost vyrábět prototypy pro účely schválení typu. Výrobcům, kteří nechtějí využít výhod zkušebních metod se simulací, by mělo být i nadále dovoleno používat stávající praktické zkušební metody.

(19)

Schvalovací zkoušky typu provádějí technické zkušebny, o kterých schvalovací orgány členských států řádně informují Komisi poté, co byly podle příslušných mezinárodních norem posouzeny jejich kvalifikace a způsobilosti. Uvedené normy obsahují nezbytné požadavky pro to, aby výrobce nebo subdodavatel jednající jeho jménem mohl být schvalovacím orgánem určen jako technická zkušebna ve smyslu ustanovení směrnice Evropského parlamentu a Rady 2002/24/ES (8) (rámcová směrnice). Aby však nedocházelo ke střetům zájmů, měly by být přesně stanoveny odpovědnosti výrobců. Kromě toho je třeba vyjasnit podmínky, za kterých může výrobce zkoušky zadat subdodavateli.

(20)

Jeden z hlavních charakteristických rysů systému EU schvalování typu spočívá v tom, že mezi schvalovacím orgánem a technickými zkušebnami jím určenými je nezbytná vysoká míra důvěry. Je proto důležité, aby byla zajištěna transparentnost a srozumitelnost dokumentů, které si technické zkušebny a schvalovací orgán vyměňují.

(21)

Zkušební metoda se simulací by měla poskytovat stejně spolehlivé výsledky jako praktická zkouška. Proto je vhodné stanovit podmínky pro to, aby výrobce jednající jako vnitropodniková technická zkušebna, subdodavatel jednající jménem výrobce nebo technická zkušebna mohl řádně ověřit použitý matematický model.

(22)

Významnou částí postupu EU schvalování typu je kontrola shodnosti vozidel, konstrukčních částí nebo samostatných technických celků v průběhu celého výrobního procesu. Tyto kontroly shodnosti se provádějí praktickými zkouškami na vozidlech, konstrukčních částech nebo samostatných technických celcích odebraných z výrobní linky. Pro účely zkoušení shodnosti výroby by neměly být povoleny zkušební metody se simulací, přestože pro účely schválení typu použity byly.

(23)

Toto nařízení by se mělo použít od data použitelnosti nařízení (EU) č. 168/2013,

PŘIJALA TOTO NAŘÍZENÍ:

KAPITOLA I

PŘEDMĚT A DEFINICE

Článek 1

Předmět

1.   Tímto nařízením se zavádějí podrobné technické požadavky a zkušební postupy, pokud jde o konstrukci vozidla, a obecné požadavky na schválení vozidel kategorie L a systémů, konstrukčních částí a samostatných technických celků určených pro tato vozidla v souladu s nařízením (EU) č. 168/2013 a stanoví seznam předpisů EHK OSN a jejich změn.

2.   Dále se tímto nařízením zavádějí výkonnostní normy pro technické zkušebny a postup jejich posuzování.

Článek 2

Definice

Použijí se definice uvedené v nařízení (EU) č. 168/2013. Kromě nich se použijí tyto definice:

1)

„opatřeními proti neoprávněným úpravám“ se rozumí soubor technických požadavků a specifikací, jejichž cílem je v co největší míře zabránit neoprávněným úpravám hnacího ústrojí vozidla, které mohou nepříznivě ovlivnit funkční bezpečnost, zejména zvýšením výkonu vozidla, a poškodit životní prostředí a které nejsou dovoleny v příloze II;

2)

„přívodem sání“ se rozumí kombinace sacího hrdla a sací trubice;

3)

„sacím hrdlem“ se rozumí místo průchodu nasávaného vzduchu, které je v tělese válce, hlavy válce nebo klikové skříně;

4)

„sací trubicí“ se rozumí konstrukční část spojující karburátor nebo systém řízení průtoku vzduchu a válec, hlavu válce nebo klikovou skříň;

5)

„systémem sání“ se rozumí kombinace přívodu sání a tlumiče sání;

6)

„výfukovým systémem“ se rozumí kombinace výfukové trubky, expanzní komory, tlumiče výfuku a zařízení k regulaci znečišťujících látek;

7)

„zvláštním nářadím“ se rozumí nářadí ve spojitosti se zařízeními proti neoprávněným úpravám, které je dáno k dispozici pouze distributorům schváleným výrobcem vozidla a které není k dispozici široké veřejnosti;

8)

„zážehem zapalovacího systému“ se rozumí všechny vlastnosti jiskry vzniklé v zapalovacím systému zážehového motoru, kterou dojde k zapálení směsi vzduchu a paliva, jako je čas, úroveň a poloha;

9)

„systémem přívodu paliva“ se rozumí soubor konstrukčních částí mezi zařízením pro uložení paliva a zařízením (zařízeními) pro mísení paliva se vzduchem nebo vstřikování a včetně nich;

10)

„shodností výroby“ se rozumí schopnost zajistit, aby se každá série vyrobených výrobků shodovala s požadavky týkajícími se specifikací, výkonnosti a označení uvedenými ve schválení typu;

11)

„systémem řízení jakosti“ se rozumí soubor vzájemně propojených a vzájemně se ovlivňujících prvků, které organizace používají k řízení a kontrole toho, jak jsou uskutečňovány politiky jakosti a dosahovány cíle jakosti;

12)

„auditem“ se rozumí postup sběru důkazů, kterým se hodnotí, nakolik jsou plněna kritéria auditu a který je objektivní, nestranný a nezávislý a který je veden systematickým a dokumentovaným auditním postupem;

13)

„nápravnými kroky“ se rozumí postup řešení problému v postupu řízení jakosti s návaznými kroky, kterými dojde k odstranění příčin neshody nebo nežádoucí situace a které mají zabránit jejich opakování;

14)

„certifikací“ se rozumí osvědčení vnitrostátním akreditačním orgánem toho, že organizace splňuje požadavky pro provádění konkrétních činností posuzování shody, které stanoví harmonizované normy, a v příslušných případech také veškeré další požadavky, včetně těch, které jsou stanoveny v příslušných odvětvových předpisech;

15)

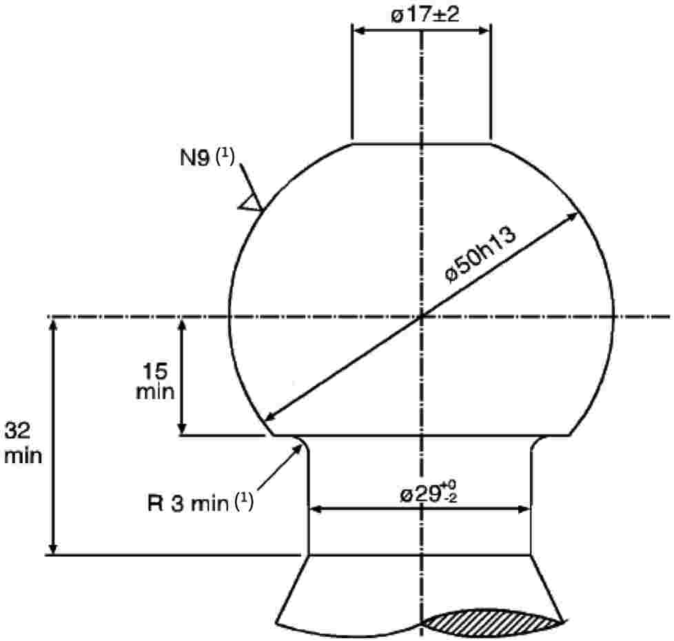
„spojovacím zařízením pro vozidlo kategorie L“ se rozumějí všechny součásti a zařízení namontované na rámech, na nosných částech karosérie a na podvozku vozidel, jimiž jsou spojena tažná a tažená vozidla, včetně trvale namontovaných nebo odnímatelných částí k připevnění, seřízení nebo provozu spojovacích zařízení;

16)

„kulovou hlavicí a tažným zařízením“ se rozumí spojovací zařízení s koulí a držákem namontované k vozidlu kategorie L a určené ke spojení přívěsu pomocí spojkové hlavice;

17)

„spojkovou hlavicí“ se rozumí mechanické spojovací zařízení na tažné oji přívěsů určené ke spojení s kulovou hlavicí na vozidle kategorie L;

18)

„bodem spojení“ se rozumí střed záběru spojovacího zařízení připevněného k taženému vozidlu ve spojovacím zařízení připevněném k tažnému vozidlu;

19)

„sekundárním spojením“ se rozumí spojovací zařízení, které je v případě rozpojení hlavního spojení schopno zajistit, aby přívěs zůstal připojen k tažnému vozidlu a aby zůstalo zachováno jisté zbytkové řízení přívěsu;

20)

„hranou desky“ se rozumí okraj desky, která by měla celkem čtyři jasně identifikovatelné hrany, kdyby její tvar byl plochý a obdélníkový a celková tloušťka materiálu by nepřesahovala 10 mm;

21)

„dříkem“ se rozumí jakýkoli výčnělek nebo část, která se zdá být kulatého nebo fakticky kulatého tvaru, včetně hlav čepů a šroubů, která má relativně konstantní celkový průměr a která má volný konec, který lze chytit;

22)

„velikostí ok“ se rozumí počet otvorů na jeden (lineální) palec síta;

23)

„nákladní plošinou“ se rozumí plošina připevněná ke konstrukci vozidla kategorie L určená k přepravě nákladu;

24)

„standardním vybavením“ se rozumí základní konfigurace vozidla vybaveného všemi prvky požadovanými regulačními akty uvedenými v příloze II nařízení (EU) č. 168/2013, včetně veškerých prvků namontovaných bez nutnosti jakékoli další specifikace na konfiguraci nebo úroveň vybavení;

25)

„volitelným vybavením“ se rozumí prvky, jež nejsou součástí standardního vybavení a za jejichž montáž na vozidlo odpovídá výrobce;

26)

„hmotností volitelného vybavení“ se rozumí hmotnost vybavení, jímž může být podle specifikací výrobce vozidlo vybaveno nad rámec standardního vybavení;

27)

„hmotností spojení“ se rozumí hmotnost spojovacího zařízení a všech částí nutných k připojení spojovacího zařízení k vozidlu;

28)

„maximální technicky přípustnou hmotností v bodě spojení“ se rozumí hmotnost odpovídající maximálnímu přípustnému statickému svislému zatížení v bodě spojení (hodnota „S“ nebo „U“) tažného vozidla danému konstrukčními vlastnostmi spojovacího zařízení a tažného vozidla;

29)

„skutečnou hmotností“ ve vztahu k vozidlu se rozumí hmotnost v provozním stavu podle článku 5 nařízení (EU) č. 168/2013, k níž je přičtena hmotnost řidiče (75 kg), hmotnost zásobníku alternativních pohonných hmot, existuje-li, a hmotnost volitelného vybavení, které je instalováno na vozidle;

30)

„maximální technicky přípustnou hmotností naloženého vozidla“ (M) se rozumí maximální hmotnost stanovená pro vozidlo na základě jeho konstrukčních vlastností a konstrukční výkonnosti;

31)

„maximální technicky přípustnou přípojnou hmotností“ (TM) se rozumí maximální hmotnost, kterou může vléci tažné vozidlo;

32)

„nápravou“ se rozumí společná osa rotace dvou či více kol, hnací či volně se otáčející, složená z jedné či více částí umístěných ve stejné rovině kolmé k podélné střednici vozidla;

33)

„maximální technicky přípustnou hmotností na nápravu“ se rozumí hmotnost, která odpovídá maximálnímu přípustnému statickému svislému zatížení přenášenému koly nápravy na zem danému konstrukčními vlastnostmi nápravy a vozidla a jejich konstrukční výkonností;

34)

„užitečnou hmotností“ se rozumí rozdíl mezi maximální technicky přípustnou hmotností naloženého vozidla a skutečnou hmotností vozidla;

35)

„podélnou rovinou“ se rozumí svislá rovina souběžná s jízdou vozidla v přímém směru;

36)

„systémem pro regulaci emisí“ se rozumí elektronická řídicí jednotka motoru a všechny konstrukční součásti související s emisemi z výfukového systému nebo systému vypařování, které dodávají vstupní signály nebo přijímají signály z řídicí jednotky;

37)

„indikátorem chybné funkce“ („MI“) se rozumí optický nebo akustický indikátor, který zřetelně informuje řidiče vozidla v případě chybné funkce, jak je uvedeno v článku 21 nařízení (EU) č. 168/2013;

38)

„chybnou funkcí“ se rozumí porucha konstrukční části nebo systému, jejímž následkem by došlo k překročení hraničních hodnot emisí pro palubní diagnostické systémy stanovených v příloze VI části B nařízení (EU) č. 168/2013 nebo ke spuštění jakéhokoli provozního režimu, který významně snižuje točivý moment motoru, nebo k neschopnosti palubního diagnostického systému plnit základní požadavky na sledování stanovené v příloze XII;

39)

„sekundárním vzduchem“ se rozumí vzduch přiváděný do výfukového systému čerpadlem, sacím ventilem nebo jiným způsobem, aby se napomohlo oxidaci HC a CO obsažených v toku výfukových plynů;

40)

„selháním zapalování motoru“ se rozumí případ, kdy nedojde ke spalování ve válci zážehového motoru, protože nevznikne jiskra, z důvodu špatného dávkování paliva, nedostatečné komprese nebo z jakékoliv jiné příčiny;

41)

„zkouškou typu I“ se rozumí příslušný jízdní cyklus používaný ke schvalování emisí;

42)

„jízdním cyklem“ se rozumí zkušební cyklus, který se skládá ze spuštění motoru, jízdního režimu, při kterém by byla zjištěna chybná funkce, kdyby byla přítomna, a z vypnutí motoru;

43)

„zahřívacím cyklem“ se rozumí provoz vozidla, během nějž dojde k nárůstu teploty chladicí kapaliny nejméně o 22 K v porovnání s teplotou při startu motoru a k dosažení teploty nejméně 343,2 K (70 °C);

44)

„adaptací seřízení motoru“ se rozumí automatická zpětnovazební regulace palivové mapy motoru;

45)

„krátkodobou adaptací seřízení motoru“ se rozumí dynamická nebo okamžitá regulace palivové mapy motoru;

46)

„dlouhodobou adaptací seřízení motoru“ se rozumí mnohem postupnější regulace systému dodávky paliva, vyrovnávající rozdíly mezi jednotlivými vozidly a postupné změny, ke kterým dochází během delšího časového období;

47)

„výpočtovou hodnotou zatížení motoru“ se rozumí poměr skutečného proudu vzduchu k maximálnímu množství vzduchu přepočtenému na nadmořskou výšku, pokud je tento údaj k dispozici. Tato definice udává bezrozměrné číslo, které není specifické pro určitý motor a které servisním technikům dává informaci o skutečném zatížení motoru vyjádřeném v procentech (plně otevřená škrtící klapka = 100 %);

48)

„permanentním nastavením režimu při poruše v oblasti emisí“ se rozumí případ, kdy by vadná konstrukční část nebo systém způsobily překročení hraničních hodnot emisí podle části B přílohy VI nařízení (EU) č. 168/2013 a kdy řízení motoru proto neustále přepíná na takové nastavení, v jakém nejsou od vadné konstrukční části nebo vadného systému vyžadovány žádné údaje;

49)

„jednotkou odběru výkonu“ se rozumí motorem poháněné zařízení k pohonu pomocných zařízení na vozidle;

50)

„přístupem k OBD“ se rozumí dostupnost všech důležitých informací z palubního diagnostického systému týkajících se emisí a bezpečnosti, včetně všech chybových kódů nezbytných ke kontrole, diagnostice, údržbě nebo opravě částí vozidla souvisejících s vlivem na životní prostředí nebo s funkční bezpečností, prostřednictvím sériového rozhraní normalizovaného diagnostického konektoru podle bodu 3.12 dodatku 1 přílohy XII;

51)

„neomezeným přístupem k systému OBD“ se rozumí:

a)

přístup nezávislý na přístupovém kódu, který je možno získat pouze od výrobce, nebo na podobném zařízení, nebo

b)

přístup umožňující vyhodnocení generovaných údajů bez potřeby jakékoli unikátní dekódovací informace, pokud tato informace sama není normovaná;

52)

„normovanými údaji“ se rozumí to, že všechny informace datového toku, včetně všech používaných chybových kódů, jsou generovány jen v souladu s odvětvovými normami, které díky tomu, že jejich formát a jejich povolené možnosti jsou jasně definovány, poskytují maximální úroveň harmonizace v automobilovém průmyslu vozidel kategorie L, a jejich používání je tímto nařízením výslovně povoleno;

53)

„nedostatkem“ v oblasti systémů OBD vozidla se rozumí stav, kdy až dvě samostatné konstrukční části nebo systémy, které jsou sledovány, mají dočasně nebo trvale takové provozní vlastnosti, které zhoršují jejich jinak účinné sledování systémem OBD nebo které nesplňují všechny ostatní podrobné požadavky na systém OBD;

54)

„významným snížením točivého momentu pohonu“ se rozumí točivý moment pohonu, jenž je roven 90 % točivého momentu v normálním provozním režimu nebo nižší;

55)

„povrchem síťové mřížky“ se rozumí povrch sestávající ze vzoru otvorů tvaru například kruhu, elipsy, kosočtverce, obdélníku nebo čtverce pravidelně rozmístěných v intervalech nejvýše 15 mm;

56)

„povrchem mřížky“ se rozumí povrch sestávající z rovnoběžných prutů rovnoměrně od sebe rozmístěných ve vzdálenosti nejvýše 15 mm;

57)

„ideálně rovným povrchem“ se rozumí teoretický geometricky dokonalý povrch bez přihlédnutí k nedokonalostem povrchu, jako jsou například výstupky nebo prohlubně;

58)

„sklonem“ se rozumí stupeň úhlové odchylky vzhledem k vodorovné rovině;

59)

„úpravou na žádost zákazníka“ se rozumí jakákoli změna vozidla, systému, konstrukční části nebo samostatného technického celku, která byla provedena na žádost zákazníka a podléhá schválení;

60)

„přenášeným systémem“ se rozumí systém podle definice v čl. 3 odst. 15 nařízení (EU) č. 168/2013, který je přenášen ze starého typu vozidla do nového typu vozidla;

61)

„stojanem“ se rozumí zařízení pevně připevněné k vozidlu schopné udržet vozidlo bez dozoru v zamýšlené parkovací poloze;

62)

„podpěrným stojanem“ se rozumí stojan, který po vysunutí nebo vyklopení do pracovní polohy podpírá vozidlo pouze na jedné straně, přičemž obě kola se dotýkají země;

63)

„středovým stojanem“ se rozumí stojan, který po vyklopení do pracovní polohy podpírá vozidlo tak, že vytváří jedno nebo více míst styku vozidla se zemí na obou stranách střední podélné roviny vozidla;

64)

„příčným sklonem“ se rozumí boční sklon povrchu vozovky vyjádřený v procentech, přičemž průsečnice střední podélné roviny vozidla a povrchu vozovky je kolmá k přímce maximálního sklonu;

65)

„podélným sklonem“ se rozumí přední a zadní sklon povrchu vozovky vyjádřený v procentech, přičemž střední podélná rovina vozidla je rovnoběžná, a tudíž v přímce, s přímkou maximálního sklonu;

66)

„pracovní polohou“ stojanu se rozumí vysunutý nebo otevřený stojan v poloze určené k parkování;

67)

„nepracovní polohou“ stojanu se rozumí zasunutý nebo zavřený stojan v poloze určené k cestování.

KAPITOLA II

POVINNOSTI VÝROBCŮ, POKUD JDE O KONSTRUKCI VOZIDLA

Článek 3

Požadavky na instalaci a na prokazování ve vztahu ke konstrukci vozidla

1.   Aby byly splněny požadavky na konstrukci vozidla stanovené v článku 18 nařízení (EU) č. 168/2013 a v příloze II uvedeného nařízení musí výrobci vybavit vozidla kategorie L systémy, konstrukčními částmi a samostatnými technickými celky ovlivňujícími funkční bezpečnost a ochranu životního prostředí, které jsou konstruovány, vyráběny a montovány takovým způsobem, aby vozidlo při běžném provozu a údržbě v souladu s předpisy výrobce vyhovělo podrobným technickým požadavkům a zkušebním postupům.

2.   V souladu s články 6 až 20 musí výrobci praktickou zkouškou schvalovacímu orgánu prokázat, že vozidla kategorie L, která jsou dodávána na trh, registrována nebo uváděna do provozu v Unii, vyhovují požadavkům na konstrukci vozidla uvedeným v kapitole III nařízení (EU) č. 168/2013 a podrobným technickým požadavkům a zkušebním postupům stanoveným ve článcích 6 až 20 tohoto nařízení.

3.   Výrobci zajistí, aby náhradní díly a zařízení, které jsou dodávány na trh nebo uváděny do provozu v Unii, vyhovovaly příslušným požadavkům nařízení (EU) č. 168/2013, jak je uvedeno v podrobných technických požadavcích a zkušebních postupech uvedených v tomto nařízení. Schválené vozidlo kategorie L vybavené takovým náhradním dílem nebo zařízením musí splňovat stejné požadavky na zkoušky a mezní hodnoty výkonnosti jako vozidlo vybavené původním dílem nebo zařízením, které splňuje požadavky na únavu materiálu v rozsahu uvedeném v čl. 22 odst. 2 a článcích 23 a 24 nařízení (EU) č. 168/2013 včetně.

4.   Výrobci rovněž zajistí, aby při ověřování shodnosti výroby bylo postupováno podle postupů schválení typu s ohledem na podrobné požadavky na konstrukci vozidla stanovené v článku 33 nařízení (EU) č. 168/2013 a na podrobné technické požadavky v tomto nařízení.

5.   V příslušných případech výrobci předloží schvalovacímu orgánu popis opatření přijatých k zamezení neoprávněným úpravám systému řízení hnacího ústrojí včetně počítačů řídících emise a funkční bezpečnost.

Článek 4

Uplatňování předpisů EHK OSN

1.   Na schvalování typu se vztahují předpisy EHK OSN a jejich změny uvedené v příloze I tohoto nařízení.

2.   Vozidla s maximální konstrukční rychlostí 25 km/h nebo nižší musí splňovat všechny příslušné požadavky předpisů EHK OSN vztahující se na vozidla s maximální konstrukční rychlostí vyšší než 25 km/h.

3.   Odkazy na vozidla kategorií L1, L2, L3, L4, L5, L6 a L7 v předpisech EHK OSN se rozumí odkazy na vozidla kategorií L1e, L2e, L3e, L4e, L5e, L6e a L7e (v tomto pořadí) v tomto nařízení včetně případných podkategorií.

Článek 5

Technické specifikace požadavků a zkušebních postupů týkajících se konstrukce vozidel

1.   Zkušební postupy týkající se konstrukce vozidel musí být prováděny v souladu se zkušebními požadavky stanovenými v tomto nařízení.

2.   Zkušební postupy musí být prováděny schvalovacím orgánem nebo v jeho přítomnosti, případně technickou zkušebnou, pokud to schvalovací orgán povolí.

3.   Metody měření a výsledky zkoušek se oznámí schvalovacímu orgánu ve formátu zkušebního protokolu stanoveném v čl. 32 odst. 1 nařízení (EU) č. 168/2013.

Článek 6

Požadavky týkající se opatření pro předcházení neoprávněným úpravám hnacího ústrojí (opatření proti neoprávněným úpravám)

Zkušební postupy a požadavky týkající se opatření pro předcházení neoprávněným úpravám hnacího ústrojí (opatření proti neoprávněným úpravám) uvedené v příloze II části C bodě 1 nařízení (EU) č. 168/2013 musí být prováděny a ověřovány v souladu s přílohou II tohoto nařízení.

Článek 7

Požadavky týkající se postupu udělování schválení typu

Zkušební postupy a požadavky týkající se postupu udělování schválení typu uvedené v příloze II části C bodě 2 nařízení (EU) č. 168/2013 musí být prováděny a ověřovány v souladu s přílohou III tohoto nařízení.

Článek 8

Požadavky týkající se shodnosti výroby

Zkušební postupy a požadavky týkající se shodnosti výroby uvedené v příloze II části C bodě 3 nařízení (EU) č. 168/2013 musí být prováděny a ověřovány v souladu s přílohou IV tohoto nařízení.

Článek 9

Požadavky týkající se spojovacích zařízení pro připojení přívěsů a jejich uchycení

Zkušební postupy a požadavky týkající se spojovacích zařízení pro připojení přívěsů a jejich uchycení uvedené v příloze II části C bodě 4 nařízení (EU) č. 168/2013 musí být prováděny a ověřovány v souladu s přílohou V tohoto nařízení.

Článek 10

Požadavky týkající se zařízení bránících neoprávněnému použití

Zkušební postupy a požadavky týkající se zařízení bránících neoprávněnému použití uvedené v příloze II části C bodě 5 nařízení (EU) č. 168/2013 musí být prováděny a ověřovány v souladu s přílohou VI tohoto nařízení.

Článek 11

Požadavky týkající se elektromagnetické kompatibility

Zkušební postupy a požadavky týkající se elektromagnetické kompatibility uvedené v příloze II části C bodě 6 nařízení (EU) č. 168/2013 musí být prováděny a ověřovány v souladu s přílohou VII tohoto nařízení.

Článek 12

Požadavky týkající se vnějších výčnělků

Zkušební postupy a požadavky týkající se vnějších výčnělků uvedené v příloze II části C bodě 7 nařízení (EU) č. 168/2013 musí být prováděny a ověřovány v souladu s přílohou VIII tohoto nařízení.

Článek 13

Požadavky týkající se uložení paliva

Zkušební postupy a požadavky týkající se uložení paliva uvedené v příloze II části C bodě 8 nařízení (EU) č. 168/2013 musí být prováděny a ověřovány v souladu s přílohou IX tohoto nařízení.

Článek 14

Požadavky týkající se nákladních plošin

Zkušební postupy a požadavky týkající se nákladních plošin uvedené v příloze II části C bodě 9 nařízení (EU) č. 168/2013 musí být prováděny a ověřovány v souladu s přílohou X tohoto nařízení.

Článek 15

Požadavky týkající se hmotností a rozměrů

Zkušební postupy a požadavky týkající se hmotností a rozměrů uvedené v příloze II části C bodě 10 nařízení (EU) č. 168/2013 musí být prováděny a ověřovány v souladu s přílohou XI tohoto nařízení.

Článek 16

Požadavky týkající se funkčních palubních diagnostických systémů

Zkušební postupy a požadavky týkající se funkčních palubních diagnostických systémů uvedené v příloze II části C bodě 11 nařízení (EU) č. 168/2013 musí být prováděny a ověřovány v souladu s přílohou XII tohoto nařízení.

Článek 17

Požadavky týkající se držadel a opěrek nohou cestujících

Zkušební postupy a požadavky týkající se držadel a opěrek nohou cestujících uvedené v příloze II části C bodě 12 nařízení (EU) č. 168/2013 musí být prováděny a ověřovány v souladu s přílohou XIII tohoto nařízení.

Článek 18

Požadavky týkající se místa pro registrační tabulku

Zkušební postupy a požadavky týkající se místa pro registrační tabulku uvedené v příloze II části C bodě 13 nařízení (EU) č. 168/2013 musí být prováděny a ověřovány v souladu s přílohou XIV tohoto nařízení.

Článek 19

Požadavky týkající se přístupu k informacím o opravách a údržbě

Zkušební postupy a požadavky týkající se přístupu k informacím o opravách a údržbě uvedené v příloze II části C bodě 14 nařízení (EU) č. 168/2013 musí být prováděny a ověřovány v souladu s přílohou XV tohoto nařízení.

Článek 20

Požadavky týkající se stojanů

Zkušební postupy a požadavky týkající se stojanů uvedené v příloze II části C bodě 15 nařízení (EU) č. 168/2013 musí být prováděny a ověřovány v souladu s přílohou XVI tohoto nařízení.

KAPITOLA III

POVINNOSTI A POŽADAVKY TÝKAJÍCÍ SE TECHNICKÝCH ZKUŠEBEN

Článek 21

Výkonnostní normy a posuzování technických zkušeben

Technické zkušebny musí vyhovět výkonnostním normám a postupu jejich posuzování uvedeným v příloze II části C bodě 16 nařízení (EU) č. 168/2013, které musí být ověřovány v souladu s přílohou XVII tohoto nařízení.

Článek 22

Přípustnost vlastního zkoušení

Pokud jde o vlastní zkoušení vnitropodnikovými technickými zkušebnami výrobce podle čl. 64 odst. 1 nařízení (EU) č. 168/2013, lze takové zkoušení provádět pouze v případech povolených podle přílohy III tohoto nařízení.

KAPITOLA IV

POVINNOSTI ČLENSKÝCH STÁTŮ

Článek 23

Schvalování typu vozidel, systémů, konstrukčních částí a samostatných technických celků

V souladu s články 18, 25 a 33 nařízení (EU) č. 168/2013 a s účinností od dat stanovených v příloze IV nařízení (EU) č. 168/2013 vnitrostátní orgány v případě nových vozidel, která nejsou v souladu s nařízením (EU) č. 168/2013 a tímto nařízením, považují prohlášení o shodě za neplatná pro účely čl. 43 odst. 1 nařízení (EU) č. 168/2013 a z důvodů souvisejících s emisemi, spotřebou paliva nebo spotřebou energie nebo s použitelnými požadavky na funkční bezpečnost nebo konstrukci vozidla zakáží dodávání takových vozidel na trh, jejich registraci nebo uvádění do provozu.

KAPITOLA V

ZÁVĚREČNÁ USTANOVENÍ

Článek 24

Vstup v platnost

Toto nařízení vstupuje v platnost dvacátým dnem po vyhlášení v Úředním věstníku Evropské unie.

Použije se ode dne 1. ledna 2016.

Toto nařízení je závazné v celém rozsahu a přímo použitelné ve všech členských státech.

V Bruselu dne 21. listopadu 2013.

Za Komisi

José Manuel BARROSO

předseda


(1)  Úř. věst. L 60, 2.3.2013, s. 52.

(2)  Rozhodnutí Rady 97/836/ES ze dne 27. listopadu 1997 o přistoupení Evropského společenství k Dohodě Evropské hospodářské Komise Organizace spojených národů o přijetí jednotných technických pravidel pro kolová vozidla, zařízení a části, které se mohou montovat nebo užívat na kolových vozidlech, a o podmínkách pro vzájemné uznávání schválení typu udělených na základě těchto pravidel (revidovaná dohoda z roku 1958) (Úř. věst. L 346, 17.12.1997, s. 78).

(3)  Úř. věst. L 226, 18.8.1997, s. 1.

(4)  Úř. věst. L 188, 29.7.1993, s. 32.

(5)  Nařízení Evropského parlamentu a Rady (ES) č. 595/2009 ze dne 18. června 2009 o schvalování typu motorových vozidel a motorů z hlediska emisí z těžkých nákladních vozidel (Euro VI) a o přístupu k informacím o opravách a údržbě vozidel, o změně nařízení (ES) č. 715/2007 a směrnice 2007/46/ES a o zrušení směrnic 80/1269/EHS, 2005/55/ES a 2005/78/ES (Úř. věst. L 188, 18.7.2009, s. 1).

(6)  Nařízení Evropského parlamentu a Rady (ES) č. 715/2007 ze dne 20. června 2007 o schvalování typu motorových vozidel z hlediska emisí z lehkých osobních vozidel a z užitkových vozidel (Euro 5 a Euro 6) a z hlediska přístupu k informacím o opravách a údržbě vozidla (Úř. věst. L 171, 29.6.2007, s. 1).

(7)  Nařízení Komise (EU) č. 582/2011 ze dne 25. května 2011, kterým se provádí a mění nařízení Evropského parlamentu a Rady (ES) č. 595/2009 z hlediska emisí z těžkých nákladních vozidel (Euro VI) a kterým se mění přílohy I a III směrnice Evropského parlamentu a Rady 2007/46/ES (Úř. věst. L 167, 25.6.2011, s. 1).

(8)  Směrnice Evropského parlamentu a Rady 2002/24/ES ze dne 18. března 2002 o schvalování typu dvoukolových a tříkolových motorových vozidel, kterou se zrušuje směrnice Rady 92/61/EHS (Úř. věst. L 124, 9.5.2002, s. 1).


SEZNAM PŘÍLOH

Číslo přílohy

Název přílohy

Strana

C1   Požadavky na konstrukci vozidla a obecné požadavky na schválení typu

I

Seznam předpisů EHK OSN, jejichž použití je povinné

12

II

Požadavky týkající se opatření pro předcházení neoprávněným úpravám hnacího ústrojí (opatření proti neoprávněným úpravám)

13

III

Požadavky týkající se postupu udělování schválení typu

17

IV

Požadavky týkající se shodnosti výroby

23

V

Požadavky týkající se spojovacích zařízení pro připojení přívěsů a jejich uchycení

35

VI

Požadavky týkající se zařízení bránících neoprávněnému použití

44

VII

Požadavky týkající se elektromagnetické kompatibility

45

VIII

Požadavky týkající se vnějších výčnělků

46

IX

Požadavky týkající se uložení paliva

53

X

Požadavky týkající se nákladních plošin

59

XI

Požadavky týkající se hmotností a rozměrů

60

XII

Požadavky týkající se funkčních palubních diagnostických systémů (OBD)

68

XIII

Požadavky týkající se držadel a opěrek nohou cestujících

85

XIV

Požadavky týkající se místa pro registrační tabulku

86

XV

Požadavky týkající se přístupu k informacím o opravách a údržbě

89

XVI

Požadavky týkající se stojanů

96

C2   Požadavky na technické zkušebny

XVII

Výkonnostní normy a posuzování technických zkušeben

102

PŘÍLOHA I

Seznam předpisů EHK OSN, jejichž použití je povinné

Předpis EHK OSN č.

Předmět

Série změn

Odkaz na Úřední věstník

Vztahuje se na

10

Elektromagnetická kompatibilita

04

Úř. věst. L 254, 20.9.2012, s. 1.

L1e, L2e, L3e, L4e, L5e, L6e a L7e

62

Ochrana proti neoprávněnému použití

00

Úř. věst. L 89, 27.3.2013, s. 37.

L1e, L2e, L3e, L4e, L5e, L6e a L7e

Vysvětlivka:

Skutečnost, že je konstrukční část uvedená v tomto seznamu, neznamená, že je její instalace povinná. Pro některé konstrukční části jsou však povinné požadavky na montáž stanoveny v jiných přílohách tohoto nařízení.

PŘÍLOHA II

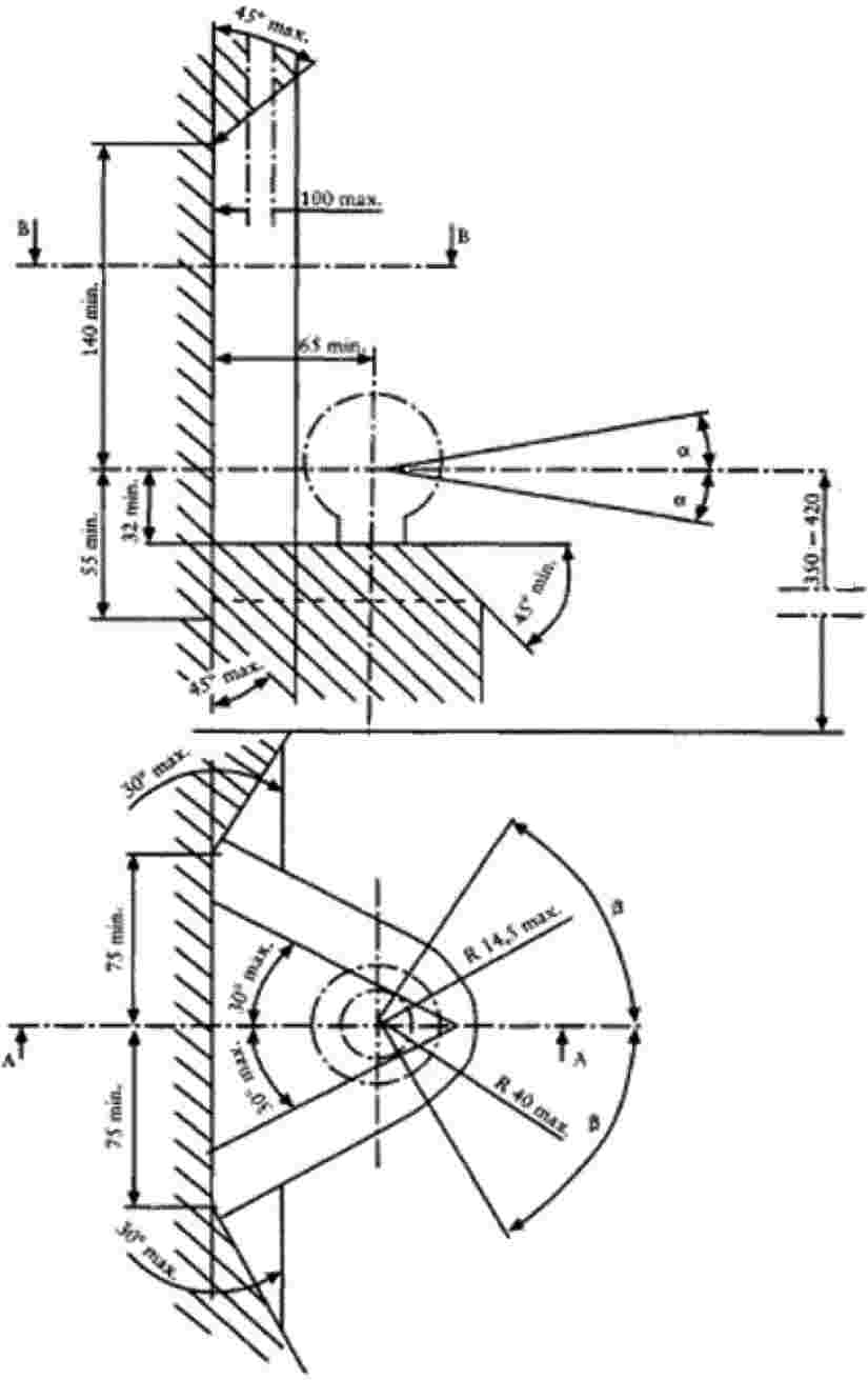
Požadavky týkající se opatření pro předcházení neoprávněným úpravám hnacího ústrojí (opatření proti neoprávněným úpravám)

1.   Účel a rozsah

1.1   Opatření pro předcházení neoprávněným úpravám hnacího ústrojí (opatření proti neoprávněným úpravám) mají za cíl odradit od nepříznivých změn hnacího ústrojí vozidla, které mají negativní dopad na funkční bezpečnost a/nebo životní prostředí.

1.2   Součástí opatření jsou zvláštní požadavky na označení vozidla, pokud jde o maximální výkon, maximální konstrukční rychlost vozidla a hladinu akustického tlaku stojícího vozidla, které musí být uvedeno na povinném štítku podle čl. 39 odst. 1 nařízení (EU) č. 168/2013. Zvláštní značení originálních a neoriginálních konstrukčních součástí, samostatných technických celků, částí a vybavení, které ovlivňují vliv vozidla na životní prostředí, výkonnost pohonné jednotky a funkční bezpečnost vozidla, musí být v souladu s čl. 39 odst. 2 a 3 nařízení (EU) č. 168/2013, aby donucovací orgány mohly ověřit, zda jsou na vozidle namontované části a vybavení vhodné pro daný schválený typ vozidla.

1.3   Oblast působnosti

Všechna vozidla kategorie L uvedená v článku 2 nařízení (EU) č. 168/2013 s výjimkou (pod)kategorií L3e-A3, L4e-A3 a L5e.

2.   Obecné požadavky

2.1   Výrobce zajistí, aby schvalovacímu orgánu a technické zkušebně byly poskytnuty nezbytné informace a případně nezbytná vozidla, pohony, konstrukční části a samostatné technické celky k ověření, zda vyhovují požadavkům podle této přílohy.

2.2   Výrobce v žádosti o schválení typu prohlásí, že se zavazuje neuvádět na trh zaměnitelné konstrukční části, jež by mohly umožnit zvýšení výkonnosti pohonné jednotky platné pro příslušnou (pod)kategorii.

2.3   Zaměnitelnost neshodných částí mezi schválenými typy vozidla:

2.3.1   Zaměnitelnost následujících částí samostatně nebo kombinovaně nesmí způsobit takové zvýšení výkonnosti pohonné jednotky, kterým by byly překročeny hodnoty naměřené a nahlášené při schvalování typu, což znamená, že maximální konstrukční rychlost vozidla a/nebo maximální trvalý jmenovitý a/nebo netto výkon motoru dané kategorie musí vždy zůstat v mezích shodnosti výroby stanovených v bodě 4.1.4 přílohy IV:

2.3.1.1

u vozidel vybavených dvoudobým motorem: kombinace válec/píst, karburátor nebo vstřikovač (vstřikovače) paliva, sací trubice, výfukový systém;

2.3.1.2

u vozidel vybavených čtyřdobým motorem: hlava válce, vačkový hřídel, kombinace válec/píst, karburátor nebo vstřikovač (vstřikovače) paliva, sací trubice, výfukový systém.

2.4   Schválená maximální konstrukční rychlost vozidla a/nebo maximální trvalý jmenovitý a/nebo netto výkon motoru dané (pod)kategorie, uvedené v příloze I nařízení (EU) č. 168/2013, nesmí být v žádném případě překročeny, což znamená, že výkonnost pohonné jednotky vozidla musí vždy zůstat v mezích shodnosti výroby stanovených v bodě 4.1.4 přílohy IV.

2.5   V případě řetězů nebo ozubených řemenů se na pastorcích uvede počet zubů.

2.6   Výrobce prohlásí, že výrobcem umožněné úpravy následujících vlastností nezvýší výkonnost pohonné jednotky tak, aby došlo k překročení mezí shodnosti výroby stanovených v bodě 4.1.4 přílohy IV: zážeh spalovacího systému, je-li to relevantní, systém přívodu paliva, systém sání vzduchu včetně vzduchového filtru (vzduchových filtrů) (úprava nebo odstranění), sestava baterie pohonu nebo elektrické napájení elektrického motoru, je-li to relevantní, poháněcí soustava a řídící jednotka (jednotky), jež řídí hnací ústrojí vozidla.

2.7   Je-li časování zapalování nastavitelné, výkonnost pohonné jednotky se měří s předstihem zapalování nastaveným na ±5° hodnoty, při které je dosažen maximální výkon motoru.

2.8   Výrobce zajistí, aby schválené vozidlo vyhovělo následujícím ustanovením o bezpečnosti elektrického systému, která omezují vliv vozidla na životní prostředí a výkonnost pohonné jednotky vozidla.

2.8.1   U vozidla vybaveného elektrickým(i) nebo elektronickým(i) zařízení(mi) omezujícím(i) výkonnost jeho pohonné jednotky musí výrobce vozidla technické zkušebně doložit, že úpravou nebo odpojením těchto zařízení nebo odpojením jejich kabeláže nedojde ke zvýšení výkonnosti.

2.8.2   Vozidlo vybavené elektronickým řízením musí být zajištěno proti úpravám, s výjimkou úprav povolených výrobcem. Výrobce povolí úpravy, které jsou nezbytné pro diagnostiku, údržbu, kontrolu, dodatečnou montáž nebo opravu vozidla.

2.8.3   Přeprogramovatelné počítačové kódy nebo provozní parametry musí být zajištěny proti neoprávněnému zásahu a musí poskytovat úroveň ochrany nejméně shodnou s ochranou podle normy ISO 15031-7:2001, za předpokladu, že výměna zabezpečených údajů probíhá za použití komunikačních protokolů a normalizovaného diagnostického konektoru podle dodatku 1 přílohy XII.

2.8.4   Pro zamezení zvýšení výkonnosti pohonné jednotky nesmí být počítačově kódované provozní parametry výkonnosti změnitelné bez použití speciálních nástrojů a postupů, jako je např. připájení nebo zalití počítačové součástky, zapečetění nebo zapájení krytu počítače.

2.8.5   Všechny vyměnitelné paměťové čipy sloužící ke kalibraci musí být zality, uzavřeny v zapečetěném obalu nebo chráněny elektronickým algoritmem a nesmí být vyměnitelné bez použití speciálního nářadí a postupů.

2.8.6   Výrobci, kteří užívají systémy s programovatelným počítačovým kódem (např. EEPROM – elektricky mazatelná programovatelná paměť ROM), musí zabránit neoprávněnému přeprogramování. Použijí při tom pokročilé strategie ochrany proti neoprávněným zásahům a funkce ochrany před zápisem, které vyžadují elektronický přístup k výrobcem provozovanému počítači umístěnému mimo vozidlo, k němuž musí mít přístup rovněž nezávislí provozovatelé požívající ochrany podle přílohy XV. Metody poskytující adekvátní úroveň ochrany proti neoprávněným zásahům, např. bezpečností přístup seed/key podle protokolu Keyword 2000, schválí schvalovací orgán.

2.8.7   Diagnostické chybové kódy (DTC) uložené v řídící jednotce (řídících jednotkách) hnacího ústrojí nebo motoru se nesmí vymazat odpojením palubního počítače od elektrického zdroje vozidla nebo odpojením či poruchou baterie vozidla nebo uzemnění.

3.   Dodatečné zvláštní požadavky na vozidla (pod)kategorií L1e, L2e a L6e

3.1   Přípustná odchylka pro omezení maximální rychlosti a/nebo výkonu vozidel kategorie L1e, L2e a L6e činí ±5 % maximální konstrukční rychlosti vozidla a/nebo netto a/nebo trvalého jmenovitého výkonu podle klasifikačních kritérií uvedených v příloze I nařízení (EU) č. 168/2013.

3.2   Požadavky na vozidla kategorie L1e, L2e a L6e se spalovacím motorem

3.2.1   Systém sání

3.2.1.1

Sací trubice musí být připevněny střižnými šrouby nebo šrouby, které lze odmontovat jen zvláštním nářadím. Zúžená část, zvenku označená, musí být umístěna uvnitř trubic; v tomto místě nesmí být tloušťka stěny větší než 4 mm nebo, je-li z ohebného materiálu, např. z pryže, 5 mm.

3.2.1.2

Jakýkoli zásah do trubic s cílem změnit zúženou část musí vést buď ke zničení trubic, nebo k úplně a trvale chybné funkci motoru, dokud trubice nebudou uvedeny do schváleného stavu.

3.2.1.3

Na trubicích musí být čitelné označení s uvedením kategorie vozidla.

3.2.2   Motor

3.2.2.1

Je-li motor vybaven jazýčkovým ventilem (jazýčkovými ventily), musí být tento ventil upevněn střižnými šrouby, které znemožní další užití jej nesoucí části, nebo šrouby, které lze odmontovat jen zvláštním nářadím.

3.2.2.2

Po montáži nesmí být maximální tloušťka těsnění hlavy válce, je-li přítomno, větší než 1,3 mm.

3.2.2.3

Písty dvoudobých motorů

Píst v poloze horní úvrati nesmí překrývat sací kanál. Tento požadavek neplatí pro ty části přepouštěcího/vyplachovacího kanálu, které se shodují se sacím kanálem u vozidel s motorem vybaveným systémem sání s jazýčkovým ventilem (ventily).

3.2.2.4

U dvoudobých motorů se otočením pístu o 180° nesmí zvýšit výkonnost motoru.

3.2.3   Výfukový systém

3.2.3.1

Ve výfukovém systému nejsou povolena žádná uměle zúžená místa. Vedení ventilů u čtyřdobých motorů se nepokládají za uměle zúžená místa.

3.2.3.2

Odstraněním trubky reflexního tlumiče hluku, je-li instalován, nesmí dojít ke zvýšení výkonnosti pohonné jednotky.

3.2.3.3

Část nebo části výfukového systému uvnitř tlumičů určující účinnou délku výfukové trubky musí být připevněny k tlumičům nebo k expanzním komorám tak, aby je nebylo možno odmontovat.

3.5   Plynule měnitelný převod (CVT)

3.5.1   Kryty plynule měnitelného převodu, jsou-li instalovány, musí být připevněny nejméně dvěma střižnými šrouby nebo šrouby, které lze odmontovat jen zvláštním nářadím.

3.5.2   Plynule měnitelný převod určený k omezení převodového poměru snížením účinné vzdálenosti mezi dvěma kotouči musí být plně začleněn do jednoho nebo obou kotoučů tak, aby bylo nemožné změnit účinnou vzdálenost nad hranici, kdy by došlo ke zvýšení maximální rychlosti vozidla o více než 10 % této maximální povolené rychlosti vozidla, aniž by došlo ke zničení kotoučového systému. Pokud výrobce v plynule měnitelném převodu použije vyměnitelné rozpěrné kroužky k nastavení maximální rychlosti vozidla, kompletní vyjmutí těchto kroužků nesmí způsobit zvýšení maximální rychlosti vozidla o více než 10 %.

4.   Dodatečné zvláštní požadavky na vozidla (pod)kategorií L3e-A1 a L4e-A1

4.1   Vozidla podkategorií L3e-A1 a L4e-A1 musí splňovat požadavky bodu 3.2.1, 3.2.2.1 nebo 3.2.3.1 a požadavky uvedené v bodech 3.2.3.2 a 3.2.3.3.

4.2   Systém sání

V přívodu sání musí být umístěna nevyměnitelná vložka.

4.2.1   Je-li taková vložka v sací trubici umístěna, musí být tato trubice připevněna k bloku motoru střižnými šrouby nebo šrouby, které lze odmontovat jen zvláštním nářadím.

4.2.2   Vložka musí mít tvrdost nejméně 60 HRC. V zúžené části nesmí její tloušťka přesahovat 4 mm.

4.2.3   Jakýkoli zásah do vložky s cílem ji odstranit nebo upravit musí vést buď k destrukci vložky a části, která ji nese, nebo k úplně a trvale chybné funkci motoru, dokud nebude vložka uvedena do schváleného stavu.

4.2.4   Na povrchu vložky nebo v její blízkosti musí být dobře čitelné označení kategorie nebo kategorií vozidla.

4.2.5   Všechny sací trubice musí být připevněny střižnými šrouby nebo šrouby, které lze odmontovat jen zvláštním nářadím. Zúžená část, zvenku označená, musí být umístěna uvnitř trubic; v tomto místě nesmí být tloušťka stěny větší než 4 mm nebo, je-li z ohebného materiálu, např. z pryže, 5 mm.

4.2.6   Jakýkoli zásah do trubic s cílem upravit zúženou část musí vést buď ke zničení trubic, nebo k úplně a trvale chybné funkci motoru, dokud trubice nebudou uvedeny do schváleného stavu.

4.2.7   Na trubce musí být dobře čitelné označení (pod)kategorie vozidla podle definice článků 2 a 4 a přílohy I nařízení (EU) č. 168/2013.

4.2.8   Segment přívodu sání, který je umístěn v hlavě válce, musí mít zúžené místo. V celém sacím hrdle pak nesmí být jiné více zúžené místo (s výjimkou oblasti sedel ventilů).

4.2.9   Jakýkoli zásah do přívodu sání s cílem upravit zúženou část musí vést buď k destrukci trubice, nebo k úplně a trvale chybné funkci motoru, dokud nebude přívod uveden do schváleného stavu.

4.2.10   Na hlavě válce musí být dobře čitelné označení kategorie vozidla podle článku 39 nařízení (EU) č. 168/2013.

4.2.11   Průměr zúžené části uvedené v bodě 4.2 se může různit v závislosti na (pod)kategorii daného vozidla.

4.2.12   Výrobce musí sdělit průměr zúžené části (zúžených částí) a prokázat schvalovacímu orgánu a technické zkušebně, že tato zúžená část je nejkritičtější pro průtok plynů a že v systému sání není jiná část, jejíž úpravou by mohlo dojít ke zvýšení výkonnosti pohonné jednotky.

5.   Dodatečné zvláštní požadavky pro vozidla jiných (pod)kategorií v oblasti působnosti bodu 1.3

5.1   U vozidel podkategorie L3e-A2 nebo L4e-A2 nesmí mít jakákoli varianta nebo verze v rámci stejného typu maximální netto výkon motoru a/nebo maximální trvalý jmenovitý výkon přesahující dvojnásobek uvedeného výkonu.

5.2   Výrobce prohlásí, že změny a zaměnitelnost níže uvedených vlastností a konstrukčních částí nepovedou:

u vozidel podkategorie L3e-A2 a L4e-A2 k překročení dvojnásobku netto výkonu motoru nebo maximálního trvalého jmenovitého výkonu, nebo

u vozidel kategorie L7e k překročení schválené výkonnosti pohonné jednotky:

5.2.1   zážeh spalovacího systému, je-li to relevantní;

5.2.3   systém přívodu paliva;

5.2.4   systém sání vzduchu včetně vzduchových filtrů (úprava nebo odstranění);

5.2.5   poháněcí soustava;

5.2.6   řídící jednotka (jednotky), které řídí výkonnost pohonné jednotky hnacího ústrojí;

5.2.7   odstranění jakékoli konstrukční části (mechanické, elektrické, konstrukční) omezující plné zatížení motoru, které by vedlo k jakékoli změně výkonnosti pohonné jednotky schválené v souladu s přílohou II částí A nařízení (EU) č. 168/2013.

PŘÍLOHA III

Požadavky týkající se postupu udělování schválení typu

1.   Postup schválení typu

1.1

Při přijetí žádosti o schválení typu vozidla musí schvalovací orgán:

1.1.1

ověřit, že všechny certifikáty EU schválení typu vydané podle regulačních aktů, jež jsou použitelné pro schválení typu vozidla, se vztahují na tento typ vozidla a odpovídají předepsaným požadavkům;

1.1.2

odkazem na dokumentaci zajistit, aby specifikace vozidla a údaje uvedené v informačním dokumentu o vozidle byly uvedeny ve schvalovací dokumentaci a v certifikátech EU schválení typu s ohledem na příslušné regulační akty;

1.1.3

v případě, že položkové číslo v informačním dokumentu není uvedeno ve schvalovací dokumentaci některého z regulačních aktů, potvrdit, že příslušná část nebo vlastnost odpovídá údajům v dokumentaci výrobce;

1.1.4

na vybraném vzorku vozidel typu, jenž má být schválen, provést nebo nechat provést kontrolu částí a systémů vozidla za účelem ověření, že vozidlo je vyrobeno (vozidla jsou vyrobena) v souladu s údaji v ověřené schvalovací dokumentaci s ohledem na certifikáty EU schválení typu;

1.1.5

případně provést nebo nechat provést příslušné kontroly montáže samostatných technických celků;

1.1.6

případně provést nebo nechat provést nezbytné kontroly z hlediska vybavenosti zařízeními uvedenými v příloze II nařízení (EU) č. 168/2013;

1.1.7

případně provést nebo nechat provést nezbytné kontroly splnění požadavků týkajících se systémů na plynné palivo.

2.   Kombinace technických specifikací

2.1

Počet kontrolovaných vozidel musí být dostačující z hlediska náležité kontroly různých schvalovaných kombinací podle následujících kritérií:

2.1.1

typ vozidla, varianty a verze;

2.1.2

rodina vozidla a pohonu;

2.1.3

převod;

2.1.4

druh karoserie;

2.1.5

počet dveří;

2.1.6

počet míst k sezení.

3.   Zvláštní ustanovení

3.1

Není-li k dispozici žádný certifikát schválení typu podle některého z příslušných regulačních aktů, musí schvalovací orgán:

3.1.1

zajistit potřebné zkoušky a kontroly podle požadavků každého z příslušných regulačních aktů;

3.1.2

ověřit, že vozidlo odpovídá údajům v dokumentaci výrobce vozidla a že vyhovuje technickým požadavkům každého z příslušných regulačních aktů;

3.1.3

případně provést nebo nechat provést příslušné kontroly montáže samostatných technických celků;

3.1.4

případně provést nebo nechat provést nezbytné kontroly z hlediska vybavenosti zařízeními uvedenými v příloze II nařízení (EU) č. 168/2013;

3.1.5

případně provést nebo nechat provést nezbytné kontroly splnění požadavků týkajících se systémů na plynné palivo.

4.   Ustanovení týkající se konverze motocyklů podkategorií (L3e/L4e)-A2 a (L3e/L4e)-A3

4.1   Obecně

Ustanovení týkající se konverze se vztahují pouze na motocykly podkategorií (L3e/L4e)-A2 a (L3e/L4e)-A3 s postranním vozíkem a bez něj a naopak.

4.2   Konverze motocyklu podkategorie (L3e/L4e)-A2 na motocykl podkategorie (L3e/L4e)-A3 a naopak je povolena, jsou-li splněny následující kontrolované podmínky:

4.2.1   Schválení typu

Výrobce v rámci schvalování typu provede samostatné zkoušky motocyklu v konfiguracích (L3e/L4e)-A2 a (L3e/L4e)-A3 a doloží technické zkušebně a ke spokojenosti schvalovacího orgánu, že motocykl kategorie L3e vyhovuje požadavkům ustanovení bodu 4, a předloží samostatné protokoly k následujícím požadavkům:

4.2.2   Požadavky na vliv na životní prostředí a na výkonnost pohonné jednotky uvedené v kapitole III nařízení (EU) č. 168/2013 a zkoušky podle příloh II, V, VI a VII uvedeného nařízení (EU) č. 168/2013:

4.2.2.1

environmentální zkoušky typů I, II, V, VII, VIII a IX uvedené v příloze V nařízení (EU) č. 168/2013;

4.2.2.2

požadavky a zkoušky týkající se výkonnosti pohonné jednotky uvedené v příloze II bodě A2 nařízení (EU) č. 168/2013;

4.2.2.3

definice rodiny vozidla/pohonu musí být stanoveny a oznámeny zvlášť pro motocykly v konfiguracích (L3e/L4e)-A2 a (L3e/L4e)-A3;

4.2.3   Požadavky na funkční bezpečnost: zkoušky musí být provedeny a související požadavky musí být splněny v souladu s body B2, B4, B14, B17 a B18 přílohy II nařízení (EU) č. 168/2013.

4.2.4   V případě konfigurace (L3e/L4e)-A2 musí být zkoušky konstrukce vozidla provedeny a související požadavky splněny v souladu s body C1 a C10 přílohy II nařízení (EU) č. 168/2013.

4.2.5   Veškeré ostatní požadavky na schválení typu, které nejsou uvedeny v bodě 4.1.1.1 a které jsou uvedeny v příloze II nařízení (EU) č. 168/2013, jsou u konfigurací motocyklů (L3e/ L4e)-A2 a (L3e/L4e)-A3 považovány za společné a shodné, a tudíž se zkoušejí a protokoly o nich se vystavují jen jednou pro obě výkonnostní konfigurace. Pro systémy, konstrukční části, samostatné technické celky, části nebo vybavení vozidla, kterých se konverze netýká, se povoluje použít stejné zkušební protokoly.

4.2.6   Pro motocykl kategorie L3e-A2 s jedinečným číslem EU schválení typu úplného vozidla se vydá jedno schválení typu úplného vozidla. Ve zvláštním oddíle informačního dokumentu a certifikátu schválení typu se uvedou informace o označení typu, čísle schválení typu, technických údajích konvertovaného vozidla, jakož i popis částí, softwaru atd. pro konverzi vozidla do konfigurace L3e-A3.

4.2.7   Pro motocykl kategorie L3e-A3 s jedinečným číslem EU schválení typu úplného vozidla se vydá jedno schválení typu úplného vozidla. Zvláštní oddíl informačního dokumentu podle bodu 4.1.2 bude připojen k dokumentaci schválení typu vozidla kategorie L3e-A3.

4.2.8   Nejsou-li kompletní údaje pro konverzi k dispozici v době schvalování typu, lze tyto kompletní údaje doplnit prostřednictvím prodloužení EU schválení typu úplného vozidla. Pokud chybí pouze číslo druhého EU schválení typu úplného vozidla, lze jej doplnit prostřednictvím revize EU schválení typu úplného vozidla.

4.2.9   Elektronické údaje o motocyklu kategorie (L3e/ L4e)-A2 nebo A3

Výrobce naprogramuje příslušnou podkategorii motocyklu „L3e-A2“ nebo „L3e-A3“ do paměti PCU/ECU motocyklu při konverzi z konfigurace (L3e/ L4e)-A2 na konfiguraci (L3e/L4e)-A3 nebo naopak.

4.2.9.1

Tento elektronický údaj musí být ve formátu čitelném generickým čtecím zařízením, které splňuje ustanovení přílohy XII.

4.2.9.2

Tento elektronický údaj musí být chráněn proti neoprávněným zásahům v souladu s bodem 2.8 přílohy II.

4.2.9.3

Na žádost výrobce motocyklu lze vozidlo vyjmout z povinnosti vyhovět požadavkům bodů 4.2.9.1 a 4.2.9.2 až do 1. ledna 2020 s podmínkou, že k dokumentaci výrobce bude připojeno podrobné technické odůvodnění.

4.2.10   Prohlášení o shodě ponese údaje pouze o jedné konfiguraci vozidla, a to buď (L3e/L4e)-A2 anebo (L3e/L4e)-A3, podle toho, která z těchto dvou možných konfigurací je výstupem na konci výrobní linky.

4.2.11   Motocyklům, které lze konvertovat z podkategorie (L3e/L4e)-A2 na podkategorii (L3e/L4e)-A3 nebo naopak, se přiřadí pouze jedno identifikační číslo vozidla (VIN). Povinný štítek připevněný na vozidle musí obsahovat toto VIN a nést dvě čísla EU schválení typu s jasným uvedením hladiny akustického tlaku stojícího vozidla a výkonem motoru pro obě konfigurace.

4.3   Konverze

Konverzi z konfigurace (L3e/L4e)-A2 na konfiguraci (L3e/L4e)-A3 nebo naopak může provádět a dohlížet na ni pouze výrobce motocyklu.

4.3.1

Na žádost majitele vozidla vystaví výrobce prohlášení s údaji nezbytnými pro konverzi, které bude číslem VIN odkazovat na prohlášení o shodě v souladu se vzorem prohlášení o shodě podle čl. 38 odst. 2 nařízení (EU) č. 168/2013, a prohlásí, že z technického hlediska lze schválený motocykl kategorie L3e konvertovat na výkonnostní úroveň (L3e/L4e)-A2 nebo (L3e/L4e)-A3.

4.3.2

Toto prohlášení výrobce musí obsahovat: čísla EU schválení typu úplného vozidla (WVTA), měněné údaje (s odkazem na příslušná čísla schválení typu v prohlášení o shodě), krátký popis částí nebo vybavení, které se mění, a softwarová identifikační a kalibrační ověřovací čísla pro obě konfigurace. Vzor vyplněného prohlášení výrobce musí být součástí dokumentace výrobce vozidla.

4.4   První registrace

Členský stát nesmí odmítnout první registraci a nesmí vyžadovat dodatečné zkoušení za účelem první registrace nového motocyklu konfigurace (L3e/L4e)-A2 nebo (L3e/L4e)-A3, je-li nový motocykl (L3e/L4e)-A2 konvertován na výkonnostní úroveň (L3e/L4e)-A3 nebo naopak, za následujících podmínek:

4.4.1

hodnota nasnímaná generickým čtecím zařízením podle bodu 4.2.9 ukazuje správnou konfiguraci (L3e/L4e)-A2 nebo (L3e/L4e)-A3 a vizuální prohlídka vede k závěru, že všechny části motocyklu nutné ke konverzi jsou vyměněny a/nebo nainstalovány;

4.4.2

majitel vozidla předloží platné osvědčení o shodě spolu s prohlášením výrobce podle bodu 4.3.1.

5.   Postupy, které je třeba dodržet při vícestupňovém EU schvalování typu

5.1   Obecně

5.1.1

Uspokojivý průběh postupu vícestupňového EU schválení typu vyžaduje součinnost všech zúčastněných výrobců. Proto musí schvalovací orgány dříve, než udělí schválení typu v prvním a v následujících stupních, zajistit, aby mezi různými výrobci existovaly vhodné dohody o předávání dokumentů a informací nezbytných pro to, aby dokončený typ vozidla splňoval technické požadavky všech ustanovení nařízení (EU) č. 168/2013. Tyto informace musí obsahovat podrobnosti o příslušných schváleních typu systémů, konstrukčních částí a samostatných technických celků a dále o dílech vozidla, které jsou součástí nedokončeného vozidla, avšak nebyly dosud schváleny.

5.1.2

Schválení typu podle bodu 5 se udělují na základě momentálního stavu dokončení typu vozidla a zahrnují veškerá schválení typu udělená ve dřívějších stupních.

5.1.3

V postupu vícestupňového EU schválení typu odpovídá za schválení typu a shodnost výroby všech systémů, konstrukčních částí nebo samostatných technických celků výrobce, který je vyrobil nebo doplnil k předchozímu stupni výroby. Výrobce neodpovídá za prvky, které byly schváleny jako typ v předchozích stupních, kromě případů, kdy dotyčnou konstrukční část změnil natolik, že se předcházející udělené schválení typu stává neplatným.

5.2   Postupy

Schvalovací orgán musí:

5.2.1

ověřit, zda všechny certifikáty EU schválení typu vydané podle regulačních aktů, které se na schvalování typu vozidla vztahují, zahrnují typ vozidla ve stavu dokončení a odpovídají předepsaným požadavkům;

5.2.2

v souladu s čl. 25 odst. 6 nařízení (EU) č. 168/2013 ověřit, zda typ vozidla schválený v závěrečném stupni splňuje v té době všechny platné technické požadavky. Součástí tohoto ověření je kontrola dokumentů prokazujících splnění všech požadavků pro schválení typu neúplného vozidla, které je uděleno v rámci vícestupňového postupu schválení typu, a to i v případě, že je uděleno pro jinou kategorii nebo podkategorii vozidla;

5.2.3

v souladu s čl. 25 odst. 7 nařízení (EU) č. 168/2013 zajistit, že výběrem schvalovacího postupu nejsou dotčeny hmotněprávní požadavky, kterým musí schvalovaný typ vozidla vyhovět v době vydání schválení typu úplného vozidla;

5.2.4

zajistit, aby byly do dokumentace výrobce zahrnuty veškeré potřebné údaje při zohlednění stavu dokončení vozidla;

5.2.5

odkazem na dokumentaci zajistit, aby specifikace vozidla a údaje uvedené v části I dokumentace výrobce vozidla byly uvedeny ve schvalovací dokumentaci a v certifikátech EU schválení typu s ohledem na příslušné regulační akty; a v případě úplného vozidla, kdy není některé položkové číslo v části I dokumentace výrobce uvedeno ve schvalovací dokumentaci některého z regulačních aktů, potvrdit, že příslušná část nebo vlastnost odpovídá údajům v dokumentaci výrobce;

5.2.6

na vybraném vzorku vozidel typu, jenž má být schválen, provést nebo nechat provést kontrolu částí a systémů vozidla za účelem ověření, že vozidlo je vyrobeno (vozidla jsou vyrobena) v souladu s údaji v ověřené schvalovací dokumentaci s ohledem na příslušné regulační akty;

5.2.7

případně provést nebo nechat provést příslušné kontroly montáže samostatných technických celků.

5.3   Počet vozidel kontrolovaných pro účely bodu 4.2.4 musí být dostačující z hlediska náležité kontroly různých schvalovaných kombinací podle stavu dokončení vozidla a kritérií podle bodu 2.1.

6.   Zvláštní podmínky kladené na zkušební metody se simulací a regulační akty, pro něž může výrobce nebo technická zkušebna použít metodu zkoušení se simulací a/nebo metodu vlastního zkoušení

6.0   Cíle a oblast působnosti

6.0.1

Tento bod 6 stanoví příslušná ustanovení týkající se zkoušení se simulací podle čl. 32 odst. 6 nařízení (EU) č. 168/2013. Neplatí pro čl. 32 odst. 3 druhý pododstavec uvedeného nařízení.

6.0.2

Tento bod 6 rovněž stanoví okruhy pro vlastní zkoušení podle čl. 64 odst. 1 nařízení (EU) č. 168/2013.

6.1   Seznam aktů v přenesené pravomoci a jejich příloh

Tabulka 3-1

Přehled požadavků uvedených v nařízení (EU) č. 168/2013, pokud jde o zkoušení se simulací a vlastní zkoušení

Požadavky uvedené v nařízení (EU) č. 168/2013

Zkoušení se simulací a/nebo vlastní zkoušení?

Předmět

Omezení/poznámky

Příloha II část A bod 2

Vlastní zkoušení

Postupy zkoušení maximální konstrukční rychlosti vozidla

Pouze pro podkategorie L3e-A3, L4e-A3 a L5e a nezahrnuje žádné jiné zkoušky výkonnosti pohonné jednotky.

Příloha II část B bod 1

Vlastní zkoušení

Zvuková výstražná zařízení

Pouze instalace

Příloha II část B bod 7

Vlastní zkoušení

Ovladače ovládané řidičem včetně identifikace ovladačů, kontrolek a ukazatelů

Pouze rychloměr

Příloha II část B bod 8

Zkoušení se simulací

Montáž zařízení pro osvětlení a světelnou signalizaci

Pouze rozměry

Příloha II část B bod 9

Zkoušení se simulací

Viditelnost směrem dozadu

Pouze instalace;

pouze podle předpisu EHK OSN č. 81

Příloha II část B bod 14

Zkoušení se simulací

Montáž pneumatik

Pouze je-li světlá výška vyšší než 10 mm.

Příloha II část C bod 13

Vlastní zkoušení a zkoušení se simulací

Místo pro registrační tabulku

 

Příloha II část C bod 15

Vlastní zkoušení

Stojany

Pouze bod 2.5 systémy pro přichycení stojanů.

Článek 39 nařízení (EU) č. 168/2013

Vlastní zkoušení

Povinný štítek a značka EU schválení typu

 

7.   Obecné podmínky kladené na zkušební metody se simulací

7.1   Vzor zkoušky se simulací

Pro popis a provádění zkoušky se simulací se jako základní struktura použije toto schéma:

7.1.1

účel;

7.1.2

model konstrukce;

7.1.3

mezní podmínky;

7.1.4

předpokládané zatížení;

7.1.5

výpočet;

7.1.6

vyhodnocení;

7.1.7

dokumentace.

7.2   Základní prvky počítačové simulace a výpočtu

7.2.1   Matematický model

Matematický model poskytne výrobce. Model musí odpovídat složitosti konstrukce zkoušeného vozidla, systému a konstrukčních částí s ohledem na požadavky regulačního aktu a jeho mezních podmínek. Stejná ustanovení obdobně platí pro zkoušení konstrukčních částí nebo technických celků nezávisle na vozidle.

7.2.2   Postup ověření matematického modelu

Matematický model se ověří porovnáním se skutečnými podmínkami zkoušky. Provede se praktická zkouška, jejíž výsledky se porovnají s výsledky získanými pomocí matematického modelu. Musí se prokázat srovnatelnost výsledků zkoušek. Výrobce nebo technická zkušebna vypracuje zprávu o ověření a předloží ji schvalovacímu orgánu. Jakákoli změna matematického modelu nebo software, která by mohla způsobit neplatnost zprávy o ověření, se oznámí schvalovacímu orgánu, jenž může požadovat provedení nového ověření. Vývojový diagram postupu ověřování je uveden v dodatku 3.

7.2.3   Dokumentace

Výrobce musí poskytnout údaje a pomocné nástroje použité pro simulaci a výpočet, které musí být vhodným způsobem zdokumentovány.

7.2.4   Nástroje a podpora

Výrobce na žádost technické zkušebny poskytne potřebné nástroje, včetně příslušného software, nebo k nim zajistí přístup.

7.2.5   Výrobce vedle toho poskytne technické zkušebně odpovídající podporu.

7.2.6   Technická zkušebna je i v případě, kdy je jí zajištěn přístup k příslušným nástrojům a poskytnuta podpora, vázána povinnostmi ohledně kvalifikace svých pracovníků, plateb poplatků za licenční práva a zachovávání důvěrnosti.

8.   Postup ověřování zkoušení se simulací

8.1

Obrázek 3-1

Diagram postupu ověřování zkoušení se simulací

Image

PŘÍLOHA IV

Požadavky týkající se shodnosti výroby

0.   Cíle

0.1

Postup zajištění shodnosti výroby má za cíl zajistit shodu každého vyrobeného vozidla, systému, konstrukční části a samostatného technického celku se schváleným typem.

0.2

Nedílnou součástí těchto postupů je posouzení systémů řízení jakosti (dále jen „úvodní posouzení“) a ověření a kontroly týkající se výroby (dále jen „opatření pro shodnost výrobků“).

1.   Úvodní posouzení

1.1

Před udělením schválení typu schvalovací orgán ověří, zda výrobce při výrobě uplatňuje uspokojivá opatření a postupy k zajištění účinné kontroly shodnosti vozidel, systémů, konstrukčních částí nebo samostatných technických celků se schváleným typem.

1.2

Pokyny pro provádění posouzení jsou obsaženy v normě EN ISO 19011:2011 – Směrnice pro auditování systému managementu jakosti a/nebo systému environmentálního managementu.

1.3

Požadavky bodu 1.1 se ověří ke spokojenosti schvalovacího orgánu udělujícího schválení typu. Schvalovací orgán musí vyjádřit spokojenost s úvodním posouzením a s opatřeními pro shodnost výrobku podle oddílu 2 níže, přičemž vezme podle potřeby v úvahu jedno z opatření popsaných v bodech 1.3.1 až 1.3.3 nebo popřípadě úplnou nebo částečnou kombinaci takových opatření.

1.3.1

Úvodní posouzení a/nebo ověření opatření pro shodnost výrobků provádí schvalovací orgán udělující schválení nebo technická zkušebna pověřená jednat jménem tohoto schvalovacího orgánu.

1.3.1.1

Při zvažování rozsahu úvodního posouzení může schvalovací orgán vzít v úvahu:

1.3.1.1.1

dostupné informace o certifikaci výrobce podle popisu v bodě 1.3.3 níže, která nebyla podle uvedeného bodu posouzena nebo uznána;

1.3.1.1.2

v případě schválení typu systémů, konstrukčních částí nebo samostatných technických celků dostupné informace o posouzeních systému jakosti provedených výrobcem vozidla v prostorách výrobce systému, konstrukční části nebo samostatných technických celků podle jedné nebo několika odvětvových specifikací, jež uspokojují požadavky norem EN ISO 9001:2008 nebo ISO/TS16949:2009.

1.3.2

Úvodní posouzení nebo ověřování opatření pro shodnost výroby může provádět schvalovací orgán jiného členského státu nebo technická zkušebna pověřená k tomuto účelu tímto schvalovacím orgánem.

1.3.2.1

V takovém případě schvalovací orgán jiného členského státu vystaví osvědčení o souladu, ve kterém uvede oblasti a výrobní zařízení, která shledal vyhovujícími z hlediska výrobku (výrobků), jehož/jejichž typ má být schválen, a z hlediska regulačních aktů EU, podle nichž má být typ těchto výrobků schválen.

1.3.2.2

Při přijetí žádosti o osvědčení o souladu od schvalovacího orgánu udělujícího schválení typu schvalovací orgán jiného členského státu osvědčení o souladu neprodleně zašle, nebo oznámí, že není schopen takové prohlášení poskytnout.

1.3.2.3

Osvědčení o souladu musí obsahovat alespoň tyto údaje:

1.3.2.3.1

skupina podniků nebo společnost (např. automobilka XYZ);

1.3.2.3.2

zvláštní útvar (např. regionální divize);

1.3.2.3.3

závody/provozy (např. provoz výroba motorů 1 (v zemi A) – provoz montáž automobilů 2 (v zemi B));

1.3.2.3.4

rozsah vozidel / konstrukčních částí (např. všechny modely kategorie LXe);

1.3.2.3.5

posuzované oblasti (např. montáž motorů, lisování a montáž karoserií, montáž vozidel);

1.3.2.3.6

zkoumané dokumenty (např. příručka jakosti a postupy společnosti a příslušného závodu);

1.3.2.3.7

datum posouzení (např. audit prováděn od dd/mm/rrrr do dd/mm/rrrr);

1.3.2.3.8

plánovaná kontrolní návštěva (např. mm/rrrr).

1.3.3

Schvalovací orgán může akceptovat také certifikaci výrobce podle mezinárodních norem EN ISO 9001:2008 nebo ISO/TS16949:2009 (rozsah této certifikace musí v tomto případě zahrnovat schvalovaný výrobek) nebo podle obdobné certifikační normy, která splňuje požadavky úvodního posouzení podle bodu 1.1, za předpokladu, že součástí systému řízení jakosti je shodnost výroby. Výrobce poskytne podrobné informace o certifikaci a zajistí, aby byl schvalovací orgán informován o každé změně platnosti nebo rozsahu této certifikace.

1.4

Pro účely schválení typu vozidla není třeba úvodní posouzení provedená pro udělení schválení typu systémů, konstrukčních částí a samostatných technických celků opakovat, musí však být doplněna o posouzení míst a činností spojených s montáží vozidla jako celku, které nebyly zahrnuty do předchozích posouzení.

2.   Opatření pro shodnost výrobků

2.1

Každé vozidlo, systém, konstrukční část, samostatný technický celek, součást nebo položka vybavení podle předpisu EHK OSN připojeného k revidované dohodě z roku 1958 a podle nařízení (EU) č. 168/2013 musí být vyrobeny tak, aby byly ve shodě se schváleným typem, a tedy aby splňovaly požadavky této přílohy, uvedeného předpisu (uvedených předpisů) EHK OSN a nařízení (EU) č. 168/2013.

2.2

Před udělením schválení typu podle nařízení (EU) č. 168/2013 a podle předpisu EHK OSN připojeného k revidované dohodě z roku 1958 ověří schvalovací orgán existenci odpovídajících opatření a dokumentovaných kontrolních plánů, které budou dohodnuty s výrobcem pro každé schválení, za účelem pravidelného provádění těchto zkoušek nebo souvisejících kontrol k ověření pokračující shody se schváleným typem, případně včetně zkoušek uvedených v nařízení (EU) č. 168/2013 a v uvedeném předpise EHK OSN.

2.3

Držitel schválení typu musí zejména:

2.3.1

zabezpečit existenci a využití postupů účinné kontroly shodnosti výrobků (vozidel, systémů, konstrukčních částí, samostatných technických celků, konstrukčních částí nebo vybavení) se schváleným typem;

2.3.2

mít přístup ke zkušebnímu nebo jinému vhodnému vybavení nezbytnému pro ověřování shodnosti s každým schváleným typem;

2.3.3

zajistit, aby byly výsledky zkoušek nebo kontrol zaznamenávány a aby připojené dokumenty byly dostupné po dobu až 10 let, která se stanoví dohodou se schvalovacím orgánem;

2.3.4

analyzovat výsledky každého druhu zkoušky nebo kontroly tak, aby byla ověřena a zajištěna stabilita vlastností výrobku s připuštěním odchylek v průmyslové výrobě;

2.3.5

zajistit, aby pro každý typ výrobku byly provedeny alespoň kontroly a zkoušky předepsané nařízením (EU) č. 168/2013 a jeho akty v přenesené pravomoci a dále kontroly a zkoušky uvedené v použitelných předpisech EHK OSN, na něž je odkazováno v uvedeném nařízení a aktech;

2.3.6

zajistit, aby po každém odběru vzorků nebo zkušebních dílů, který vykazuje při daném druhu zkoušky neshodnost, následoval nový odběr a zkoušky. Musí být podniknuty všechny kroky nezbytné k obnovení výrobního procesu a zajištění shody se schváleným typem.

2.4

V případě postupných, smíšených nebo vícestupňových schválení typu může schvalovací orgán, který uděluje schválení typu celého vozidla, vyžadovat od schvalovacího orgánu, který udělil schválení typu pro jakýkoli příslušný systém, konstrukční část nebo samostatný technický celek, zvláštní podrobnosti týkající se plnění požadavků na shodnost výroby podle této této přílohy.

2.5

Není-li schvalovací orgán, který uděluje schválení typu celého vozidla, spokojen s údaji nahlášenými podle bodu 2.4 a písemně toto oznámí výrobci a schvalovacímu orgánu, který uděluje schválení typu pro systém, konstrukční část nebo samostatný technický celek, vyžádá si schvalovací orgán, který uděluje schválení typu celého vozidla, provedení dodatečných auditů nebo kontrol shodnosti výroby, které budou provedeny v prostorách výrobce (výrobců) těchto systémů, konstrukčních součástí nebo samostatných technických celků, a výsledky se neprodleně sdělí dotčenému schvalovacímu orgánu.

2.6

Platí-li body 2.4 a 2.5 a nejsou-li výsledky dodatečného auditu nebo kontroly podle stanoviska schvalovacího orgánu, který uděluje typ schválení celého vozidla, uspokojivé, provede výrobce nápravné kroky s cílem co nejrychleji obnovit shodnost výroby ke spokojenosti schvalovacího orgánu, který uděluje schválení typu celého vozidla, a ke spokojenosti schvalovacího orgánu, který uděluje schválení typu pro systém, konstrukční součást nebo samostatný technický celek.

3.   Opatření pro průběžná ověřování

3.1

Orgán, který udělil schválení typu, může kdykoliv prostřednictvím pravidelných auditů ověřovat kontrolní postupy shodnosti výroby používané v každém výrobním provozu. Výrobce za tímto účelem umožní přístup ke svým výrobním, inspekčním, zkušebním, skladovacím a distribučním prostorám a poskytne veškeré nezbytné informace z dokumentace a záznamů systému řízení jakosti.

3.1.1

Tyto pravidelné audity se běžně zaměří na sledování trvalé účinnosti postupů stanovených v oddílech 1 a 2 (úvodní posouzení a opatření pro shodnost výrobků).

3.1.1.1

Dohled vykonávaný technickou zkušebnou (kvalifikovanou nebo uznanou podle bodu 1.3.3) se uzná jako vyhovující požadavkům bodu 3.1.1 z hlediska postupů stanovených při úvodním posouzení.

3.1.1.2

Běžná četnost těchto ověřování ze strany schvalovacího orgánu (jiných než podle bodu 3.1.1.1) musí být taková, aby byl zajištěn přezkum příslušných kontrol shodnosti výroby prováděných podle oddílů 1 a 2 v časových odstupech odpovídajících stupni důvěry schvalovacího orgánu.

3.2

Při každém přezkumu jsou inspektorovi k dispozici záznamy o zkouškách a kontrolách a výrobní záznamy, zejména pak záznamy o zkouškách nebo kontrolách dokumentovaných podle bodu 2.2.

3.3

Inspektor může namátkově vybrat vzorky, které se přezkoušejí v laboratoři výrobce, nebo v zařízeních technické zkušebny, v kterémžto případě se provedou pouze praktické zkoušky. Minimální počet vzorků lze určit podle výsledků vlastního ověřování prováděného výrobcem.

3.4

Zjistí-li se, že úroveň jakosti je neuspokojivá, nebo zdá-li se potřebné ověřit platnost zkoušek provedených podle bodu 3.2, vybere inspektor vzorky, které se odešlou do technické zkušebny k provedení praktických zkoušek v souladu s požadavky na shodnost výroby podle bodu 4 a podle předpisů EHK OSN uvedených v nařízení (EU) č. 168/2013 nebo v jeho aktech v přenesené pravomoci.

3.5

V případě, že jsou v průběhu inspekce nebo kontrolního přezkoumání zjištěny neuspokojivé výsledky, zajistí schvalovací orgán, aby byla co nejdříve přijata veškerá opatření nezbytná pro obnovení shodnosti výroby.

3.6

V případech, kdy shodu s předpisy EHK OSN vyžaduje nařízení (EU) č. 168/2013 nebo jeho akty v přenesené pravomoci, má výrobce možnost použít ustanovení této přílohy jako rovnocennou alternativu k požadavkům na shodnost výroby podle příslušných nařízení EHK OSN. Platí-li však body 3.5 nebo 3.6, musí být všechny samostatné požadavky na shodnost výroby podle předpisů EHK OSN splněny ke spokojenosti schvalovacího orgánu, než tento rozhodne, že shodnost výroby byla obnovena.

4.   Požadavky na zkoušky shodnosti výroby v případech neuspokojivé kontroly shodnosti výrobku podle bodu 3.4

4.1   Požadavky týkající se vlivu na životní prostředí a výkonnosti pohonné jednotky

4.1.1   Zkouška typu I na emise po studeném startu, typu II na emise při zvýšených volnoběžných otáčkách a typu VII na měření emisí CO2, spotřeby paliva, spotřeby elektrické energie a stanovení akčního dosahu na elektřinu

4.1.1.1   Vozidla musí být vyrobena v souladu se schváleným typem vozidla.

4.1.1.2   Provedou se příslušné kontroly shodnosti výroby za účelem ověření splnění podmínek podle bodu 4.1.1.1.

4.1.1.3   Vozidla poháněná pouze motorem s vnitřním spalováním:

4.1.1.3.1   Opatření k zajištění shodnosti výroby z hlediska výfukových emisí a emisí CO2 mají být obecně kontrolována na základě popisu v certifikátu schválení typu, jehož vzor stanoví čl. 30 odst. 2 nařízení (EU) č. 168/2013.

Kontrola shodnosti výroby je založena na posouzení auditního postupu výrobce, které provede schvalovací orgán a jehož cílem je zajistit shodnost výroby vyráběného vozidla z hlediska výfukových emisí a emisí CO2.

Není-li schvalovací orgán se standardem auditního postupu u výrobce spokojen, může požadovat provedení ověřovacích zkoušek na vozidlech ve výrobě.

4.1.1.3.1.1   Měření výfukových emisí a emisí CO2 na typu vozidla, který má jedno nebo více rozšíření schválení typu, se provádí na vozidle (vozidlech), které bylo předmětem zkoušek (vozidlo/vozidla popsané/á v dokumentaci k původnímu schválení typu nebo k jeho následujícím rozšířením).

4.1.1.3.1.1.1   Shoda vozidla v rámci zkoušky typu I na výfukové emise po studeném startu, a zkoušky typu VII na emise CO2

4.1.1.3.1.1.1.1   Ze série se namátkově vyberou tři vozidla, která se podrobí zkouškám podle požadavků článků 23 a 24 nařízení (EU) č. 168/2013. Faktory zhoršení se na průměr výsledků zkoušky typu I, zkoušky emisí znečišťujících látek, použijí následovně:

4.1.1.3.1.1.1.1.1

Je-li použita metoda životnosti podle čl. 23 odst. 3 písm. a) nařízení (EU) č. 168/2013, vypočtou se faktory zhoršení z výsledků emisních zkoušek typu I do a včetně celého nájezdu uvedeného v příloze VII části A nařízení (EU) č. 168/2013 a v souladu s metodou lineárního výpočtu uvedenou v bodě 4.1.1.3.1.1.1.1.2, kde výsledkem bude hodnota směrnice a pořadnice pro každou složku emise. Výsledky emisí znečišťujících látek v rámci zkoušek shodnosti výroby se vypočtou pomocí rovnice:

Rovnice 4-1:

Formula

kde:

a

=

hodnota směrnice stanovená podle zkoušky typu V podle přílohy V části A nařízení (EU) č. 168/2013;

b

=

hodnota pořadnice stanovená podle zkoušky typu V podle přílohy V části A nařízení (EU) č. 168/2013;

x

=

výsledek zkoušky na emise znečišťujících látek (HC, CO, NOx, NMHC a případně PM) pro každou složku emise u vozidla po záběhu (maximálně 100 km po prvním nastartování na výrobní lince) v mg/km.

y

=

výsledek emisí na každou znečišťující složku emise v rámci zkoušek shodnosti výroby v mg/km. Průměrné výsledky v rámci zkoušek shodnosti výroby musí být nižší než limitní hodnoty znečišťujících emisí uvedené v příloze VI části A nařízení (EU) č. 168/2013.

4.1.1.3.1.1.1.1.2

Je-li použita metoda životnosti podle čl. 23 odst. 3 písm. b) nařízení (EU) č. 168/2013, faktor zhoršení sestává z hodnoty směrnice a hodnoty pořadnice pro každou složku emise vypočtených tak, aby vyhověly zkoušce typu V podle přílohy V části A nařízení (EU) č. 168/2013. K výpočtu výsledků emisí v rámci zkoušek shodnosti výroby na každou znečišťující složku emise (y) se použije rovnice 4-1.

4.1.1.3.1.1.1.1.3

Je-li použita metoda životnosti podle čl. 23 odst. 3 písm. c) nařízení (EU) č. 168/2013, hodnotami směrnice jsou pevné faktory zhoršení uvedené v příloze VII části A nařízení (EU) č. 168/2013 a hodnotou pořadnice je 0. K výpočtu průměrných výsledků emisí v rámci zkoušek shodnosti výroby na každou znečišťující složku emise (y) se použije rovnice 4-1.

4.1.1.3.1.1.1.1.4

Průměrné výsledky zkoušky typu VII (emise CO2, spotřeba paliva/energie a případně akční dosah na elektřinu) musí být nižší nebo rovny hodnotám deklarovaným výrobcem při schválení typu.

4.1.1.3.1.1.1.1.5

Pokud průměrné emise prvních dvou vozidel splní požadavky bodu 4.1.1.3.1.1.1.1, pak se shodnost výroby považuje za uspokojivou.

4.1.1.3.1.1.1.2   Pokud průměrné emise prvních dvou vozidel požadavky nesplní, pokračuje postup zkoušky shodnosti výroby následovně:

4.1.1.3.1.1.1.2.1

Pokud je orgán spokojen se směrodatnou odchylkou výroby, kterou udává výrobce, provedou se zkoušky podle bodu 4.1.1.3.2.

4.1.1.3.1.1.1.2.2

Pokud orgán není spokojen se směrodatnou odchylkou výroby, kterou udává výrobce, provedou se zkoušky podle bodu 4.1.1.3.3.

4.1.1.3.1.1.1.3   Výroba série se považuje za shodnou nebo neshodnou na základě zkoušek tří vybraných vozidel, jakmile je dosaženo kritéria vyhovění nebo nevyhovění u výfukových emisí a emisí CO2 podle zkušebních kritérií v příslušné tabulce.

Není-li dosaženo kritérium vyhovění nebo nevyhovění u výfukových emisí a emisí CO2, provede se zkouška na dalším vozidle (viz obrázek 4-1).

4.1.1.3.1.1.1.4   U periodicky se regenerujících systémů se výsledky vynásobí faktorem Ki získaným v době, kdy bylo uděleno schválení typu.

Na žádost výrobce lze zkoušky vykonat bezprostředně po ukončení regenerace.

Obrázek 4-1

Kritéria pro vyhovění a nevyhovění u zkoušek typu I, II a VII

Image

4.1.1.3.1.1.2   Bez ohledu na environmentální požadavky v článcích 23 a 24 nařízení (EU) č. 168/2013 budou zkoušky provedeny na vozidlech, která po prvním nastartování na výrobní lince ujela maximální vzdálenost 100 km.

4.1.1.3.1.1.2.1   Na žádost výrobce se však zkoušky provádějí na vozidlech, která najela nejvýše 1 000 km.

V tomto případě provede záběh výrobce, který se zaváže, že na těchto vozidlech neprovede žádná seřízení.

4.1.1.3.1.1.2.2   Pokud výrobce žádá o povolení provést záběh („x“ km, kde x ≤ 1 000 km), může být tento záběh proveden takto:

Výfukové emise a emise CO2 se změří při maximálně 100 km ujetých od prvního nastartování na výrobní lince a při „x“ km na prvním testovaném vozidle (které může být vozidlem, na kterém proběhlo schválení typu);

Součinitel vývoje emisí (EC) mezi 100 km a „x“ km se vypočte takto:

Rovnice 4-2:

Formula

Hodnota EC může být nižší než 1.

Následná vozidla nepodléhají záběhu, jejich emise na 100 km však budou změněny součinitelem vývoje emisí.

V tomto případě se uvažují tyto hodnoty:

 

Hodnota při „x“ km pro první vozidlo;

 

Hodnoty při max. 100 km násobené součinitelem vývoje emisí pro následující vozidla.

4.1.1.3.1.1.2.3   Jako alternativu k tomuto postupu může výrobce použít pevně stanovený součinitel vývoje emisí v hodnotě 0,92 a vynásobit tímto faktorem všechny hodnoty výfukových emisí a emisí CO2 naměřené v nultém kilometru.

4.1.1.3.1.1.2.4   Zkoušky shodnosti výroby mohou být provedeny s palivem obchodní jakosti, jehož poměr C3/C4 v případě LPG leží mezi hodnotami poměru u referenčních paliv uvedených v příloze II části A1 nařízení (EU) č. 168/2013 nebo jehož Wobbeho index v případě NG nebo H2NG leží mezi Wobbeho indexy extrémních referenčních paliv. V uvedeném případě musí být schvalovacímu orgánu předložena analýza paliva.

4.1.1.3.2   Shodnost výroby, pokud jsou k dispozici statistická data výrobce

4.1.1.3.2.1   Následující body popisují postup, který se použije k ověření požadavků na shodnost výroby z hlediska výfukových emisí a emisí CO2, je-li směrodatná odchylka výroby udaná výrobcem opět uspokojivá.

4.1.1.3.2.2   Postup odběru vzorků při velikosti souboru nejméně tří vzorků je stanoven tak, aby pravděpodobnost, že soubor při zkoušce vyhoví i při 40 % vadné výroby, byla rovna 0,95 (riziko výrobce = 5 %), zatímco pravděpodobnost, že soubor bude přijat i při 65 % vadné výroby, byla rovna 0,1 (riziko spotřebitele = 10 %).

4.1.1.3.2.3   Použije se následující postup (viz obrázek 4-1):

Je-li L přirozeným logaritmem limitních hodnot výfukových emisí podle přílohy VI části A nařízení (EU) č. 168/2013 a hodnotou emisí CO2 deklarovanou ve schválení typu, pak:

xi

=

přirozený logaritmus naměřené hodnoty pro i-té vozidlo ze souboru vzorků;

s

=

odhad směrodatné odchylky výroby (po vypočtení přirozeného logaritmu změřených hodnot);

n

=

velikost vzorku.

4.1.1.3.2.4   Pro daný vzorek se vypočte statistická charakteristika zkoušky, která kvantifikuje úhrn směrodatných odchylek k limitní hodnotě a která je definována vzorcem:

Rovnice 4-2:

Formula

4.1.1.3.2.5   Pak:

4.1.1.3.2.5.1

je-li statistická charakteristika zkoušky větší než hodnota kritéria pro vyhovění série uvedená v tabulce 4-1, je výsledek zkoušky vyhovující;

4.1.1.3.2.5.2

je-li statistická charakteristika zkoušky nižší než hodnota kritéria pro nevyhovění série uvedená v tabulce 4-1, je výsledek zkoušky nevyhovující;

4.1.1.3.2.5.3

v ostatních případech se zkoušce podle přílohy II části A nařízení (EU) č. 168/2013 podrobí další vozidlo a použije se postup pro výběr o jeden zkušební vzorek větší.

4.1.1.3.2.5.4

Tabulka 4-1

Kritéria vyhovění/nevyhovění podle velikosti vzorku; shodnost výroby, jsou-li statistická data výrobce k dispozici

Velikost vzorku

(kumulativní počet zkoušených vozidel)

Hodnota kritérií vyhovění

Hodnota kritérií nevyhovění

(a)

(b)

(c)

3

3,327

–4,724

4

3,261

–4,79

5

3,195

–4,856

6

3,129

–4,922

7

3,063

–4,988

8

2,997

–5,054

9

2,931

–5,12

10

2,865

–5,185

11

2,799

–5,251

12

2,733

–5,317

13

2,667

–5,383

14

2,601

–5,449

15

2,535

–5,515

16

2,469

–5,581

17

2,403

–5,647

18

2,337

–5,713

19

2,271

–5,779

20

2,205

–5,845

21

2,139

–5,911

22

2,073

–5,977

23

2,007

–6,043

24

1,941

–6,109

25

1,875

–6,175

26

1,809

–6,241

27

1,743

–6,307

28

1,677

–6,373

29

1,611

–6,439

30

1,545

–6,505

31

1,479

–6,571

32

–2,112

–2,112

4.1.1.3.3   Shodnost výroby, jsou-li statistické údaje výrobce nevyhovující, nebo nejsou-li k dispozici

4.1.1.3.3.1   Následující body popisují postup, který se použije k ověření požadavků na shodnost výroby z hlediska výfukových emisí a emisí CO2, je-li směrodatná odchylka výroby udaná výrobcem buď neuspokojivá, nebo není-li k dispozici.

4.1.1.3.3.2   Postup odběru vzorků při velikosti souboru nejméně tří vzorků je stanoven tak, aby pravděpodobnost, že soubor při zkoušce vyhoví i při 40 % vadné výroby, byla rovna 0,95 (riziko výrobce = 5 %), zatímco pravděpodobnost, že soubor bude přijat i při 65 % vadné výroby, byla rovna 0,1 (riziko spotřebitele = 10 %).

4.1.1.3.3.3   Hodnoty měření výfukových emisí a emisí CO2 se rozumějí v logaritmicko-normálním rozdělení a nejprve je třeba je transformovat stanovením jejich přirozených logaritmů. Minimální a maximální velikost souboru se označí jako mo a m (mo = 3, m = 32) a počet vzorků v souboru jako n.

4.1.1.3.3.4   Jsou-li x1, x2, … xj přirozenými logaritmy měřených hodnot v sérii a je-li L přirozeným logaritmem limitních hodnot znečišťujících emisí podle přílohy VI části A nařízení (EU) č. 168/2013 a hodnotou emisí CO2 deklarovanou ve schválení typu, pak:

Rovnice 4-3:

Formula

Formula

Formula

4.1.1.3.3.5   Tabulka 4-2 níže udává hodnoty kritéria vyhovění (An) a nevyhovění (Bn) v závislosti na velikosti posuzovaného vzorku. Statistická charakteristika zkoušky je poměr Formula a použije se ke stanovení, zda série vyhověla nebo nevyhověla, takto:

pro mo ≤ n ≤ m:

4.1.1.3.3.5.1

série vyhověla, pokud

Formula

;

4.1.1.3.3.5.2

série nevyhověla, pokud

Formula

;

4.1.1.3.3.5.3

nové měření, pokud

Formula

Tabulka 4-2

Kritéria vyhovění/nevyhovění podle velikosti vzorku; shodnost výroby, jsou-li statistické údaje výrobce nevyhovující, nebo nejsou-li k dispozici

Velikost vzorku

(kumulativní počet zkoušených vozidel)

Hodnota kritérií vyhovění

An

Hodnota kritérií nevyhovění

Bn

(a)

(b)

(c)

3

–0,80380

16,64743

4

–0,76339

7,68627

5

–0,72982

4,67136

6

–0,69962

3,25573

7

–0,67129

2,45431

8

–0,64406

1,94369

9

–0,61750

1,59105

10

–0,59135

1,33295

11

–0,56542

1,13566

12

–0,53960

0,97970

13

–0,51379

0,85307

14

–0,48791

0,74801

15

–0,46191

0,65928

16

–0,43573

0,58321

17

–0,40933

0,51718

18

–0,38266

0,45922

19

–0,35570

0,40788

20

–0,32840

0,36203

21

–0,30072

0,32078

22

–0,27263

0,28343

23

–0,24410

0,24943

24

–0,21509

0,21831

25

–0,18557

0,18970

26

–0,15550

0,16328

27

–0,12483

0,13880

28

–0,09354

0,11603

29

–0,06159

0,09480

30

–0,02892

0,07493

31

0,00449

0,05629

32

0,03876

0,03876

4.1.1.3.3.6   Poznámky

Následující rekurzivní vzorce jsou užitečné pro výpočet postupných hodnot statistické charakteristiky zkoušek:

Rovnice 4-4:

Formula

Formula

(n=2, 3, …; Formula; v1=0)

4.1.1.3.4   Schvalovací orgány vydávající schválení typu mohou kdykoliv ověřit metody používané v každé výrobní jednotce.

4.1.1.3.5   Při každé kontrole se záznamy zkoušek a sledování výroby předloží přítomnému inspektorovi.

4.1.1.3.6   Inspektor může namátkově vybrat vzorky, které se přezkoušejí v laboratoři výrobce. Minimální počet vzorků může být stanoven podle výsledků vlastních kontrol výrobce.

4.1.1.3.7   Pokud se úroveň kontrol zdá neuspokojivá nebo pokud se zdá nezbytné ověřit platnost zkoušek provedených podle bodu 9.4.2.2, odebere inspektor vzorky, které se odešlou do technické zkušebny, která provedla zkoušky pro schválení typu.

4.1.1.3.8   Schvalovací orgány mohou provádět všechny zkoušky předepsané touto přílohou.

4.1.1.4   Vozidla poháněná hybridním elektrickým hnacím ústrojím

Opatření k zajištění shodnosti výroby z hlediska výfukových emisí a emisí CO2, spotřeby elektrické energie a akčního dosahu na elektřinu u hybridních elektrických vozidel jsou obecně kontrolována na základě popisu v certifikátu schválení typu, jehož vzor stanoví čl. 30 odst. 2 nařízení (EU) č. 168/2013.

Kontroly shodnosti výroby jsou založeny na schvalovacím orgánem prováděném posouzení auditního postupu výrobce pro zajištění shodnosti typu vozidla z hlediska výfukových emisí a emisí CO2, spotřeby elektrické energie a akčního dosahu.

Není-li orgán se standardem auditního postupu u výrobce spokojen, může požadovat provedení ověřovacích zkoušek na vozidlech ve výrobě.

Shodnost z hlediska výfukových emisí a emisí CO2 se ověřuje pomocí statistických postupů popsaných v bodech 4.1.1.3.1 až 4.1.1.3.3. Vozidla jsou podrobena zkoušce podle postupu popsaného v příloze II části A nařízení (EU) č. 168/2013.

4.1.1.5   Náhradní zařízení k regulaci znečišťujících látek

4.1.1.5.1   Za účelem provedení zkoušky shodnosti podle shora uvedených požadavků se z výrobní linky schváleného typu vozidla odebere jako vzorek náhradní zařízení k regulaci znečišťujících látek.

4.1.1.5.2   Výroba je ve shodě s ustanoveními této přílohy, vyhoví-li reprezentativní základní vozidlo, které je vybaveno zařízením k regulaci znečišťujících látek namátkově odebraným z výrobní linky, příslušným požadavkům uvedeným v článku 23 nařízení (EU) č. 168/2013 ohledně vlivu na životní prostředí. Výkonnost pohonu reprezentativního základního vozidla se změří podle přílohy II části A nařízení (EU) č. 168/2013 a nesmí přesáhnout výkonnost pohonné jednotky původního zařízení k regulaci znečišťujících látek, které nahrazuje.

4.1.1.6   Postup v případě neshodnosti výroby

Pokud je v průběhu inspekce zjištěna neshodnost, schvalovací orgán zajistí, aby byly co nejdříve provedeny všechny kroky nezbytné pro obnovení shodnosti výroby.

4.1.1.7   Postihy za neshodnost výroby

4.1.1.7.1   Nejsou-li splněny požadavky podle bodu 4.1.1.1, může dojít k odnětí schválení typu vozidla.

4.1.1.7.2   Odejme-li členský stát schválení typu, které předtím udělil, oznámí to neprodleně ostatním členským státům.

4.1.2   Shodnost výroby z hlediska zkoušky typu IV na emise způsobené vypařováním

Pro běžné zkoušení na konci výrobní linky může výrobce prokázat vyhovění odebráním vzorků u vozidel, která musí splnit následující požadavky. Případně může být proveden celý zkušební postup popsaný v této příloze. Na žádost výrobce lze použít alternativní zkušební postup, pokud byla během postupu schválení typu taková zkouška ke spokojenosti schvalovacího orgánu předvedena technické zkušebně a ta ji akceptovala.

4.1.2.1   Zkouška těsnosti

4.1.2.1.1   Odvzdušňovací otvory vedoucí ze systému pro regulaci emisí způsobených odpařováním do atmosféry musí být utěsněny.

4.1.2.1.2   Na palivový systém se vyvine tlak o velikosti 3,7 kPa ±0,1 kPa (370 ±10 mm H2O).

4.1.2.1.3   Před izolováním palivového systému od zdroje tlaku se musí tlak v systému ustálit.

4.1.2.1.4   Po izolování palivového systému nesmí tlak klesnout o více než 0,5 kPa (50 mm H2O) během pěti minut.

4.1.2.2   Zkouška odvzdušnění

4.1.2.2.1   Odvzdušňovací otvory ze systému pro regulaci emisí do atmosféry musí být utěsněny.

4.1.2.2.2   Na palivový systém se vyvine tlak o velikosti ± 0,1 kPa (370 ± 10 mm H2O).

4.1.2.2.3   Před izolováním palivového systému od zdroje tlaku se musí tlak v systému ustálit.

4.1.2.2.4   Odvzdušňovací otvory ze systému pro regulaci emisí do atmosféry se opět uvedou do výrobního stavu.

4.1.2.2.5   Tlak v palivovém systému musí klesnout pod 1,0 kPa (100 mm H2O) během dvou minut.

4.1.2.3   Zkouška vyplachování

4.1.2.3.1   Na vstup vyplachování se připojí přístroj schopný detekovat rychlost průtoku vzduchu 0,25 l/min a přes přepínací ventil se na vstup vyplachování připojí tlaková nádoba dostatečného rozměru, aby měla zanedbatelný vliv na systém vyplachování, nebo:

4.1.2.3.2   výrobce může použít průtokoměr podle vlastního výběru, pokud je přijatelný pro příslušný orgán.

4.1.2.3.3   Vozidlo musí být provozováno takovým způsobem, aby byla zjištěna každá konstrukční vlastnost systému vyplachování, která by mohla omezit funkci vyplachování, a okolnosti se zaznamenají.

4.1.2.3.4   S motorem pracujícím v mezích uvedených v tomto bodě se jednou z následujících metod určí průtok vzduchu:

4.1.2.3.4.1

připojením zařízení je sledován pokles tlaku z hodnoty atmosférického tlaku na úroveň, kdy za jednu minutu do systému k regulaci emisí způsobených vypařováním nateče 0,25 l vzduchu, nebo

4.1.2.3.4.2

použitím jiného zařízení k měření průtoku s měřitelným průtokem nejméně 0,25 l/min.

4.1.2.3.4.3

Na žádost výrobce lze použít alternativní zkoušku vyplachování, pokud byla během postupu schválení typu taková zkouška předvedena technické zkušebně a ta ji akceptovala.

4.1.2.4   Metody kontroly

4.1.2.4.1   Schvalovací orgán, který udělil schválení typu, může kdykoliv ověřit postupy pro kontrolu shodnosti výroby, které jsou použity v každém výrobním závodě.

4.1.3   Zkouška typu VIII na hladinu akustického tlaku

4.1.3.1   Shoda vozidla, pokud jde o hladinu akustického tlaku

Každé vyrobené vozidlo musí být ve shodě se schváleným typem vozidla a musí být vybaveno tlumičem, se kterým byl typ vozidla schválen, a splňovat požadavky podle článku 23 a přílohy VI části D nařízení (EU) č. 168/2013 týkající se typu daného vozidla.

4.1.3.1.1   K ověření výše požadované shodnosti se z výrobní linky odebere jako vzorek vozidlo takového typu, který byl schválen podle tohoto bodu 4.1.3. Výroba vyhovuje ustanovením tohoto bodu, pokud hladina akustického tlaku měřená zkušební metodou podle přílohy VI části D nařízení (EU) č. 168/2013 nepřekročí hodnotu naměřenou v době schválení typu o více než 3 dB (A) ani mezní hodnoty stanovené v tomto bodě o více než 1 dB (A).

4.1.3.2   Shodnost výroby neoriginálního náhradního výfukového systému

4.1.3.2.1   Každý vyrobený výfukový systém musí být shodný s typem schváleným podle tohoto bodu a musí splňovat požadavky přílohy VI části D nařízení (EU) č. 168/2013 týkající se typu vozidla, pro který je určen.

4.1.3.2.2   K ověření výše požadované shodnosti se z výrobní linky odebere jako vzorek výfuk typu, který byl schválen podle tohoto bodu 4.1.3.

4.1.3.2.3   Výroba vyhovuje tomuto bodu 4.1.3, pokud jsou splněny požadavky podle přílohy VI části D nařízení (EU) č. 168/2013 a pokud hladina akustického tlaku naměřená zkušební metodou podle uvedené přílohy nepřesáhne hodnotu naměřenou v době schválení typu o více než 3 dB (A).

4.1.4   Požadavky na shodnost výroby, pokud jde o maximální konstrukční rychlost vozidla, maximální točivý moment, maximální trvalý jmenovitý výkon a maximální špičkový výkon

4.1.4.1   Odchylky měření maximální rychlosti vozidla během zkoušky shodnosti výroby

Během zkoušky shodnosti výroby se maximální konstrukční rychlost vozidla může lišit o ±5 % od hodnoty stanovené při schvalovací zkoušce typu.

4.1.4.2   Odchylky měření maximálního točivého momentu, maximálního trvalého jmenovitého výkonu, maximálního netto výkonu a maximálního špičkového výkonu

Tabulka 4-3

Odchylka měření maximálního točivého momentu, maximálního trvalého jmenovitého výkonu, maximálního netto výkonu a maximálního špičkového výkonu v závislosti na naměřeném výkonu

Naměřený výkon

Přípustná odchylka maximálního točivého momentu, maximálního trvalého jmenovitého výkonu, maximálního netto výkonu a maximálního špičkového výkonu

< 1 kW

≤ 20 %

1 kW ≤ naměřený výkon < 11 kW

≤ 10 %

> 11 kW

≤ 5 %

4.1.5   Požadavky na shodnost výroby, pokud jde o hmotnost v provozním stavu

Hmotnost vozidla kategorie L v provozním stavu se může od jmenovité hodnoty odchýlit nejvýše o 8 %, pokud jde o přípustnou dolní a horní odchylku, což je záporná a kladná odchylka od deklarované jmenovité hodnoty v mezích hmotnosti v provozním stavu podle přílohy I nařízení (EU) č. 168/2013.

5.   Přezkum přípustných odchylek hmotnosti v provozním stavu

Bez ohledu na to, zda platí bod 4, členské státy do 31. prosince 2019 poskytnou Komisi statistické údaje o skutečných odchylkách hmotnosti v provozním stavu pozorovaných během sledování shodnosti výroby. Tyto statistické údaje musí obsahovat hmotnost v provozním stavu naměřenou při schválení typu a jakékoli naměřené kladné či záporné odchylky vysledované během posuzování shodnosti výroby na výrobní lince a uvedené jako procento hmotnosti v provozním stavu při schválení typu. Na základě těchto údajů pak Komise vyhodnotí, zda je či není nutné přezkoumat maximální povolenou procentuální odchylku uvedenou v bodě 4.1.5.

PŘÍLOHA V

Požadavky týkající se spojovacích zařízení pro připojení přívěsů a jejich uchycení

1.   Oblast působnosti

1.1

Tato příloha se týká spojovacích zařízení pro připojení přívěsů a jejich uchycení u vozidel kategorie L, pokud jsou jimi vybavena.

1.2

Tato příloha stanoví požadavky, které musí splňovat spojovací zařízení vozidel kategorie L, aby byly zajištěny:

1.2.1

kompatibilita připojení různých typů přívěsů k vozidlům kategorie L;

1.2.2

bezpečné připojení za každých podmínek používání vozidel;

1.2.3

bezpečný postup připojení a rozpojení.

2.   Obecné požadavky

2.1

Spojovací zařízení pro vozidla kategorie L musí být vyrobena a připevněna v souladu s osvědčenou technickou praxí a jejich provoz musí být bezpečný. Mohou být schválena jako samostatné technické celky podle tohoto nařízení nebo schválena podle předpisu EHK OSN č. 55 (1).

2.2

Spojovací zařízení musí být konstruována a vyrobena tak, aby při normálním užívání, správné údržbě a včasné výměně částí podléhajících opotřebení trvale uspokojivě fungovala.

2.3

Ke každému spojovacímu zařízení musí být přiložen návod k montáži a obsluze obsahující dostatečné informace k tomu, aby je způsobilá osoba mohla namontovat na vozidlo a správně je provozovat. Návody musí být v úředním jazyce nebo jazycích členského státu, ve kterém bude zařízení nabízeno k prodeji.

2.4

Mohou se užít jen takové materiály, jejichž vlastnosti potřebné k danému účelu jsou stanoveny normou, nebo takové, jejichž vlastnosti jsou uvedeny v dokumentaci přiložené k žádosti o schválení.

2.5

Všechny části spojovacích zařízení, jejichž porucha by mohla mít za následek rozpojení obou vozidel, musí být vyrobeny z oceli. Jiné materiály mohou být použity, jen když výrobce ke spokojenosti technické zkušebny prokáže jejich rovnocennost.

2.6

Všechna spojovací zařízení musí být konstruována pro spojení mechanickým tvarovým uzávěrem a musí být zajištěna ve spojené poloze mechanicky nejméně jedním tvarovým uzávěrem.

2.7

Je-li vozidlo kategorie L vybaveno spojovacím zařízením, musí být použita kulová hlavice podle specifikací v dodatku 1, obrázek Ap1-1. Typ spojení musí být vybrán a umístěn tak, aby poskytoval maximální kompatibilitu s řadou typů přívěsů. Lze použít i jiná zařízení než kulové hlavice, a to za předpokladu, že jsou splněny požadavky bodu 2.8 a že kompatibilita a zaměnitelnost přívěsů není ani nutná, ani možná (jízdní soupravy stálého složení).

2.8

Spojovací zařízení musí být konstruována tak, aby vyhovovala požadavkům na provoz, umístění, mobilitu a pevnost v souladu s body 2.9, 2.10, 2.11, 3, 4 a 5.

2.9

Spojovací zařízení musí být konstruována a připevněna tak, aby byla zajištěna maximální bezpečnost v souladu s osvědčenou technickou praxí; to platí také pro provozování takového spojení.

2.10

Připojení a rozpojení vozidel musí být proveditelné jednou osobou bez použití nářadí.

2.11

Manipulovat s odpojitelnými spojovacími zařízeními musí být možné rukou a bez použití nářadí.

2.12

Při uvádění výrobků na trh musí výrobci spojovacích zařízení nebo vozidel poskytnout spotřebiteli pokyny a informace o změněných jízdních vlastnostech vozidla kategorie L s připojeným přívěsem, a to ve všech úředních jazycích.

3.   Požadavky na umístění

3.1

Spojovací zařízení připevněná k vozidlům musí zajišťovat ničím neomezený a bezpečný provoz.

3.2

Kulové hlavice připevněné k vozidlům musí splňovat geometrické požadavky uvedené na obrázku Ap1-2 dodatku 1.

3.3

Výšková poloha bodu spojení spojovacího zařízení jiného než kulová hlavice musí odpovídat výškové poloze bodu spojení oje přívěsu v rozsahu ±35 mm, za předpokladu, že přívěs je ve vodorovné poloze.

3.4

Tvar a rozměry tažných zařízení musí splňovat požadavky výrobce vozidla z hlediska bodů připevnění a všech doplňkových zařízení pro montáž k vozidlu.

3.5

Musí být splněny požadavky výrobce vozidla na typ spojovacího zařízení, přípustnou hmotnost přívěsu a přípustné statické svislé zatížení v bodě spojení.

3.6

Namontované spojovací zařízení nesmí ztížit viditelnost zadní státní poznávací značky a/nebo světel; v opačném případě je nutno použít spojovací zařízení, které lze odmontovat bez zvláštního nářadí.

3.7

Výrobci tažných zařízení vybaví tato zařízení body uchycení, ke kterým lze připevnit buď sekundární spojení nebo zařízení, která jsou nutná pro automatické zastavení přívěsu v případě rozpojení hlavního spojení.

3.7.1

Body uchycení sekundárního spojení a/nebo lanka rozpojovací brzdy musí být umístěny tak, aby sekundární spojovací zařízení nebo lanko rozpojovací brzdy při použití nebránily běžné pohyblivosti spojení a nenarušily obvyklou setrvačnou funkci brzdového systému.

3.7.2

Jediný bod uchycení musí být umístěn v rozmezí 100 mm od svislé roviny procházející středem připojení spojovacího zařízení. Pokud to není proveditelné, musí být zařízení vybaveno dvěma body uchycení, a to na každé straně svislé střednice ve stejné vzdálenosti nejvýše 250 mm od této střednice. Body uchycení budou umístěny co nejvíce vzadu a co nejvýše.

4.   Požadavky na pohyblivost

4.1

U spojovacího zařízení, které není namontováno na vozidle, musí být zajištěna následující pohyblivost:

4.1.1

Úhel volného svislého klonění 20° nad a pod vodorovnou osou ve všech úhlech natočení ve vodorovné rovině nejméně do 90° na každou stranu od podélné osy zařízení.

4.1.2

Ve všech úhlech natočení ve vodorovné rovině až do 90° na každou stranu od podélné osy zařízení musí úhel volného osového klopení na každou stranu od svislé osy být 25° u tříkolových a čtyřkolových vozidel anebo 40° u dvoukolových vozidel.

4.2

Ve všech úhlech natočení ve vodorovné rovině musí být možné následující kombinace pohyblivosti:

4.2.1

u dvoukolových vozidel, kromě případů, kdy je zařízení použito k připojení jednokolového přívěsu, který se naklání s dvoukolovým vozidlem:

4.2.1.1

svislé klonění ±15° s osovým klopením ±40°;

4.2.1.2

osové klopení ±30° se svislým kloněním ±20°;

4.2.2

u tříkolových vozidel nebo čtyřkolek:

4.2.2.1

svislé klonění ±15° s osovým klopením ±25°;

4.2.2.2

osové klopení ±10° se svislým kloněním ±20°.

4.3

Kulovou hlavici musí být možno připojit a odpojit, jestliže podélná osa kulové hlavice vzhledem ke střednici kulové hlavice s držákem:

4.3.1

ve vodorovné rovině svírá úhel β = 60° doprava nebo doleva;

4.3.2

ve svislé rovině svírá úhel α = 10° nahoru nebo dolů;

4.3.3

je osově natočena o 10° doprava nebo doleva.

5.   Požadavky na pevnost

5.1   Provede se dynamická zkouška pevnosti (zkouška únavy).

5.1.1   Zkouška únavy se provádí pomocí střídavého, přibližně sinusového zatížení, přičemž počet zatěžovacích kmitů závisí na materiálu. Nesmí se objevit trhliny nebo lomy nebo jiné viditelné vnější poškození ani nepřiměřená trvalá deformace, která by ohrožovala uspokojivý provoz zařízení.

5.1.2   Základem zatížení při dynamické zkoušce je hodnota D uvedená níže. Statické svislé zatížení se uvažuje ve směru zkušebního zatížení vzhledem k vodorovné rovině v závislosti na poloze bodu spojení a statickém svislém zatížení přípustném v bodě spojení.

Rovnice 3-1:

Formula

kde

T

=

maximální technicky přípustná hmotnost tažného vozidla v tunách,

R

=

maximální technicky přípustná hmotnost přívěsu v tunách,

g

=

normální tíhové zrychlení (uvažuje se g = 9,81 m/s2).

5.1.3   Charakteristické hodnoty D a S, na kterých je zkouška založena, jsou uvedeny v žádosti výrobce o schválení typu, přičemž S je maximální přípustné statické svislé zatížení (v kg) v bodě spojení.

5.2   Zkušební postup

5.2.1   Pro účel dynamické zkoušky se vzorek umístí do vhodného zkušebního stavu s vhodným způsobem působení síly tak, aby na vzorek nepůsobily žádné jiné síly nebo momenty kromě specifikované zkušební síly. Při zkouškách se střídavým zatížením se směr působící síly nesmí odchýlit od stanoveného směru o více než ±10°. Aby nedošlo k působení nespecifikovaných sil a momentů na vzorek, může být nutné použít jeden kloub v působišti síly a druhý kloub v přiměřené vzdálenosti od něj.

5.2.2   Frekvence při zkoušce nesmí být větší než 35 Hz. Zvolená frekvence musí být dostatečně oddělena od rezonančních frekvencí zkušební sestavy včetně zkoušeného zařízení. Pro spojovací zařízení z oceli musí být počet zatěžovacích kmitů 2 × 106. Pro spojovací zařízení z jiných materiálů může být požadován vyšší počet zatěžovacích kmitů. Test trhlin se obecně provádí kapilární metodou zjišťování trhlin barevnou kapalinou; přípustné jsou rovněž jiné rovnocenné metody.

5.2.3   Testovaná spojovací zařízení se ke zkušebnímu stavu připevní co nejpevněji, a to v takové poloze, v jaké budou používána na vozidle. Zařízení k připevnění musí být totožná s těmi, která specifikoval výrobce nebo žadatel, a musí jít o zařízení určená k připevnění spojovacích zařízení k vozidlu a/nebo mít shodné mechanické vlastnosti.

5.2.4   Zkušební podmínky

5.2.4.1

Spojovací zařízení musí být pokud možno podrobena zkoušce v původním stavu tak, jak jsou určena k použití v silničním provozu. Podle uvážení výrobce a se souhlasem technické zkušebny lze neutralizovat pružné části spojovacího zařízení, je-li to nutné pro účely zkoušky a není-li se třeba obávat, že tento krok nereálným způsobem ovlivní výsledek zkoušky.

5.2.4.2

Dojde-li během tohoto zrychleného zkušebního postupu ke zjevnému přehřátí pružných částí spojovacího zařízení, lze tyto části během zkoušky vyměnit.

5.2.4.3

Zkušební zatížení lze aplikovat pomocí zvláštních zařízení bez vůle.

5.2.4.4

Zařízení odeslaná ke zkoušce musí být vybavena veškerými konstrukčními detaily, které mohou mít vliv na kritéria pevnosti (např. desky pro elektrické konektory, případná označení, atd.). Oblast zkoušení je ohraničena kotevními body nebo montážními body. Výrobce vozidla poskytne informace o geometrickém umístění kulové hlavice a bodů připevnění spojovacího zařízení vzhledem ke vztažné přímce a tyto informace budou uvedeny ve zkušebním protokolu.

5.2.4.5

Na zkušební lavici musí být reprodukovány všechny relativní polohy bodů uchycení vzhledem k vztažné přímce, jak je uvedeno v dodatku 2, o nichž musí výrobce tažného vozidla dodat výrobci tažného zařízení všechny potřebné informace.

5.3   Zkouška kulových hlavic a tažných zařízení

5.3.1   Celek namontovaný na zkušební lavici se podrobí dynamické zkoušce tahem na stroji pro zkoušky tahem se střídavým zatížením (např. na rezonančním pulzátoru). Tato zkouška obsahuje následující:

5.3.1.1

Zkušebním zatížením je střídavá síla, která působí na kulovou hlavici pod úhlem 15 ± 1°, jak je znázorněno na obrázcích Ap2-1 a Ap2-2 v dodatku 2.

5.3.1.2

Je-li střed kulové hlavice nad přímkou, která je rovnoběžná se vztažnou přímkou podle znázornění na obrázku Ap2-3 v dodatku 2 a která prochází nejvýše položeným z nejbližších bodů připevnění, zkouška se provádí při úhlu

Formula

(obrázek Ap2-1 v dodatku 2).

5.3.1.3

Je-li střed kulové hlavice pod přímkou, která je rovnoběžná se vztažnou přímkou podle znázornění na obrázku Ap2-3 v dodatku 2 a která prochází nejvýše položeným z nejbližších bodů připevnění, zkouška se provádí při úhlu

Formula

(obrázek Ap2-2 v dodatku 2). Tento úhel je zvolen tak, aby bral v úvahu svislé statické a dynamické zatížení. Tento způsob zkoušky se smí použít do přípustného statického zatížení nejvýše:

Rovnice 3-2:

Formula

5.3.1.4

Je-li požadováno vyšší statické zatížení, zvětší se zkušební úhel na 20°. Při dynamické zkoušce se použije následující síla:

Rovnice 3-3:

Formula

5.3.2   Kulové hlavice z jednoho kusu včetně zařízení s nezaměnitelnými snímatelnými kulovými hlavicemi a tažných zařízení s výměnnými kulovými hlavicemi, které lze odmontovat (s výjimkou hlavic na vestavěném držáku) se zkoušejí podle bodu 5.3.1.

5.3.3   Zkouška tažného zařízení, které lze použít s různými kulovými hlavicemi, musí být provedena v souladu se zkušebními požadavky předpisu EHK OSN č. 55.

5.4   Zkušební požadavky uvedené v bodě 5.3.1 se použijí také pro spojovací zařízení jiná než kulové hlavice.

6.   Spojkové hlavice

6.1

Spojkové hlavice musí být navrženy tak, aby jejich použití s kulovými hlavicemi popsanými na obrázku Ap1-1 v dodatku 1 bylo bezpečné.

6.2

Spojkové hlavice montované k nebrzděným přívěsům musí být vybaveny sekundárním spojovacím zařízením nebo alespoň bodem (body) uchycení, ke kterému lze sekundární spojovací zařízení připojit. Tyto body uchycení musí být umístěny tak, aby sekundární spojovací zařízení neomezovalo normální pohyblivost spojení.

6.3

U každého zkoušeného vzorku se provede zkouška únavy se střídavou silou a statická zkouška (zkouška zdviháním).

6.4

Dynamická zkouška se provede s vhodnou kulovou hlavicí příslušné pevnosti. Na zkušebním stavu se spojková hlavice a kulová hlavice uspořádají podle pokynů výrobce a způsobem odpovídajícím jejich uchycení na vozidle. Kromě zkušební síly působící na vzorek na ně nesmí působit další síly. Zkušební zatížení působí podél přímky procházející středem kulové hlavice a skloněné směrem dozadu dolů pod úhlem 15° (viz obrázek Ap3-1 v dodatku 3). Při zkoušce únavy se na zkušební vzorek působí zkušební silou:

Rovnice 3-3:

Formula

6.5

Kulová hlavice použitá při této zkoušce musí mít průměr 49 – 0+0,13 mm, aby představovala opotřebenou kulovou hlavici. Zdvihací síla FA se zvyšuje plynule a rychle na hodnotu:

Rovnice 3-4:

Formula

kde zůstane po dobu 10 sekund, přičemž:

C

=

hmotnost přívěsu (součet hmotností na nápravy přívěsu naloženého na maximální technicky přípustnou hmotnost) v tunách.

6.6

Užijí-li se jiná spojovací zařízení než kulová hlavice, musí se spojková hlavice popřípadě zkoušet podle příslušných požadavků předpisu EHK OSN č. 55.


(1)  Úř. věst. L 227, 28.8.2010, s. 1.

Dodatek 1

Specifikace rozměrů kulové hlavice namontované k vozidlu kategorie L

1.

Systém kulové hlavice pro připojení přívěsů nevylučuje užití jiných systémů (např. spojovacího zařízení s křížovým kloubem); pokud se však použije systém s kulovou hlavicí, musí tento systém splňovat specifikace uvedené na obrázku Ap1-1.

1.1

Obrázek Ap1-1

Rozměry kulové hlavice

Image

1.1.1

Poloměr spojující kouli a dřík musí být tečný jak ke dříku, tak k dolní vodorovné ploše kulové hlavice.

1.1.2

Viz ISO/R 468:1982 a ISO 1302:2002; míra drsnosti N9 se vztahuje k hodnotě Ra rovnající se 6,3 μm.

1.2

Obrázek Ap1-2

Volný prostor pro kulové hlavice

Image

Poznámky:

1)

výška 350–420 mm měřená při maximální přípustné hmotnosti vozidla = T;

2)

min. = minimální vzdálenost, max. = maximální vzdálenost.

Dodatek 2

Specifikace pro dynamický test kulové hlavice a tažného zařízení

1.   Směr působení zkušební síly je znázorněn na příkladu kulové hlavice s tažným zařízením. (Obdobně lze použít na jiné spojovací systémy.)

Obrázek Ap2-1

Směr dynamické zkoušky kulové hlavice a tažného zařízení – zkušební lavice I. RL = vztažná přímka

Image

Obrázek Ap2-2

Směr dynamické zkoušky kulové hlavice a tažného zařízení – zkušební lavice II. RL = vztažná přímka

Image

Obrázek Ap2-3

Relativní polohy bodů uchycení spojovacího zařízení vzhledem ke vztažné přímce – kritéria úhlů dynamické zkoušky

Image

Poznámky:

1)   HFP= nejvyšší bod připevnění;

2)   PRL= rovnoběžná vztažná přímka;

3)   RL= vztažná přímka;

4)   BC= střednice kulové hlavice.

Dodatek 3

Specifikace pro dynamický test spojkové hlavice

1.   Směr působení zkušební síly je znázorněn na příkladu spojkové hlavice.

Obrázek Ap3-1

Směr dynamické zkoušky spojkové hlavice

Image

Obrázek Ap3-2

Směr statické zdvihové zkoušky spojkové hlavice

Image

PŘÍLOHA VI

Požadavky týkající se zařízení bránících neoprávněnému použití

1.   Požadavky

1.1

„Typem vozidla s ohledem na zařízení bránící neoprávněnému použití“ se rozumí kategorie vozidel, která se neliší v takových základních ohledech, jako jsou konstrukční vlastnosti ochranného zařízení bránícího neoprávněnému použití vozidla.

1.2

Vozidla kategorií L1e s hmotností v provozním stavu > 35 kg, L2e, L3e, L4e a L5e, jež jsou vybavena řídítky, musí splňovat všechny příslušné požadavky předpisu EHK OSN č. 62 (1).

1.2.1

Vozidla kategorií L1e, L2e, L3e, L4e a L5e, jež nejsou vybavena řídítky, musí splňovat všechny příslušné požadavky předpisu EHK OSN č. 18 (2) předepsané pro vozidla kategorie N2.

1.3

Vozidla kategorie L6e, jež jsou vybavena řídítky, musí splňovat všechny příslušné požadavky předpisu EHK OSN č. 62 předepsané pro vozidla kategorie L2e.

1.3.1

Vozidla kategorie L6e, jež nejsou vybavena řídítky, musí splňovat všechny příslušné požadavky předpisu EHK OSN č. 18 předepsané pro vozidla kategorie N2.

1.4

Vozidla kategorie L7e, jež jsou vybavena řídítky, musí splňovat všechny příslušné požadavky předpisu EHK OSN č. 62 předepsané pro vozidla kategorie L5e.

1.4.1

Vozidla kategorie L7e, jež nejsou vybavena řídítky, musí splňovat všechny příslušné požadavky předpisu EHK OSN č. 18 předepsané pro vozidla kategorie N2.


(1)  Úř. věst. L 89, 27.3.2013, s. 37.

(2)  Úř. věst. L 120, 13.5.2010, s. 29.

PŘÍLOHA VII

Požadavky týkající se elektromagnetické kompatibility

1.   Požadavky

1.1

„Typem vozidla s ohledem na elektromagnetickou kompatibilitu“ se rozumí kategorie vozidel, která se neliší v takových základních ohledech, jako jsou konstrukční vlastnosti elektronických částí, zapalovacích svíček a jejich svazků vodičů a způsob jejich uchycení a umístění ve vozidle.

1.2

Vozidla kategorií L1e, L2e, L3e, L4e, L5e, L6e a L7e musí splňovat všechny příslušné požadavky předpisu EHK OSN č. 10 (1).


(1)  Úř. věst. L 254, 20.9.2012, s. 1.

PŘÍLOHA VIII

Požadavky týkající se vnějších výčnělků

1.   Požadavky na dvoukolové mopedy a dvoukolové motocykly s postranním vozíkem nebo bez něj

1.1   Obecné požadavky

1.1.2   Vozidla kategorií L1e, L3e a L4e musí splňovat následující obecné požadavky:

1.1.2.1   Vozidla nesmí obsahovat žádné špičaté, ostré nebo vyčnívající části směřující ven, jejichž tvar, rozměry, úhel směru a tvrdost zvyšují riziko nebo závažnost zhmožděnin nebo řezných ran utrpěných osobou, kterou při nehodě srazí vozidlo nebo o kterou vozidlo zavadí. Vozidla musí být navržena tak, aby jejich části a hrany, s nimiž mohou zranitelní účastníci silničního provozu, např. chodci, přijít při nehodě do styku, vyhovovaly požadavkům podle bodů 1 až 1.3.8.

1.1.2.2   Veškeré výčnělky či hrany, se kterými lze přijít do styku a které jsou vyrobeny nebo pokryty materiálem, jako je pryž nebo měkký plast, jehož tvrdost je nižší než 60 Shore (A), vyhovují požadavkům podle bodů 1.3 až 1.3.8. Měření tvrdosti se provede na materiálu, který je na vozidle použit v souladu s jeho určením.

1.1.3   Zvláštní ustanovení pro vozidla kategorie L1e, L3e a L4e

1.1.3.1   Vozidla se posuzují podle ustanovení bodů 1.2 až 1.2.4.1.

1.1.3.2   V případě vozidel, která jsou vybavena tvarovanou konstrukcí nebo panely, které mají částečně nebo úplně obklopit jezdce, cestujícího nebo zavazadla nebo zakrýt některé konstrukční části vozidla, může se výrobce alternativně řídit příslušnými požadavky předpisu EHK OSN č. 26 předepsanými pro vozidla kategorie M1, a to s ohledem buď na konkrétní vnější výčnělky, nebo na celý vnější povrch vozidla.

Příslušné vnější výčnělky posuzované podle tohoto ustanovení musí být jasně označeny v informačním dokumentu a veškerý zbývající povrch musí splňovat požadavky podle bodů 1 až 1.3.8.

1.1.4   Zvláštní ustanovení pro vozidla kategorie L4e

1.1.4.1   Je-li k motocyklu připevněn postranní vozík, buď napevno, nebo oddělitelně, posouzení se nevztahuje na prostor mezi motocyklem a postranním vozíkem (viz obrázek 8-1).

Obrázek 8-1

Pohled shora na motocykl kategorie L4e s postranním vozíkem

Image

1.1.4.2   Pokud lze postranní vozík oddělit od motocyklu tak, aby bylo možné motocykl používat bez něho, musí motocykl splňovat požadavky na sólo motocykly podle bodů 1 až 1.3.8.

1.2   Posouzení vnějších výčnělků

1.2.1   Ke kontrole vnějších výčnělků na vozidle se použije zkušební zařízení, které vyhovuje specifikacím podle obrázku Ap1-1 v dodatku 1.

1.2.2   Vozidlo ve svislé poloze se umístí na vodorovný povrch, nejprve s řídítky a řízeným kolem v poloze pro jízdu v přímém směru.

1.2.2.1   Na zkušební vozidlo se v normální jízdní poloze a tak, aby neomezovala volný pohyb řídítek, posadí antropomorfická figurína odpovídající 50. percentilu populace nebo osoba, která má podobné fyzické vlastnosti. Nohy se umístí na určené opěrky nohou tak, aby nespočívaly na řadící páce ani brzdovém pedálu.

1.2.3   Zkušební zařízení se pohybuje plynule po obou stranách od přední k zadní části vozidla. Dotkne-li se zkušební zařízení řídítek nebo částí na nich namontovaných, stočí se řídítka do plného rejdu, přičemž zkouška není přerušena. Během zkoušky se zkušební zařízení dotýká vozidla nebo jezdce (viz obrázek 8-2).

Obrázek 8-2

Zóny pohybu zkušebního zařízení

Image

Image

1.2.3.1   Zkušební zařízení se nejdříve dotkne předku vozidla, načež pokračuje v pohybu bočně ven a sleduje obrysy vozidla a případně jezdce. Zkušebnímu zařízení musí být také umožněno pohybovat se směrem dovnitř v míře nepřesahující míru pohybu dozadu (tj. pod úhlem 45° vzhledem ke střední podélné rovině vozidla).

1.2.3.2   Zkušební zařízení odstrčí ruce a nohy jezdce, pokud s nimi přijde do přímého styku, a všem příslušným opěrkám (např. opěrkám nohou) musí být při styku se zkušebním zařízením umožněno volně se otáčet, sklápět, skládat, ohýbat či napínat za účelem jejich posouzení ve všech výsledných mezipolohách.

1.2.3.3   Součásti a konstrukční části zpětných zrcátek, které jsou řádně zahrnuty v příslušném schválení typu konstrukční části, vyhovují požadavkům bodů 1 až 1.3.8.

1.2.3.4   Výčnělky, jichž se zkušební zařízení může dotknout v jakékoli jejich provozní poloze (např. opěrky nohou spolucestujícího ve sklopené i vyklopené poloze), musí být posouzeny ve všech provozních polohách.

1.2.4   Pohybuje-li se zkušební zařízení podél vozidla, jak je popsáno výše, výčnělky a hrany vozidla, jichž se toto zařízení dotkne, spadají do:

skupiny 1: pokud zkušební zařízení zavadí o části vozidla, nebo

skupiny 2: pokud zkušební zařízení narazí do částí vozidla.

1.2.4.1   Za účelem rozlišení, do které skupiny výčnělky a hrany patří, se použije zkušební zařízení v souladu s posuzovací metodou znázorněnou na obrázku 8-3, přičemž výčnělky a hrany patří do:

 

skupiny 1, pokud 0° ≤ α < 45°, a

 

skupiny 2, pokud 45° ≤ α ≤ 90°.

Obrázek 8-3

Pohled shora na zkušební zařízení, které se dotýká boku vozidla a narazilo do vyčnívající části

Image

1.3   Zvláštní požadavky

1.3.1   Požadavky na poloměr částí skupiny 1 (kontakt zavaděním):

1.3.1.1   Desky:

hrany desek musí mít poloměr zakřivení nejméně 0,5 mm

Konstrukce, aerodynamické kryty, karoserie, atd.:

rohy musí mít poloměr zakřivení nejméně 3,0 mm. „Rohem“ se rozumí povrch trojrozměrného tvaru, který není hranou desky ani dříkem

1.3.1.1.1   Poloměry rohů a hran desek se stanoví v bodech styku se zkušebním zařízením, přičemž ve směru, kde již ke styku mezi zkušebním zařízením a rohem nebo hranou nedochází, musí být hladký přechod na menší poloměr.

1.3.1.2   Dříky:

dříky a jim podobné části mají celkový průměr nejméně 10 mm,

hrany na konci dříku musí mít poloměr zakřivení nejméně 2,0 mm.

1.3.1.2.1   Poloměry hran na konci dříku se stanoví v bodě (bodech) styku se zkušebním zařízením a mohou se postupně snižovat směrem k plnému obvodu konce dříku.

1.3.2   Požadavky na poloměr částí skupiny 2 (kontakt nárazem)

1.3.2.1   Desky:

hrany desek musí mít poloměr zakřivení nejméně 2,0 mm

Konstrukce, aerodynamické kryty, karoserie, atd.:

rohy musí mít poloměr zakřivení nejméně 2,0 mm

1.3.2.1.1   Poloměry rohů a hran desek se stanoví v bodech styku se zkušebním zařízením a pokračují nebo postupně mizí ve směrech, kde již ke styku mezi zkušebním zařízením a rohem nebo hranou nedochází.

1.3.2.2   Dříky:

dříky a jim podobné části mají celkový průměr nejméně 20 mm,

dřík a jim podobná část však může mít celkový průměr menší než 20 mm, pokud vyčnívá méně než polovinou celkového průměru,

hrany na konci dříku musí mít poloměr zakřivení nejméně 2,0 mm.

1.3.2.2.1   Poloměry hran na konci dříku se stanoví v bodě (bodech) styku se zkušebním zařízením a mohou se postupně snižovat směrem k plnému obvodu konce dříku.

1.3.3   Horní hrana čelního skla nebo aerodynamického krytu, průhledného či nikoli, musí mít poloměr zakřivení nejméně 2,0 mm, nebo může být překryta ochranným materiálem podle bodu 1.1.1.2.

1.3.3.1   Horní hrana je ohraničená rovinami pod úhlem 45° vzhledem k vodorovné rovině (viz obrázek 8-4).

Obrázek 8-4

Jezdcův pohled přes průhledné čelní sklo

Image

1.3.3.2   Při horní hraně nesmí být poloměr větší než 0,70násobek tloušťky čelního skla nebo aerodynamického krytu naměřené při horní hraně.

1.3.3.3   Na jiné kryty, které se podobají čelním sklům nebo aerodynamickým krytům a které slouží jen k ochraně přístrojového bloku jezdce nebo světlometu a které nevyčnívají více než o 50 mm od vrchního povrchu takového přístrojového bloku nebo světlometu, se nevztahují požadavky podle bodů 1.3.3, 1.3.3.1 a 1.3.3.2.

1.3.4   Konec páček spojky a brzdy instalovaných na řídítkách musí být zřetelně kulovitého tvaru a jeho poloměr zakřivení musí být nejméně 7,0 mm. Zbývající ven směřující hrany těchto páček musí mít poloměr zakřivení nejméně 2,0 mm po celé délce rukojeti. Ověření se provádí v neutrální poloze páček.

1.3.4.1   Jsou-li páčky zcela zakryty ochrannými kryty, a nemohou-li tudíž přijít do styku s osobou sraženou vozidlem, vyhovují požadavkům bodu 1.3.4.

1.3.5   Náběžná hrana předního blatníku nebo jakékoli části na něm namontované musí mít poloměr zakřivení nejméně 2,0 mm.

1.3.5.1   Náběžná hrana předního blatníku je ohraničena dvěma svislými rovinami tvořícími vodorovný úhel 45° vzhledem ke střední podélné rovině vozidla.

1.3.5.2   Při náběžné hraně předního blatníku nesmí být poloměr větší než 0,70násobek tloušťky blatníku naměřené při náběžné hraně.

1.3.6   Zadní hrana víčka plnicího hrdla palivové nádrže nebo zařízení podobného tvaru umístěného například na horním povrchu palivové nádrže, na kterou by jezdec, pohybující se vpřed v důsledku kolize, mohl narazit, nesmí vyčnívat více než 15 mm ze základového povrchu a přechod od tohoto povrchu musí být hladký a zřetelně kulovitý. Příklad je znázorněn na obrázku 8-5. O více než 15 mm může ze základového povrchu vyčnívat v případě, že je za ní ochranné zařízení, díky kterému relativní výčnělek nepřekročí 15 mm.

Obrázek 8-5

Požadavky na úpravu víčka plnicího hrdla palivové nádrže

Image

1.3.6.1   Na víčka plnicího hrdla nebo zařízení podobného tvaru, která nejsou umístěna před jezdcem nebo která jsou umístěna pod místem k sezení jezdce, se nevztahují požadavky podle bodu 1.3.6.

1.3.7   Hlava klíče zapalování musí být opatřena ochranným krytem z pryže nebo měkkého plastu s tupými hranami.

1.3.7.1   Na klíče, které není nutno na dobu provozu vozidla vsouvat do zámku zapalování, které jsou zarovnané s okolním povrchem nebo do něj zapouzdřené, jejichž hlava se dá vzhledem k trnu klíče složit, které jsou umístěny pod úrovní místa k sezení jezdce nebo které nejsou umístěny před řidičem, se požadavky podle bodu 1.3.7 nevztahují.

1.3.8   Části vozidla, které v jeho běžné a svislé poloze vyčnívají ven, ale zkušební zařízení se jich nedotkne, avšak které mohou zvýšit riziko nebo závažnost zhmožděnin nebo řezných ran utrpěných osobou, kterou při nehodě vozidlo srazí, musí být tupé.

2.   Požadavky na tříkolová vozidla a čtyřkolky

2.1   Obecné požadavky

2.1.1   Vozidla kategorií L2e, L5e, L6e a L7e musí splňovat následující obecné požadavky.

2.1.1.1

Vozidla nesmí obsahovat žádné špičaté, ostré nebo vyčnívající části směřující ven, jejichž tvar, rozměry, úhel směru a tvrdost zvyšují riziko nebo závažnost zhmožděnin nebo řezných ran utrpěných osobou, kterou při nehodě srazí vozidlo nebo o kterou vozidlo zavadí. Vozidla musí být navržena tak, aby jejich části a hrany, s nimiž mohou zranitelní účastníci silničního provozu, např. chodci, přijít při nehodě do styku, vyhovovaly požadavkům podle bodů 2.1.2 až 2.1.2.1.4.

2.1.2   Zvláštní požadavky na vozidla kategorie L2e, L5e, L6e a L7e

2.1.2.1

Vozidla musí splňovat všechny příslušné požadavky uvedené v předpisu EHK OSN č. 26 předepsané pro vozidla kategorie M1.

2.1.2.1.1

Avšak vzhledem k rozmanitosti tvarů konstrukcí vozidel této kategorie a bez ohledu na to, zda je či není vozidlo vybaveno zařízením pro zpětný chod, má výrobce vozidla jako alternativu k požadavkům podle bodu 2.1.2.1 možnost použít požadavky podle bodů 1.1 až 1.1.2.1 a 1.2 až 1.3.8 předepsané pro vozidla kategorií L1e a L3e s ohledem na zvláštní vnější výčnělky (např. přední vidlice, kola, blatníky, aerodynamické kryty a zadní část vozidel nevybavených zařízením pro zpětný chod) schvalovaného typu vozidla, a to se souhlasem technické zkušebny a schvalovacího orgánu (např. pro typ vozidla, které má sice vzhled motocyklu, ale spadá do kategorie L5e, protože má tři kola).

Příslušné vnější výčnělky posuzované podle tohoto ustanovení musí být jasně označeny v informačním dokumentu a veškerý zbývající povrch musí splňovat požadavky podle bodů 2 až 2.1.2.1.4.

2.1.2.1.2

V případě, kdy jsou vozidla vybavena tvarovanou konstrukcí nebo panely, které mají částečně nebo úplně obklopit jezdce, cestujícího nebo zavazadla nebo zakrýt některé konstrukční součásti vozidla, a části vnějšího povrchu nelze řádně posoudit podle bodu 2.1.2.1.1 (např. pokud jde o střechu, střešní sloupky, dveře, madla dveří, skla, kapotu, dveře zavazadlového prostoru, otevírací knoflíky, nákladní plošiny), musí tyto zbývající vnější výčnělky splňovat všechny příslušné požadavky předpisu EHK OSN č. 26 předepsané pro vozidla kategorie M1.

2.1.2.1.3

V případě vozidel kategorií L2e-U, L5e-B, L6e-BU a L7e-CU musí být hrany, s nimiž lze přijít do styku podle výše uvedených ustanovení a které se nacházejí za zadní přepážkou nebo, pokud zadní přepážka neexistuje, za svislou příčnou rovinou procházející bodem umístěným 50 cm za bodem R nejzadnějšího místa k sezení, alespoň tupé, vyčnívají-li nejméně 1,5 mm nad okolní povrch.

2.1.2.1.4

Splnění požadavků se kontroluje bez registrační tabulky připevněné na vozidle, a posouzení se tedy vztahuje i na místo nebo povrch pro umístění registrační tabulky.

Dodatek 1

Zkušební zařízení

1.   Zařízení ke zkoušení vnějších výčnělků

Obrázek Ap1-1

Schéma zkušebního zařízení

Image

2.   Postup použití

2.1   Zkušební zařízení musí být nasměrováno tak, aby přímka svírající úhel α = 90° byla po celou dobu zkoušky rovnoběžná s podélnou střední rovinou vozidla.

2.2   Spodní část zkušebního zařízení (tj. základna o výšce 100 mm) může být z důvodu stability nebo vhodnosti odlišné konstrukce. Přijde-li však tato spodní část do přímého styku s vozidlem, musí být upravena (např. místně zúžena na průměr nejméně 150 mm) tak, aby byl umožněn plný kontakt mezi vozidlem a částí zkušebního zařízení mezi výškou 100 mm a 1 200 mm.

PŘÍLOHA IX

Požadavky týkající se uložení paliva

1.   Obecné požadavky

1.1

„Typem vozidla s ohledem na uložení paliva“ se rozumí kategorie vozidel, která se neliší v takových základních ohledech, jako je tvar, velikost, vlastnosti materiálu a způsob upevnění a umístění palivové nádrže na vozidle.

1.2

Palivové nádrže vozidel vybavených jednou nebo více palivovými nádržemi musí splňovat následující požadavky:

1.2.1

Palivové nádrže musí být vyrobeny z materiálů takových tepelných, mechanických a chemických vlastností, které vyhovují podmínkám zamýšleného užití.

1.2.2

Palivové nádrže a přilehlé části vozidla musí být konstruovány tak, aby nemohlo dojít ke vzniku náboje statické elektřiny, který by mohl způsobit jiskření mezi nádrží a podvozkem vozidla, což by mohlo vést ke vznícení směsi paliva a vzduchu.

1.2.3

Nádrže musí být vyrobeny tak, aby odolávaly korozi.

1.2.4

Palivové nádrže musí být vybaveny příslušnými zařízeními (např. otvory nebo bezpečnostními ventily), jež automaticky uvolňují přetlak nebo tlak, který je vyšší než provozní tlak. Tato zařízení musí být navržena tak, aby předcházela riziku vznícení směsi paliva a vzduchu.

1.2.5

Palivové nádrže musí být navrženy tak, aby případné palivo unikající při tankování mimo nádrž nestékalo na výfukový systém vozidla, motor nebo jiné části poháněcí soustavy nebo dovnitř prostoru pro cestující nebo zavazadlového prostoru, nýbrž aby bylo odváděno na zem.

1.2.6

Palivo nesmí unikat víčkem plnicího hrdla ani jakýmkoli zařízením ke snížení přetlaku, dokonce ani při úplném převrácení nádrže. Kapání paliva je přípustné do nejvýše 30 g/min, což se ověří zkouškou popsanou v bodech 2.1 až 2.1.4. Není-li únik paliva svou povahou konstantní, je nutné maximální únik paliva stanovit za dobu jedné minuty (tedy nikoli zprůměrovat za delší dobu).

1.2.7

Je-li vozidlo vybaveno karoserií, nesmí být palivová nádrž umístěna na povrchu (tj. podlaze, zdi, střeše či přepážce) prostoru pro cestující nebo jiného prostoru, který s ním tvoří celek, nebo takový povrch tvořit.

1.2.7.1

Pro účely této přílohy se rozumí, že vozidlo s prostorem pro cestující nebo jiným prostorem, který s prostorem pro cestující tvoří celek, je vozidlo vybavené bezpečnostním sklem, bočními dveřmi, zadními dveřmi, bočními sloupky a/nebo střechou, které tvoří uzavřený nebo částečně uzavřený prostor. Technická zkušebna musí v protokolu o zkoušce uvést jasné zdůvodnění hodnotících kritérií.

1.2.8

Plnicí hrdlo palivové nádrže nesmí být umístěno v prostoru pro cestující, zavazadlovém prostoru, ani v motorovém prostoru.

1.2.8.1

V návaznosti na bod 1.2.7.1 se rozumí, že vozidlo má motorový prostor nebo zavazadlový prostor, je-li vybaveno bočními panely spolu s kapotou a/nebo dveřmi zavazadlového prostoru, které tvoří uzavřený nebo částečně uzavřený prostor. Technická zkušebna musí v protokolu o zkoušce uvést jasné zdůvodnění hodnotících kritérií.

1.2.9

Palivové nádrže musí vyhovět zkoušce těsnosti podle bodů 2.2 až 2.2.1 při vnitřním tlaku rovnajícímu se dvojnásobku relativního provozního tlaku (konstrukčního tlaku) nebo přetlaku 30 kPa, podle toho, která hodnota je vyšší. Pro účely zkoušky se ucpou všechny otvory. Palivová nádrž nesmí během zkoušky prasknout nebo propouštět, může však dojít k její trvalé deformaci.

1.2.9.1

Palivové nádrže vyrobené z jiného materiálu než kov tento požadavek splní, pokud vyhoví zkoušce podle bodů 3.4 až 3.4.1.

1.2.10

Palivové nádrže vyrobené z jiného materiálu než kov musí být kromě zkoušek podle bodů 2.1 až 2.1.4 podrobeny také zkouškám podle bodů 3 až 3.7.5.1.

1.3

Vozidla vybavená jednou nebo více palivovými nádržemi musí splňovat následující obecné požadavky:

1.3.1

Palivové nádrže musí být namontovány a instalovány tak, aby plnily svou funkci za všech předvídatelných provozních podmínek.

1.3.2

Všechny součásti a konstrukční části systému dodávky paliva musí být odpovídajícím způsobem chráněny částmi rámu nebo karoserie před stykem s případnými překážkami na zemi. Tato ochrana není vyžadována, jsou-li součásti a konstrukční části systému dodávky paliva vzdáleny od země více než části rámu nebo karoserie, jež jsou umístěny bezprostředně před nimi.

1.3.3

Všechny součásti a konstrukční části systému dodávky paliva musí být navrženy, vyrobeny a instalovány tak, aby odolaly účinkům vnitřní i vnější koroze, kterým jsou vystaveny. Pohyb způsobený kroucením, ohýbáním a vibracemi konstrukce vozidla, motoru a převodu nesmí vystavit žádnou součást nebo konstrukční část systému dodávky paliva abnormálnímu tření nebo námaze.

1.3.4

Vozidla využívající v pohonném systému zkapalněný ropný plyn (LPG) a nádrže na LPG musí splňovat všechny požadavky na montáž a vybavení uvedené v předpisu EHK OSN č. 67 (1) a předepsané pro vozidla kategorie M1.

1.3.5

Vozidla využívající v pohonném systému stlačený zemní plyn (CNG) a nádrže na CNG musí splňovat všechny požadavky na montáž a vybavení uvedené v předpisu EHK OSN č. 110 (2) a předepsané pro vozidla kategorie M1.

2.   Zkoušky palivové nádrže

2.1   Zkouška obrácením nádrže

2.1.1

Nádrž s veškerým svým příslušenstvím musí být uchycena ke zkušebnímu zařízení způsobem, který odpovídá způsobu montáže na vozidlo, pro nějž je nádrž určena. To se týká rovněž systémů pro kompenzaci vnitřního přetlaku.

2.1.2

Zkušební zařízení se otáčí kolem osy, která je rovnoběžná s podélnou osou vozidla.

2.1.3

Zkouška se provádí s nádrží naplněnou na 30 % a poté na 90 % jejího jmenovitého objemu nehořlavou kapalinou o hustotě a viskozitě blízké hodnotám, které má běžně užívané palivo, nebo vodou.

2.1.4

Nádrž se ze své základní polohy otočí o 90° doleva. V této poloze musí nádrž zůstat nejméně pět minut. Potom se otočí o dalších 90° ve stejném směru. V této poloze, kdy je úplně obrácena, musí nádrž zůstat nejméně dalších pět minut. Nádrž se otočí zpět do své původní polohy.

Pokud je to nutné, musí být zkušební kapalina, která nestekla z ventilačního systému zpět do nádrže, vypuštěna a znovu doplněna.

Nádrž se ze své základní polohy otočí o 90° doprava. V této poloze musí nádrž zůstat nejméně pět minut. Potom se otočí o dalších 90° ve stejném směru. V této poloze, kdy je úplně obrácena, musí nádrž zůstat nejméně dalších pět minut. Nádrž se otočí zpět do své původní polohy.

Otočení o 90° se provádějí v intervalech jedné až tří minut.

2.2   Hydraulická zkouška

2.2.1

Nádrž se podrobí zkoušce vnitřního hydraulického tlaku, která musí být provedena na izolované jednotce s veškerým příslušenstvím. Nádrž se zcela naplní nehořlavou kapalinou o hustotě a viskozitě blízké hodnotám, které má běžně užívané palivo, nebo vodou. Po odpojení nádrže od všech vnějších vlivů se trubicí, kterou se přivádí palivo do motoru, postupně zvýší tlak na hodnotu vnitřního tlaku uvedenou v bodě 1.1.9 a nádrž se tomuto tlaku vystaví po dobu nejméně 60 sekund.

3.   Zvláštní požadavky a zkoušky týkající se palivových nádrží vyrobených z jiného materiálu než kov

3.1   Palivové nádrže vyrobené z jiného materiálu než kov se podrobí těmto dalším zkouškám:

zkouška propustnosti,

zkouška nárazem,

zkouška mechanické pevnosti,

zkouška odolnosti proti palivu,

zkouška odolnosti proti vysoké teplotě,

zkouška odolnosti proti hoření.

3.2   Zkouška propustnosti prováděná na zcela nové palivové nádrži

3.2.1   Zkouška propustnosti jako součást zkoušek typu IV podle přílohy V části A nařízení (EU) č. 168/2013 bez nutnosti zohlednění měření rozptylu pro účely zkoušky v souladu s touto přílohou, se provede na dostatečném počtu nádrží za účelem zkoušení v souladu s body 3.3 až 3.7.5.1.

3.3   Zkouška nárazem prováděná na palivové nádrži, u které byla provedena zkouška propustnosti

3.3.1   Nádrž se naplní do své jmenovité kapacity směsí 50 % vody a 50 % ethylenglykolu nebo jiné chladicí kapaliny, která nepoškozuje materiál nádrže a jejíž kryoskopický bod je nižší než Formula.

Teplota látek v palivové nádrži během zkoušky musí být Formula. Nádrž se zchladí na odpovídající okolní teplotu. Palivovou nádrž lze také naplnit vhodně zchlazenou kapalinou za předpokladu, že udrží zkušební teplotu po dobu nejméně jedné hodiny.

Ke zkoušce se použije kyvadlo. Jeho nárazová hlava má tvar pyramidy, jejíž strany tvoří rovnostranné trojúhelníky, s poloměrem zakřivení 3,0 mm na jeho vrcholu a hranách. Volně se pohybující těleso kyvadla má hmotnost 15 kg ± 0,5 kg a energie vychýleného kyvadla při každém nárazu do palivové nádrže je nejméně 30,0 J.

Technická zkušebna vybere pro účel zkoušky jakýkoli počet bodů na palivové nádrži v místech, jež jsou z hlediska připevnění nádrže a jejího umístění na vozidle vnímána jako riziková. Předmětem zkoušky nejsou nekovové kryty, přičemž pro posouzení rizika mohou být zohledněny trubky rámu nebo části podvozku.

K dokončení všech nárazů lze použít více než jednu palivovou nádrž za předpokladu, že u všech těchto nádrží byla provedena zkouška propustnosti.

Po jediném nárazu na kterékoli z míst, která jsou předmětem zkoušky, nesmí dojít k úniku kapaliny.

3.4   Zkouška mechanické pevnosti prováděná na palivové nádrži, u které byla provedena zkouška propustnosti

3.4.1   Nádrž se naplní do své jmenovité kapacity vodou o teplotě Formula. Poté se nádrž vystaví vnitřnímu tlaku rovnajícímu se dvojnásobku relativního provozního tlaku (konstrukčního tlaku) nebo přetlaku 30 kPa, podle toho, která hodnota je vyšší. Nádrž zůstane uzavřená a pod tlakem po dobu nejméně pěti hodin při okolní teplotě Formula.

Palivová nádrž nesmí jevit známky úniku kapaliny a případné dočasné nebo trvalé deformace nesmí znemožnit její použití. Pro posouzení deformace nádrže se vezmou v úvahu zvláštní podmínky montáže.

3.5   Zkouška odolnosti proti palivu prováděná na vzorcích zcela nové palivové nádrže a na vzorcích palivové nádrže, u které byla provedena zkouška propustnosti

3.5.1   Z plochého nebo téměř plochého povrchu zcela nové palivové nádrže se odebere šest vzorků o zhruba stejné tloušťce ke zkoušce tahem. Jejich pevnost v tahu a meze pružnosti se stanoví při teplotě Formula při rychlosti prodlužování 50 mm/min. Získané hodnoty se porovnají s hodnotami pevnosti v tahu a elasticity získanými v podobných zkouškách provedených na palivové nádrži, u které byla předtím provedena zkouška propustnosti. Materiál se považuje za přijatelný, pokud se síla v tahu neliší o více než 25 %.

3.6   Zkouška odolnosti proti vysoké teplotě prováděná na vzorcích palivové nádrže, u které byla provedena zkouška propustnosti

3.6.1   Palivová nádrž se připevní k reprezentativní části vozidla a naplní z 50 % její celkové jmenovité kapacity vodou o teplotě Formula. Zkušební zařízení včetně palivové nádrže se poté na 60 minut umístí do prostředí o teplotě Formula, načež se na palivové nádrži nesmí objevit trvalé deformace nebo pukliny a nádrž musí být v plně použitelném stavu.

3.7   Zkouška odolnosti proti hoření prováděná na vzorcích palivové nádrže, u které byla provedena zkouška propustnosti

3.7.1   Příprava zkušebních vzorků

3.7.1.1   Z jedné nebo více palivových nádrží, u kterých byla provedena zkouška propustnosti, se odebere nejméně deset plochých či téměř plochých zkušebních vzorků dlouhých 125 ± 5 mm a širokých 12,5 ± 0,2 mm. Nelze-li takové vzorky odebrat z důvodu konstrukčních vlastností (tj. tvaru) palivové nádrže, je přípustné, aby byla pro účel této zkoušky vyrobena jedna nebo více zkušebních nádrží s podobnými vlastnostmi, avšak s ploššími nebo téměř plochými částmi povrchu stěn. Celková tloušťka všech vzorků se musí pohybovat v rozmezí ±5 % tloušťky nejtlustšího vzorku.

3.7.1.2   Do každého vzorku se vyřežou dvě rýhy, jedna vzdálená 25 mm a druhá vzdálená 100 mm od jednoho konce.

3.7.1.3   Hrany zkušebních vzorků musí být ostré. Hrany, které vznikly ořezáním, musí být obroušeny smirkovým papírem, aby byl jejich povrch hladký.

3.7.2   Zkušební zařízení

3.7.2.1   Zkušební komora se skládá ze zcela uzavřené laboratorní digestoře s pozorovacím okénkem ze žáruvzdorného skla. Pro pohled na zadní část vzorku může být v některých zkušebních zařízeních použito zrcátko.

Odsávací ventilátor musí být v průběhu zkoušky vypnut a ihned po zkoušce by měl být zapnut, aby byly z komory odvedeny produkty spalování.

Zkouška může být provedena také v kovové skříni umístěné v digestoři se zapnutým odsávacím ventilátorem.

Horní a spodní stěna komory musí mít odvětrávací otvory, které umožňují dostatečný přísun vzduchu nezbytného k hoření, přičemž hořící vzorek nesmí být vystaven proudu vzduchu.

3.7.2.2   Na držáku se musí nacházet dvě svorky, které lze pomocí otočných kloubů zajistit v jakékoli poloze.

3.7.2.3   Použije se plynový kahan typu Bunsen nebo Tirill s 10mm tryskou. Tryska nesmí mít vybavena žádnými doplňky.

3.7.2.4   K dispozici musí být drátěná mřížka s velikostí ok 20 a celkovým rozměrem přibližně 100 × 100 mm.

3.7.2.5   K dispozici musí být vodní lázeň s doporučenými rozměry přibližně 150 × 75 × 30 mm.

3.7.2.6   K dispozici musí být stopky (v sekundách).

3.7.2.7   K dispozici musí být dělená stupnice (v milimetrech).

3.7.2.8   K dispozici musí být posuvné měřítko (s přesností nejméně 0,05 mm) nebo jiný odpovídající měřicí nástroj.

3.7.3   Zkušební postup

3.7.3.1   Vzorek se připevní k jedné svorce držáku koncem, který je nejbližší ke značce na 100 mm, přičemž jeho podélná osa je vodorovná a příčná osa svírá s vodorovnou úhel 45°. Pod zkušební vzorek se ke druhé svorce připevní čistá pletená drátěná mřížka a umístí se horizontálně ve vzdálenosti 10 mm pod hranou vzorku tak, aby vzorek přečníval přibližně o 13 mm za okraj mřížky (viz obrázek 9-1). Na stole digestoře se umístí vodní lázeň tak, aby do ní během zkoušky padaly žhavé částice odpadávající ze vzorku.

Obrázek 9-1

Sestava pro zkoušku odolnosti proti hoření

Image

3.7.3.2   Přívod vzduchu do kahanu se nastaví tak, aby kahan vydával modrý plamen o výšce přibližně 25 mm.

3.7.3.3   Kahan se umístí tak, aby se plamen ve chvíli, kdy se spustí stopky, dotýkal vnější hrany zkušebního vzorku (viz obrázek 1).

Plamen se dotýká vzorku po dobu 30 sekund. Pokud dojde k deformaci vzorku, jeho tavení nebo smrštění, plamen se přemístí tak, aby se dotýkal vzorku. Výrazná deformace vzorku během zkoušky však může výsledek znehodnotit.

Kahan se od vzorku odsune po 30 sekundách, nebo ve chvíli, kdy čelo plamene dosáhne značky 25 mm, podle toho, co nastane dřív. Kahan se posune do vzdálenosti nejméně 450 mm od vzorku a digestoř se uzavře.

3.7.3.4   Jakmile čelo plamene dosáhne značky 25 mm, zaznamená se čas t1 v sekundách.

3.7.3.5   Stopky se zastaví, když se hoření (s plamenem nebo bez něj) zastaví nebo když dosáhne značky 100 mm od volného konce. Tento čas se zaznamená jako čas t. Dojde-li k opětovnému zapálení vzorku hořícím materiálem, který spadl na pletenou drátěnou mřížku, může to výsledek zkoušky znehodnotit.

3.7.3.6   Nedosáhne-li hoření značky 100 mm, změří se neshořelá délka od značky 100 mm podél spodního okraje vzorku a zaokrouhlí se nahoru nebo dolů na nejbližší milimetr. Shořelá délka se tedy rovná délce 100 mm zkrácené o neshořelou část a je vyjádřena v milimetrech.

3.7.3.7   Dohořel-li vzorek až ke značce 100 mm nebo dál, rychlost hoření se vypočte takto: Formula a je vyjádřena v mm/s.

3.7.3.8   Zkouška popsaná v bodech 3.7.3.1 až 3.7.3.7 se zopakuje na dalších vzorcích, dokud tři vzorky neshoří za značku 100 mm nebo dokud není zkoušce podrobeno deset vzorků.

3.7.3.9   Pokud ke značce 100 mm nebo dál dohoří jen jeden z deseti vzorků, zkouška popsaná v bodech 3.7.3.1 až 3.7.3.7 se zopakuje na nejvýše deseti nových vzorcích.

3.7.4   Vyjádření výsledků

3.7.4.1   Protokol o zkoušce musí obsahovat alespoň tyto informace:

počet vzorků podrobených zkoušce,

a pokud jde o každý jednotlivý vzorek:

způsob identifikace,

způsob přípravy a skladování,

tloušťka měřená v každé třetině délky vzorku (mm s alespoň jedním desetinným číslem),

čas hoření (s),

délka hoření (mm),

sdělení a zdůvodnění v případě, kdy vzorek nedohoří až ke značce 100 mm (např. protože se tavil, kapal nebo rozlomil do spálených částic),

sdělení, dojde-li k opětovnému zapálení vzorku hořícím materiálem, který spadl na pletenou drátěnou mřížku.

3.7.4.2   Pokud alespoň dva vzorky dohořely ke značce 100 mm nebo za ni, stanoví se průměrná rychlost hoření (vyjádřená v mm/s a odvozená z výsledků vypočtených podle rovnice v bodě 3.7.3.7). Průměrná rychlost hoření je tedy průměrem rychlostí hoření všech vzorků, které dohořely ke značce 100 mm nebo za ni. Tato hodnota se porovná s požadavky podle bodů 3.7.5 až 3.7.5.1 a výpočty a ověření podle bodu 3.7.4.3 se neprovedou.

3.7.4.3   Průměrný čas hoření (ACT) a průměrná délka hoření (ACL) se vypočtou v případě, kdy ke značce 100 mm nedohořel ani jeden vzorek z deseti nebo nejvýše jeden z dvaceti.

Rovnice 9-1:

Formula

kde n je počet vzorků.

Výsledek se zaokrouhlí nahoru nebo dolů na nejbližší pětisekundový přírůstek. ACT = 0 s se však nepoužije (tj. pokud hoření trvá méně než 2 sekundy až 7 sekund, ACT = 5 s; pokud hoření trvá mezi 8 až 12 sekundami, ACT = 10 s; pokud hoření trvá mezi 13 až 17 sekundami, ACT = 15 s, atd.).

Rovnice 9-2:

Formula

kde n je počet vzorků.

Výsledek je vyjádřen ve vztahu k nejbližšímu 5mm přírůstku (tj. pokud je délka hoření menší než 2 mm, uvede se „méně než 5 mm“, v žádném případě tedy ACL = 0 mm).

Pokud jen jeden vzorek z 20 dohoří ke značce 100 mm nebo za ni, délka hoření (tj. hodnota (100 – nespálená délkai) tohoto vzorku) činí 100 mm.

Rovnice 9-3:

Průměrná rychlost hoření je tedy (ACL/ACT) (vyjádřená v mm/s).

Tato hodnota se porovná s požadavkem podle bodů 3.7.5 až 3.7.5.1.

3.7.5   Požadavky na odolnost proti hoření týkající se palivových nádrží vyrobených z jiného materiálu než kov

3.7.5.1   Materiál, že kterého je vyrobena palivová nádrž, nesmí hořet průměrnou rychlostí hoření vyšší než 0,64 mm/s stanovenou v souladu se zkušebním postupem popsaným v bodech 3.7 až 3.7.4.3.


(1)  Úř. věst. L 72, 14.3.2008, s. 1.

(2)  Úř. věst. L 120, 7.5.2011, s. 1.

PŘÍLOHA X

Požadavky týkající se nákladních plošin

1.   Účel

1.1

Je-li vozidlo (pod)kategorie L2e, L5e-B, L6e-B, L7e-B nebo L7e-C vybaveno nákladní plošinou, musí montáž vozidla a nákladní plošiny splňovat minimální soubor konstrukčních kritérií, aby byla zaručena bezpečnost při přepravě nákladu.

2.   Požadavky

2.1

Je-li vozidlo vybaveno nákladní plošinou, musí být tato plošina navržena pouze pro přepravu nákladu a musí se skládat z otevřené nebo uzavřené nákladní korby, která musí být prakticky rovná a vodorovná.

2.2

Těžiště vozidla kategorie L s naloženou nákladní plošinou a bez řidiče se musí nacházet mezi nápravami.

2.3

Rozměry plošiny musí splňovat tyto požadavky:

2.3.1

Délka nákladní korby, tj. vzdálenost od nejpřednějšího vnitřního bodu k nejzadnějšímu vnitřnímu bodu nákladního prostoru měřená vodorovně v podélné rovině vozidla, nesmí překročit 1,4násobek rozchodu předních nebo zadních kol vozidla kategorie L, podle toho, která hodnota je vyšší.

Na vozidla podkategorií L6e-BU a L7e-CU se tento požadavek nevztahuje.

2.3.2

Šířka nákladní korby nesmí překročit maximální celkovou šířku vozidla kategorie L bez plošiny.

2.3.3

Aby náklad z nákladní plošiny nepadal, musí být plošina vybavena vhodnými bočními chrániči.

2.4

Plošina musí být umístěna symetricky vůči střední podélné rovině vozidla kategorie L.

2.5

Výška nákladní plošiny nad zemí nesmí být větší než 1 000 mm.

2.6

Nákladní plošina musí být k vozidlu kategorie L připevněna tak, aby nedošlo k jejímu náhodnému uvolnění.

2.7

Provedení plošiny a způsob jejího připevnění musí být takové, aby při normálním zatížení zůstalo řidiči dostatečné zorné pole a aby veškeré povinné osvětlení a zařízení pro světelnou signalizaci dále řádně plnila svoji funkci.

2.8

Výrobce vozidla stanoví bezpečnou nosnost nákladní plošiny.

2.9

Nákladní plošina musí být opatřena vhodnými body pro připevnění zařízení pro užitečnou hmotnost.

PŘÍLOHA XI

Požadavky týkající se hmotností a rozměrů

1.   Účel

1.1

Tato příloha stanoví požadavky na schválení typu vozidel kategorie L s ohledem na jejich hmotnost a rozměry.

2.   Předložení hmotnostních specifikací vozidla a zkušební požadavky na stanovení hmotnostních specifikací

2.1

V žádosti o EU schválení typu pro typ vozidla, pokud jde o jeho hmotnosti a rozměry, výrobce schvalovacímu orgánu poskytne pro každou verzi v rámci typu vozidla, bez ohledu na stav dokončení vozidla, následující hmotnosti vozidla:

2.1.1

hmotnost v provozním stavu podle článku 5 nařízení (EU) č. 168/2013;

2.1.2

skutečnou hmotnost;

2.1.3

maximální technicky přípustnou hmotnost naloženého vozidla;

2.1.4

maximální technicky přípustnou hmotnost na nápravy;

2.1.5

případně maximální technicky přípustnou přípojnou hmotnost;

2.1.6

případně maximální technicky přípustnou hmotnost působící v bodě spojení, přičemž jsou zohledněny technické vlastnosti spojovacích zařízení, jež jsou nebo mohou být namontována na vozidlo;

2.1.7

případně hmotnost volitelného vybavení;

2.1.8

případně hmotnost nástavby;

2.1.9

případně hmotnost baterie pohonu.

2.2

Výrobce při stanovení hmotností uvedených v bodě 2 zohlední nejlepší postupy osvědčené technické praxe a nejlepší dostupné technické znalosti tak, aby bylo minimalizováno riziko mechanického selhání, zejména pak riziko způsobené únavou materiálů, a aby nedošlo ke škodám na silniční infrastruktuře.

2.3

Výrobce vezme při stanovení hmotností uvedených v bodě 2 v úvahu maximální rychlost vozidla danou jeho konstrukcí.

Vybavil-li výrobce vozidlo omezovačem rychlosti, maximální rychlost vozidla daná jeho konstrukcí je skutečná rychlost vozidla povolená omezovačem rychlosti vozidla.

2.4

Výrobce při stanovení hmotností uvedených v bodě 2 nijak neomezí použití vozidla, s výjimkou omezení týkajících se kapacit pneumatik, jež mohou být přizpůsobeny rychlosti dané konstrukcí.

2.5

V případě nedokončených vozidel, včetně vozidel s karosérií typu podvozek-kabina, jež vyžadují další stupeň dokončení, poskytne výrobce veškeré příslušné informace výrobcům dalšího stupně, aby bylo zajištěno, že požadavky podle tohoto nařízení budou i nadále dodržovány.

Výrobce pro účely prvního podbodu určí polohu těžiště hmotnosti odpovídající součtu zatížení.

2.6

Pokud volitelné vybavení podstatným způsobem ovlivňuje hmotnosti a rozměry vozidla, výrobce poskytne příslušné technické zkušebně údaje o umístění, hmotnosti a geometrické poloze těžiště volitelného vybavení, jež lze na vozidlo namontovat, ve vztahu k nápravám.

2.7

Jestliže to schvalovací orgán nebo technická zkušebna považuje za nutné, může po výrobci požadovat, aby pro účely inspekce poskytl vozidlo představující typ, který má být schválen.

2.8

V případě užitkových vozidel podkategorií L5e-B, L6e-BU a L7e-CU určených k přepravě nákladu a vybavených vyměnitelnými nástavbami je celková hmotnost těchto nástaveb součástí užitečné hmotnosti. V tomto případě musí být splněny následující doplňující podmínky:

2.8.1

nástavba je vyměnitelná, pokud ji lze snadno oddělit od podvozku s kabinou řidiče;

2.8.2

výrobce vozidla v informačním dokumentu uvede maximální povolené rozměry, celkovou hmotnost nástavby, hranice polohy těžiště a nákres s umístěním upínacích zařízení.

2.9

Pro stanovení hmotnosti, kterou výrobce předloží schvalovacímu orgánu, musí být splněny zkušební podmínky a požadavky dodatku 1.

3.   Předložení rozměrů vozidla a zkušební požadavky na stanovení rozměrů

3.1

V žádosti o EU schválení typu pro typ vozidla, pokud jde o jeho hmotnosti a rozměry, výrobce schvalovacímu orgánu poskytne pro každou verzi v rámci typu vozidla, bez ohledu na stav dokončení vozidla, následující rozměry vozidla [v mm]:

3.1.1

délku vozidla, kterou se rozumí vzdálenost mezi dvěma svislými rovinami kolmými k podélné rovině vozidla a tečnými k předku a zádi vozidla;

3.1.2

šířku vozidla, kterou se rozumí vzdálenost mezi dvěma rovinami rovnoběžnými s podélnou rovinou vozidla a tečnými k vozidlu po obou stranách této roviny;

3.1.3

výšku vozidla, kterou se rozumí vzdálenost mezi rovinou, na níž vozidlo stojí, a s ní rovnoběžnou rovinou tečnou k horní části vozidla;

3.1.4

rozvor vozidla, kterým se rozumí rozměr podle bodu 6.4.1 normy ISO 612:1978;

3.1.5

u vozidel se zdvojenými koly nebo tříkolových nebo čtyřkolových vozidel: rozchod kol zadní a/nebo přední nápravy, kterým se rozumí vzdálenost podle bodu 6.5 normy ISO 612:1978;

3.1.6

případně délkanákladní korby a šířkanákladní korby.

3.2

Pro stanovení rozměrů, které mají být předloženy, musí být splněny zkušební podmínky a požadavky dodatku 1.

3.3

Skutečné rozměry podle bodu 3.1 se nesmí od údajů uvedených výrobcem lišit o více než 3 %.

Dodatek 1

Zvláštní požadavky týkající se hmotností a rozměrů vozidel kategorie L

1.   Zvláštní požadavky týkající se rozměrů vozidel

1.1

Pro účely měření rozměrů uvedených v bodě 3 přílohy XI:

1.1.1

vozidlo musí mít hmotnost v provozním stavu, být umístěné na rovném a vodorovném povrchu a mít pneumatiky nahuštěné na tlak doporučený výrobcem;

1.1.2

vozidlo musí být ve svislé poloze s koly v poloze odpovídající přímému směru jízdy vozidla;

1.1.3

všechna kola vozidla, s výjimkou náhradního kola, musí spočívat na opěrné rovině.

1.2

Pro stanovení rozměrů vozidla se nezohlední pouze zařízení a vybavení uvedené v tomto bodě 1.

1.3

Pokud jde o délku vozidla, do vzdálenosti mezi dvěma rovinami podle bodu 3.1.1 přílohy XI musí být zahrnuty všechny konstrukční části vozidla a zejména veškeré pevné konstrukční části směřující dopředu nebo dozadu (nárazníky, blatníky atd.), s výjimkou spojovacího zařízení.

1.4

Pokud jde o šířku vozidla, do vzdálenosti mezi dvěma rovinami podle bodu 3.1.2 přílohy XI musí být zahrnuty všechny konstrukční části vozidla a zejména veškeré pevné konstrukční části směřující do stran, s výjimkou zpětných zrcátek.

1.5

Pokud jde o výšku vozidla, do vzdálenosti mezi dvěma rovinami podle bodu 3.1.3 přílohy XI musí být zahrnuty všechny konstrukční části vozidla s výjimkou zpětných zrcátek.

1.6

Pokud jde o světlou výšku vozidla zatíženého na skutečnou hmotnost, nejkratší vzdálenost mezi rovinou vozovky a nejnižším pevným bodem vozidla se měří mezi nápravami a případně pod nápravou (nápravami) v souladu s dodatkem 1 přílohy II směrnice 2007/46/ES (1). Je-li vozidlo vybaveno jakýmkoli ručně nebo automaticky seřizovaným systémem zavěšení náprav, jehož důsledkem může být variabilní světlá výška vozidla, seřídí se tento systém na minimální hodnotu. Světlou výškou vozidla je nejmenší naměřená vzdálenost.

1.7

Vozidlo kategorie L7e-B2 (terénní buggy) vyhovující požadavkům bodu 1.6 musí dále vyhovět nejméně pěti z následujících šesti požadavků:

1.7.1

přední nájezdový úhel ≥ 25 stupňů;

1.7.2

zadní nájezdový úhel ≥ 20 stupňů;

1.7.3

přechodový úhel ≥ 20 stupňů;

1.7.4

světlá výška pod přední nápravou ≥ 180 mm;

1.7.5

světlá výška pod zadní nápravou ≥ 180 mm;

1.7.6

světlá výška mezi nápravami ≥ 180 mm.

1.8

Přední nájezdový úhel, zadní nájezdový úhel a světlé výšky se měří podle dodatku 1 přílohy II směrnice 2007/46/ES.

2.   Zvláštní požadavky týkající se hmotností vozidel

2.1   Součet maximálních technicky přípustných hmotností na nápravy nesmí být menší než maximální technicky přípustná hmotnost naloženého vozidla.

2.2   Zvláštní požadavky týkající se omezení hmotnosti volitelného vybavení a maximální technicky přípustné hmotnosti naloženého vozidla

2.2.1   U vozidel kategorií L2e, L5e, L6e a L7e, pro která platí omezení hmotnosti v provozním stavu, je hmotnost volitelného vybavení omezena na 10 % hmotnosti v provozním stavu stanovené v příloze I nařízení (EU) č. 168/2013.

2.2.2   Maximální technicky přípustná hmotnost naloženého vozidla nesmí být vyšší než skutečná hmotnost.

2.3   Je-li vozidlo naloženo na maximální technicky přípustnou hmotnost naloženého vozidla, nesmí hmotnosti na každou z náprav překročit maximální technicky přípustnou hmotnost na dotyčnou nápravu.

2.4   Je-li vozidlo zatíženo na maximální technicky přípustnou hmotnost naloženého vozidla, nesmí být hmotnost na přední nápravu v žádném případě menší než 30 % maximální technicky přípustné hmotnosti naloženého vozidla.

2.4.1   Je-li vozidlo zatíženo na maximální technicky přípustnou hmotnost naloženého vozidla a zároveň na maximální technicky přípustnou hmotnost v bodě spojení, nesmí být hmotnost na přední nápravu v žádném případě menší než 20 % maximální technicky přípustné hmotnosti naloženého vozidla.

2.5   Vozidlům kategorie L může být povoleno táhnout přívěs, jehož hmotnost ≤ 50 % hmotnosti vozidla v provozním stavu.

2.6   Je-li vozidlo vybaveno odnímatelnými sedadly, omezí se postup ověření na stav s maximálním počtem míst k sezení.

2.7   Je-li vozidlo vybaveno sedadly, pro účely ověření požadavků podle bodu 2.2, 2.3 a 2.4:

a)

nastaví se sedadla tak, jak je předepsáno v bodě 2.7.1;

b)

rozloží se hmotnost cestujících, užitečná hmotnost a hmotnost volitelného vybavení tak, jak je předepsáno v bodech 2.7.2 až 2.7.6.

2.7.1   Seřízení sedadel

2.7.1.1

Jsou-li sedadla seřiditelná, posunou se do nejzadnější polohy.

2.7.1.2

V případě dalších možností seřízení sedadla (výškové seřízení, úhlové seřízení, seřízení opěradla apod.) se zvolí poloha předepsaná výrobcem vozidla.

2.7.1.3

V případě odpružených sedadel musí být sedadlo aretováno v poloze předepsané výrobcem.

2.7.2   Rozložení hmotnosti řidiče a cestujících za účelem měření hmotností vozidla

2.7.2.1

U (pod)kategorií L1e a L3e se předpokládá, že hmotnost řidiče činí 75 kg, a ta je v souladu s normou ISO 2416-1992 dále rozdělena na hmotnost osoby sedící v bodě R místa k sezení jezdce ve výši 65 kg a hmotnost zavazadla ve výši 10 kg. Má-li vozidlo pouze jedno místo k sezení (nemá sedadlo pro spolujezdce), hmotnost jezdce ve výši 75 kg je umístěna na tomto místě k sezení.

2.7.2.2

U všech ostatních vozidel kategorie L činí hmotnost představující řidiče 75 kg a hmotnost představující každého jednoho cestujícího 65 kg.

2.7.2.3

Hmotnost řidiče a každého cestujícího je umístěna v referenčních bodech míst k sezení (v tzv. „bodech R“).

2.7.3   Rozložení hmotnosti volitelného vybavení

2.7.3.1

Hmotnost volitelného vybavení se rozloží podle pokynů výrobce.

2.7.4   Rozložení užitečné hmotnosti

2.7.4.1

Užitečná hmotnost se rozloží podle pokynů výrobce a se souhlasem technické zkušebny.

2.7.5   Pokud jde o užitková vozidla s karoserií (pod)kategorií L2e-U, L5e-B, L6e-BU, L7e-B nebo L7e-CU, užitečná hmotnost se rozloží rovnoměrně na nákladní korbě.

2.7.6   Pokud jde o užitková vozidla bez karoserie (např. podvozek s kabinou řidiče) (pod)kategorií L2e-U, L5e-B, L6e-BU, L7e-B nebo L7e-CU, uvede výrobce nejzazší přípustné polohy těžiště užitečné hmotnosti (např. od 0,20 m do 0,50 m před první zadní nápravou).

2.8   Maximální přípustná užitečná hmotnost

2.8.1   Maximální přípustná užitečná hmotnost vozidla je omezena hodnotami uvedenými v tabulce Ap1-1.

Tabulka Ap1-1

Maximální přípustná užitečná hmotnost

(Pod)kategorie vozidla

Maximální přípustná užitečná hmotnost (kg)

L1e-A/L1e-B/L2e-P/L6e-A/L6e-BP

Maximální přípustná užitečná hmotnost uvedená výrobcem, ale v žádném případě vyšší než 250 kg.

L2e-U/L6e-BU

Maximální přípustná užitečná hmotnost uvedená výrobcem, ale v žádném případě vyšší než 250 kg.

L3e/L4e/L5e-A/L7e-A/L7e-B/L7e-CP

Maximální užitečná hmotnost uvedená výrobcem, ale v žádném případě vyšší než hraniční hmotnost v provozním stavu pro danou (pod)kategorii, jak je uvedeno v příloze I nařízení (EU) č. 168/2013.

L5e-B/L7e-CU

Maximální užitečná hmotnost uvedená výrobcem, ale v žádném případě vyšší než 1 000 kg.

2.9   Hmotnost zásobníku alternativních pohonných hmot

Při stanovení hmotnostních specifikací vozidla a v příslušných požadavcích na zkoušky ke stanovení těchto hmotnostních specifikací se předpokládá, že hmotnost zásobníku alternativních pohonných hmot se rovná:

2.9.1

hmotnosti baterie pohonu v případě hybridních nebo plně elektrických vozidel;

2.9.2

hmotnosti plynového palivového systému a hmotnosti zásobníku plynného paliva v případě vozidel na jedno, dvě nebo více paliv;

2.9.3

hmotnosti zásobníků ke skladování stlačeného vzduchu v případě vozidel poháněných stlačeným vzduchem;

2.9.4

zkapalněnému plynnému palivu nebo stlačenému vzduchu, kterým je zásobník plynného paliva naplněn na 90 % kapacity hmotnosti „paliva“, není-li toto „palivo“ zohledněno v hmotnosti v provozním stavu, v případě vozidel poháněných plynným palivem.

3.   Zvláštní požadavky týkající se hmotností a rozměrů vozidel podkategorií L6e-A, L7e-A a L7e-B, pokud jde o statickou stabilitu vozidla

3.0.1   Cíle a oblast působnosti

3.0.1.1   Vozidla podkategorií L6e-A (lehké silniční čtyřkolky), L7e-A (těžké silniční čtyřkolky) a L7e-B (těžké terénní čtyřkolky) jsou čtyřkolová vozidla, jež musí splňovat protichůdná konstrukční kritéria, neboť jsou používána nejen na pevných površích, ale také mimo vozovku v terénu. Důsledkem nutnosti zvládat různé druhy terénů může být vysoké těžiště, což má za následek nestabilitu vozidla. Minimální zkušební požadavky na statickou stabilitu vozidla mohou mít pozitivní vliv na konfiguraci hmotností a rozměrů během fáze návrhu a zvýšit statickou stabilitu vozidla.

3.0.1.2   Vozidla podkategorií L6e-A, L7e-A a L7e-B musí splňovat zkušební požadavky a výkonnostní kritéria stanovená v tomto bodě.

3.1   Zkušební vozidlo

3.1.1   Zkušební vozidlo musí být reprezentativní, pokud jde o hmotnosti, rozměry a tvary schváleného typu vozidla. Všechny konstrukční části vozidla musí být shodné se sériově vyráběnými díly, nebo v případě, že se vozidlo kategorie L liší od výrobní série, musí protokol o zkoušce obsahovat úplný popis. Při výběru zkušebního vozidla se výrobce a technická zkušebna dohodnou ke spokojenosti schvalovacího orgánu na tom, který zkušební model vozidla kategorie L je reprezentativní pro související varianty vozidla.

3.1.2   Kontroly

Na zkušebním vozidle se v souladu se specifikacemi výrobce pro zamýšlený účel provedou minimálně kontroly následujících částí: kola, ráfky kola, pneumatiky (reprezentativní značka, typ, tlak), geometrie náprav, seřízení zavěšení náprav a světlá výška vozidla (podle specifikací výrobce).

3.2   Zkoušky statické boční stability

3.2.1   Všechna vozidla podkategorií L6e-A, L7e-A a L7e-B musí při zkouškách popsaných níže splňovat požadavky na stabilitu uvedené v bodech 3.2.3.3 a 3.2.4.1.3. Zkoušky na nakloněné rovině se provedou jak v naložené konfiguraci, tak v konfiguraci s řidičem a cestujícím.

3.2.2   Zkouška na nakloněné rovině

3.2.2.1   Podmínky zkoušky

Zkušební podmínky musí být následující:

3.2.2.1.1   Naložená konfigurace

3.2.2.1.1.1

Zkušební vozidlo musí být ve standardním stavu bez příslušenství. Zkušební vozidlo a konstrukční části musí být smontovány a seřízeny podle pokynů a specifikací výrobce, s výjimkou bodu 3.2.2.1.1.5.

3.2.2.1.1.2

Pneumatiky musí být nahuštěny podle doporučení výrobce pro běžný provoz. Je-li stanoveno více hodnot tlaku, použije se nejvyšší hodnota.

3.2.2.1.1.3

Všechny kapaliny musí být doplněny na doporučenou úroveň a palivová nádrž musí být plná.

3.2.2.1.1.4

Řiditelná kola musí být v poloze pro jízdu v přímém směru.

3.2.2.1.1.5

Seřiditelné části zavěšení náprav musí být nastaveny na nejvyšší polohu.

3.2.2.1.1.6

Zkušební vozidlo se zatíží umístěním zkušebního závaží o hmotnosti cestujícího nebo jiné odpovídající hmotnosti na každé místo k sezení tak, aby těžiště závaží bylo 152 mm nad nejnižším bodem plochy nesoucí cestující a 254 mm před opěradlem sedadla. V nákladovém prostoru (nákladových prostorech) se zkušební náklad rozmístí bezpečně a rovnoměrně tak, aby nebyly překročeny meze nákladu a technicky přípustná hmotnost stanovená výrobcem (maximální hmotnost).

3.2.2.2   Konfigurace s řidičem a cestujícím

3.2.2.2.1   Zkušební vozidlo musí být ve standardním stavu bez příslušenství. Zkušební vozidlo a konstrukční části musí být smontovány a seřízeny podle pokynů a specifikací výrobce.

3.2.2.2.2   Pneumatiky musí být nahuštěny podle doporučení výrobce pro běžný provoz. Je-li stanoveno více hodnot tlaku, použije se nejnižší hodnota.

3.2.2.2.3   Všechny kapaliny musí být doplněny na doporučenou úroveň a palivová nádrž musí být plná.

3.2.2.2.4   Řiditelná kola musí být v poloze pro jízdu v přímém směru.

3.2.2.2.5   Seřiditelné části zavěšení náprav musí být nastaveny na výrobcem specifikované hodnoty v místě dodání obchodnímu zástupci.

3.2.2.2.6   Zkušební vozidlo se zatíží umístěním zkušebního závaží o hmotnosti cestujícího nebo jiné odpovídající hmotnosti na místo k sezení řidiče a na přední nejkrajnější místo k sezení cestujícího tak, aby těžiště závaží bylo 152 mm nad nejnižším bodem plochy nesoucí cestující a 254 mm před opěradlem sedadla.

3.2.2.3   Zkušební zařízení

Zkušební plošina musí být pevná, plochá a postavená tak, aby mohla sloužit jako svah o nastavitelném sklonu, nakloněná rovina nebo podobné zařízení s povrchem, jehož součinitel tření je nejméně 1,0, nebo s obrubnicí, dorazem nebo jiným zařízením, jehož výška nepřesahuje 25,4 mm a které je za normálních zkušebních podmínek schopné zabránit prokluzu pneumatik. Povrch plošiny musí být dostatečně velký, aby se na ni vešla všechna kola zkušebního vozidla.

3.2.2.4   Zkušební postup

Postup zkoušky je následující:

3.2.2.4.1

Zkušební vozidlo se zkušebním zatížením se umístí na naklápěcí plošinu tak, aby přímka procházející středem stopy dvou nejnižších pneumatik byla rovnoběžná s osou klopení plošiny, a řiditelná kola vozidla se uvedou do polohy pro jízdu v přímém směru.

3.2.2.4.2

Stabilita vozidla se stanoví přímo naklopením plošiny:

3.2.2.4.2.1

u naložené konfigurace – do úhlu 20 stupňů (36,4 %);

3.2.2.4.2.2

u konfigurace s řidičem a cestujícím – do úhlu 28 stupňů (53,2 %).

3.2.2.4.3

Poté se plošina uvede do výchozí vodorovné polohy.

3.2.2.4.4

U všech pneumatik se ověří, zda jejich nahuštění stále vyhovuje zkušebním požadavkům.

3.2.2.4.5

Test se provede s jednou stranou vozidla čelem k ose klopení plošiny a poté se zopakuje s druhou stranou vozidla čelem k ose klopení plošiny.

3.2.2.5   Výkonnostní požadavky

Podmínkou úspěšné zkoušky boční stability je, že alespoň jedna z nosných pneumatik na stoupající straně plošiny musí zůstat v kontaktu s povrchem plošiny.

3.2.3   Součinitel statické stability – Kst

3.2.3.1   Podmínky zkoušky

Zkušební podmínky jsou následující:

3.2.3.1.1

Zkušební vozidlo musí být ve standardním stavu bez příslušenství. Zkušební vozidlo a konstrukční části musí být smontovány a seřízeny podle pokynů a specifikací výrobce.

3.2.3.1.2

Pneumatiky zkušebního vozidla musí být nahuštěny podle doporučení výrobce pro běžný provoz. Je-li stanoveno více hodnot tlaku, použije se nejnižší hodnota.

3.2.3.1.3

Všechny kapaliny musí být doplněny na doporučenou úroveň a palivová nádrž musí být plná.

3.2.3.1.4

Řiditelná kola musí být v poloze pro jízdu v přímém směru.

3.2.3.1.5

Seřiditelné části zavěšení náprav musí být nastaveny na hodnoty specifikované v místě dodání obchodnímu zástupci.

3.2.3.1.6

Výška těžiště se určí podle normy ISO 10392:2011, metodou úhlu stability nebo jinou vědeckou metodou, která zajistí srovnatelné a opakovatelné výsledky.

3.2.3.2   Výpočet Kst

Rovnice 11-1:

Formula

kde:

Kst: součinitel statické stability

CG: těžiště

Lcg: poloha těžiště před zadní nápravou

Hcg: poloha těžiště nad rovinou země

t1 : rozchod kol přední nápravy

t2 : rozchod kol zadní nápravy

L: rozvor

3.2.3.3   Výkonnostní požadavky

3.2.3.3.1   (Pod)kategorie L6e-A, L7e-A a L7e-B2: Kst ≥ 1,0

3.2.3.3.2   (Pod)kategorie L7e-B1: Kst ≥ 0,7

3.2.4   Stabilita při předklánění a zaklánění

3.2.4.1   Podmínky zkoušky

Podmínky zkoušky se shodují s podmínkami podle bodu 3.2.2.1.

3.2.4.1.1   Zkušební zařízení

Použije se zkušební plošina, která splňuje požadavky podle bodu 3.2.2.

3.2.4.1.2   Zkušební postup

Naložené zkušební vozidlo se umístí na naklápěcí plošinu tak, aby jeho podélná osa byla kolmá na osu klopení plošiny. Přední konec zkušebního vozidla směřuje k ose klopení plošiny. Naklopte plošinu do úhlu 25 stupňů (sklon 46,6 %) a opakujte kroky podle bodů 3.2.3 a 3.2.4. Zopakujte postup s vozidlem umístěným tak, že jeho zadní konec směřuje k ose klopení plošiny.

3.2.4.1.3   Výkonnostní požadavky, pokud jde o stabilitu při předklánění a zaklánění

Podmínkou zkoušky stability při předklánění a zaklánění je, že alespoň jedna z nosných pneumatik na stoupající straně plošiny musí zůstat v kontaktu s povrchem plošiny.


(1)  Směrnice Evropského parlamentu a Rady 2007/46/ES ze dne 5. září 2007, kterou se stanoví rámec pro schvalování motorových vozidel a jejich přípojných vozidel, jakož i systémů, konstrukčních částí a samostatných technických celků určených pro tato vozidla (rámcová směrnice) (Úř. věst. L 263, 9.10.2007, s. 1).

PŘÍLOHA XII

Požadavky týkající se funkčních palubních diagnostických systémů (OBD)

1.   Úvod

Tato příloha se týká funkčních požadavků na palubní diagnostické systémy (systémy OBD) vozidel kategorie L a stanoví požadavky podle článku 21 nařízení (EU) č. 168/2013, v souladu s harmonogramem v příloze IV uvedeného nařízení a s odkazem na hraniční hodnoty emisí pro systémy OBD uvedené v příloze VI části B uvedeného nařízení.

2.   OBD stupně I a stupně II

2.1   OBD stupně I

2.1.1

Technické požadavky této přílohy jsou závazné pro vozidla kategorie L vybavená systémem OBD stupně I, jak stanoví článek 21 a příloha IV nařízení (EU) č. 168/2013. Tato povinnost se týká splnění všech níže uvedených bodů s výjimkou těch, které stanoví požadavky na systém OBD stupně II v bodech 2.2 a 2.3.

2.2   OBD stupně II

2.2.1

Vozidlo kategorie L může být vybaveno systémem OBD stupně II, rozhodne-li se tak výrobce.

2.2.2

Je-li systém OBD stupně II nainstalován, platí technické požadavky této přílohy. To se týká zejména příslušných bodů uvedených v tabulce 12-1.

Tabulka 12-1

Funkce systému OBD stupně II a související požadavky v bodech této přílohy a dodatku 1

Oblast

Body v této příloze a dodatku 1

Sledování katalyzátoru

3.3.3.1/3.3.4.1

Účinnost recirkulace výfukových plynů (EGR) / sledování toku

3.3.4.4

Sledování provozní výkonnosti

bod 4 dodatku 1

Detekce selhání zapalování

3.3.3.2/3.5.3/3.6.2/3.7.1/3.1.2 dodatku 1

Sledování systému následného zpracování NOx

3.3.4.5/3.3.4.6

Sledování zhoršení funkce lambda-sondy

3.3.3.3

Sledování filtrů částic

3.3.4.2

Sledování emisí částic (PM)

3.3.3.5

2.3   Diagnostika elektrických obvodů

2.3.1

Pro účely bodů 3.3.5 a 3.3.6 musí diagnostika elektrických obvodů a elektronických selhání systému OBD stupně I nebo II obsahovat nejméně diagnostiku snímačů a aktuátorů a dále interní diagnostiku elektronických řídících jednotek uvedených v dodatku 2.

2.3.2

Součástí systému OBD stupně II je neprůběžná sledovací diagnostika elektrických obvodů, tj. taková sledovací diagnostika elektrických obvodů, která běží, dokud neproběhnou její zkoušky v neprůběžném režimu, a splnění bodu 3.3.6 pro položky uvedené v dodatku 2.

2.3.3

Seznam v dodatku 2 bude do 31. prosince 2018 přezkoumán a, bude-li to shledáno nutným, aktualizován s ohledem na technický vývoj. Sledování chybných funkcí doplňkových zařízení nad rámec zařízení již uvedených v tabulce spadá pod systém OBD stupně II.

3.   Funkční požadavky na systém OBD

3.1   Vozidla kategorie L musí být vybavena systémem OBD navrženým, konstruovaným a instalovaným ve vozidle tak, aby umožňoval identifikovat druhy zhoršení funkcí nebo chybných funkcí během celé životnosti vozidla. K tomuto účelu musí schvalovací orgán akceptovat, že vozidla, která najela vzdálenost větší než vzdálenost stanovenou pro zkoušku typu V na životnost v příloze VII části A nařízení (EU) č. 168/2013, mohou vykazovat určité zhoršení výkonnosti systému OBD, takže hraniční hodnoty emisí pro palubní diagnostické systémy stanovené v příloze VI části B nařízení (EU) č. 168/2013 mohou být překročeny dříve, než systém OBD signalizuje chybu řidiči vozidla.

3.1.1   Přístup k systému OBD požadovaný pro kontrolu, diagnostiku, údržbu nebo opravy vozidla musí být neomezený a normovaný. Všechny chybové kódy týkající se OBD musí být v souladu s bodem 3.11 dodatku 1 k této příloze.

3.1.2   Výrobce může ve snaze o účinnější opravy vozidel kategorie L zvážit rozšíření systému OBD tak, aby sledoval a podával hlášení o jakémkoli jiném systému vozidla. Na rozšířené diagnostické systémy se požadavky na schválení typu nevztahují.

3.2   Systém OBD musí být navržen, konstruován a instalován na vozidle tak, aby vozidlo při běžných podmínkách používání splňovalo požadavky této přílohy.

3.2.1   Dočasné vyřazení systému OBD z činnosti

3.2.1.1   Výrobce může vyřadit systém OBD z činnosti, pokud je jeho sledovací schopnost negativně ovlivněna nízkým stavem paliva nebo pokud je pohon nebo baterie elektrického systému pod minimálním stavem nabití (maximální vybití kapacity). Toto vyřazení nesmí nastat, je-li množství paliva větší než 20 % jmenovitého obsahu palivové nádrže.

3.2.1.2   Výrobce může vyřadit systém OBD z činnosti, pokud je okolní teplota při startu motoru nižší než 266,2 K (–7 °C) nebo při nadmořské výšce vyšší než 2 500 m za předpokladu, že poskytne údaje a/nebo technický posudek, který náležitě dokazuje, že sledování za takových podmínek by bylo nespolehlivé. Výrobce může rovněž vyžadovat vyřazení systému OBD z činnosti při jiných okolních teplotách při startu motoru, pokud schvalovacímu orgánu údaji a/nebo technickým posudkem prokáže, že by za těchto podmínek došlo k nesprávnému fungování diagnostiky. Rozsvícení indikátoru chybné funkce (MI) není nutné, pokud byly v průběhu regenerace překročeny hraniční hodnoty pro OBD, za předpokladu, že v systému není porucha.

3.2.1.3   U vozidel konstruovaných k zabudování jednotek odběru výkonu je vyřazení dotčených sledovacích systémů z činnosti povoleno pouze tehdy, pokud je jednotka odběru výkonu v činnosti.

Kromě ustanovení tohoto oddílu může výrobce dočasně vyřadit systém OBD z činnosti za těchto podmínek:

a)

u jedno- a dvoupalivových vozidel a vozidel „flex fuel“ po dobu 1 minuty po doplnění paliva, aby se řídící jednotce hnacího ústrojí (PCU) umožnilo rozpoznat kvalitu a složení paliva;

b)

u dvoupalivových vozidel po dobu 5 sekund po přepnutí paliva, aby mohlo dojít k přizpůsobení parametrů motoru;

c)

výrobce se může od těchto časových limitů odchýlit, jestliže prokáže, že stabilizace palivového systému po doplnění nebo přepnutí paliva trvá z oprávněných technických důvodů déle. Palubní diagnostický systém musí být v každém případě uveden v činnost, jakmile dojde k rozpoznání kvality nebo složení paliva či k přizpůsobení parametrů motoru.

3.2.2   Selhání zapalování u vozidel vybavených zážehovými motory

3.2.2.1   Výrobce může za zvláštních podmínek otáček a zatížení motoru dovolit vyšší procento selhání zapalování, než jaké uvedl schvalovacímu orgánu, prokáže-li tomuto orgánu, že detekce menšího procenta selhání zapalování by byla nespolehlivá. Ve smyslu sledování systémem OBD to znamená takové procento selhání zapalování z celkového počtu zapalování (stanovené výrobcem), které by způsobilo překročení hraničních hodnot emisí pro OBD stanovených v příloze VI části B nařízení (EU) č. 168/2013, nebo takové procento, které by u katalyzátoru nebo katalyzátorů vedlo k přehřátí a nevratnému poškození.

3.2.2.1   Může-li výrobce prokázat správnímu orgánu, že detekce většího procenta výskytu selhání zapalování není ani potom reálná, nebo že selhání zapalování nelze odlišit od jiných vlivů (například nerovná vozovka, řazení rychlostí, perioda po nastartování motoru atd.), lze systém sledující selhání zapalování při výskytu takových podmínek vyřadit z činnosti.

3.3   Popis zkoušek

3.3.1   Systém OBD musí nahlásit poruchu konstrukční části nebo systému souvisejících s emisemi, má-li tato porucha za následek zvýšení emisí nad hraniční hodnoty emisí pro OBD stanovené v příloze VI části B nařízení (EU) č. 168/2013.

3.3.2   Požadavky na sledování u vozidel se zážehovými motory

Aby byly splněny požadavky článku 21 nařízení (EU) č. 168/2013, musí systém OBD sledovat alespoň:

3.3.2.1   snížení účinnosti katalyzátoru z hlediska emisí uhlovodíků a oxidů dusíku. Výrobci mohou sledovat přední katalyzátor buď samostatně, nebo v kombinaci s dalším katalyzátorem (katalyzátory) za ním. Funkce sledovaného katalyzátoru nebo kombinace katalyzátorů se považuje za chybnou, překročí-li emise hraniční hodnoty nemetanových uhlovodíků nebo oxidů dusíku uvedené v příloze VI části B nařízení (EU) č. 168/2013.

3.3.2.2   Selhání zapalování

Selhání zapalování motoru, při rozsahu činnosti motoru definovaném následovně:

a)

maximální konstrukční otáčky motoru minus 500 min-1;

b)

křivka pozitivního točivého momentu (tj. zatížení motoru ve volnoběhu);

c)

křivka spojující následující body: bod na křivce pozitivního točivého momentu při otáčkách 3 000 min–1 a bod na křivce maximálních otáček definované v bodu a) výše, při podtlaku v sacím potrubí motoru o 13,3 kPa nižším, než kolik je podtlak na křivce pozitivního točivého momentu.

3.3.2.3   Zhoršení funkce lambda-sondy

Tento oddíl znamená, že je sledováno zhoršení funkce všech instalovaných lambda-sond používaných ke sledování nesprávného fungování katalyzátoru podle požadavků této přílohy.

3.3.2.4   U elektronického řízení systému odvádění emisí způsobených vypařováním paliva musí být sledována alespoň neporušenost obvodu.

3.3.2.5   U zážehových motorů s přímým vstřikováním se v souladu s požadavky této přílohy pro vznětové motory sleduje jakákoli chybná funkce, která může vést k tomu, že emise překročí hraniční hodnoty emisí částic stanovené v příloze VI části B nařízení (EU) č. 168/2013.

3.3.3   Požadavky na sledování u vozidel se vznětovými motory

Aby byly splněny požadavky článku 21 nařízení (EU) č. 168/2013, musí systém OBD sledovat:

3.3.3.1

u vozidel vybavených katalyzátorem snížení jeho účinnosti;

3.3.3.2

u vozidel vybavených zachycovačem částic jeho funkčnost a neporušenost;

3.3.3.3

neporušenost obvodu a celkové selhání funkce elektronických aktuátorů dávkování a časování vstřikovacího systému;

3.3.3.4

chybné funkce a snížení účinnosti systému recirkulace výfukových plynů;

3.3.3.5

chybné funkce a snížení účinnosti systému následného zpracování NOx pomocí činidla a podsystému dávkování činidla;

3.3.3.6

chybné funkce a snížení účinnosti systému následného zpracování NOx bez použití činidla.

3.3.4   Jsou-li při zvoleném palivu aktivní, sledují se ostatní konstrukční části nebo systémy systému pro regulaci emisí anebo konstrukční části a systémy hnacího ústrojí související s emisemi, které jsou spojené s počítačem a jejichž porucha nebo selhání může vést ke zvýšení výfukových emisí nad hraniční hodnoty emisí pro OBD stanovené v příloze VI části B nařízení (EU) č. 168/2013.

3.3.5   Pokud nejsou sledovány jinak, musí být z hlediska selhání elektrického/elektronického obvodu sledovány všechny ostatní elektronické součásti hnacího ústrojí připojené k počítači a významné pro vliv vozidla na životní prostředí a/nebo jeho funkční bezpečnost, včetně všech příslušných snímačů, jimiž se provádějí sledovací funkce. Tyto elektronické součásti musí být průběžně sledovány zejména z hlediska neporušenosti elektrického obvodu, zkratu elektrického obvodu, dosahu/výkonnosti elektrického pohonu a zablokovaného signálu systému pro regulaci emisí.

3.3.6   Pokud nejsou sledovány jinak, všechny ostatní konstrukční části hnacího ústrojí připojené k počítači a významné pro vliv vozidla na životní prostředí a/nebo jeho funkční bezpečnost, které aktivují jakýkoli naprogramovaný nouzový („limp-home“) provozní režim, jenž významně omezuje točivý moment motoru, například z důvodu ochrany konstrukčních částí hnacího ústrojí. Aniž je dotčen seznam Ap2-1, uloží se příslušný diagnostický chybový kód.

3.3.7   Výrobci mohou schvalovacímu orgánu prokázat, že některé konstrukční části nebo podsystémy nemusí být sledovány, pokud v případě jejich úplného selhání nebo odstranění nepřekročí emise hraniční hodnoty uvedené v příloze VI části B nařízení (EU) č. 168/2013.

3.4   Při každém nastartování motoru musí být zahájen sled diagnostických kontrol a dokončen alespoň jednou za předpokladu, že byly splněny správné podmínky zkoušky. Zkušební podmínky se zvolí takové, jaké se vyskytují při běžném jízdním režimu představovaném zkouškou typu I. Nelze-li poruchu spolehlivě detekovat v podmínkách zkoušky typu I, může výrobce navrhnout dodatečné zkušební podmínky, které umožní řádnou detekci poruchy a které je nutné dohodnout s technickou zkušebnou ke spokojenosti schvalovacího orgánu.

3.5   Aktivace indikátoru chybné funkce (MI)

3.5.1   Systém OBD musí obsahovat indikátor chybné funkce, který řidič snadno postřehne. Indikátor chybné funkce nesmí být použit pro žádný jiný účel než k indikaci nouzového startování nebo nouzového („limp-home“) režimu. Indikátor chybné funkce musí být viditelný za všech běžných světelných podmínek. Aktivuje-li se, musí zobrazovat symbol v souladu s normou ISO 2575:2010, symbol F.01. Vozidlo nesmí být vybaveno více než jedním indikátorem chybné funkce všeobecného určení pro problémy týkající se emisí nebo závad na hnacím ústrojí, jež vedou k významnému snížení točivého momentu. Jsou povoleny samostatné indikátory pro konkrétní účely (např. pro brzdový systém, zapnutí bezpečnostních pásů, tlak oleje atd.). Použití červené barvy pro indikátor chybné funkce MI je zakázáno.

3.5.2   U strategií vyžadujících pro aktivaci indikátoru chybné funkce více než dva přípravné stabilizační cykly musí výrobce poskytnout údaje a/nebo technický posudek, které odpovídajícím způsobem prokazují, že sledovací systém je schopen účinně a včas rozpoznat zhoršení funkce některé konstrukční části. Strategie, které k aktivaci indikátoru chybné funkce vyžadují průměrně více než 10 jízdních cyklů, nejsou přípustné. Indikátor chybné funkce se aktivuje také v případě, kdy řízení hnacího ústrojí vstoupí do permanentního nastavení režimu při poruše, který má za následek významné snížení točivého momentu, nebo kdy dojde k překročení hraničních hodnot emisí pro OBD podle přílohy VI části B nařízení (EU) č. 168/2013 nebo kdy systém OBD není schopen plnit základní požadavky na sledování podle bodů 3.3.2 nebo 3.3.3.

3.5.3   Indikátor chybné funkce se musí projevovat jasně odlišným výstražným režimem, např. blikajícím světlem, kdykoli dojde k selhání zapalování v rozsahu, kdy by podle specifikací výrobce mohlo dojít k poškození katalyzátoru.

3.5.4   Indikátor chybné funkce se musí aktivovat také v případě, kdy je klíč zapalování vozidla před nastartováním nebo roztočením motoru v poloze „zapnuto“, a deaktivovat, pokud nebyla zaznamenána chybná funkce. U vozidel, která nejsou vybavena baterií, se indikátor chybné funkce rozsvítí ihned po nastartování motoru a zhasne po 5 sekundách, pokud mezitím nebyla zaznamenána chybná funkce.

3.6   Systém OBD zaznamenává chybové kódy označující stav systému pro regulaci emisí nebo systému funkční bezpečnosti, který vede k provoznímu režimu, při němž je oproti normálnímu provoznímu režimu významně snížen točivý moment. K identifikaci správné funkce systémů pro regulaci emisí, systémů funkční bezpečnosti a takových systémů pro regulaci emisí, které k úplnému vyhodnocení potřebují další provoz vozidla, se použijí samostatné stavové kódy. Je-li indikátor chybné funkce aktivován z důvodu zhoršení funkce nebo permanentního nastavení režimu při poruše v oblasti emisí, uloží se do paměti chybový kód, který identifikuje druh chybné funkce. Chybový kód se ukládá také v případech uvedených v bodech 3.2.2.5 a 3.2.3.5.

3.6.1   Vzdálenost ujetá vozidlem během doby, kde je indikátor chybné funkce aktivní, musí být kdykoliv k dispozici přes sériové rozhraní normalizovaného diagnostického konektoru. Pro vozidla vybavená mechanickým počitadlem kilometrů, které neumožňuje vkládání dat do elektronické řídící jednotky, platí odchylně, že hodnotu „ujetá vzdálenost“ lze nahradit hodnotou „doba provozu motoru“, která musí být kdykoli k dispozici přes sériové rozhraní normalizovaného diagnostického konektoru.

3.6.2   U vozidel se zážehovým motorem nemusí být zvlášť identifikovány válce, ve kterých nedošlo k zapálení, je-li do paměti uložen jednoznačný chybový kód selhání zapalování pro jednotlivý válec nebo více válců.

3.6.3   Indikátor chybné funkce může být aktivován při úrovni emisí pod hraničními hodnotami emisí pro systémy OBD uvedenými v příloze VI části B nařízení (EU) č. 168/2013.

3.6.3   Indikátor chybné funkce může být aktivován, je-li aktivní režim při poruše bez významného snížení točivého momentu.

3.7   Zhasnutí indikátoru chybné funkce

3.7.1   Pokud již nedochází k selhávání zapalování v takové míře, že by mohlo dojít k poškození katalyzátoru (podle údajů výrobce), nebo pokud se otáčky a zatížení motoru změnily natolik, že míra selhávání zapalování již nepoškodí katalyzátor, může být indikátor chybné funkce přepnut zpět do předchozího stavu aktivace během prvního jízdního cyklu, ve kterém byla zjištěna míra selhávání zapalování, a do normálního aktivovaného stavu v následujících jízdních cyklech. Pokud je indikátor chybné funkce přepnut zpět do předchozího stavu aktivace, příslušné chybové kódy a uložené údaje o provozních podmínkách při prvním výskytu chyby („freeze-frame“) mohou být vymazány.

3.7.2   U všech ostatních poruch může být indikátor chybné funkce deaktivován po třech po sobě následujících jízdních cyklech, během nichž sledovací systém, jenž má na starosti aktivaci indikátoru chybné funkce, nezaznamenal chybnou funkci, a pokud nebyla identifikována jiná chybná funkce, která by sama mohla indikátor chybné funkce aktivovat.

3.8   Vymazání chybového kódu

3.8.1   Systém OBD může chybový kód a ujetou vzdálenost a údaje o provozním stavu uložené při prvním výskytu chybné funkce („freeze-frame“) vymazat, pokud není stejná chybná funkce opětovně zaznamenána v nejméně 40 zahřívacích cyklech.

3.8.2   K vymazání uložených chyb nesmí dojít odpojením palubního počítače od elektrického zdroje vozidla nebo odpojením či poruchou baterie nebo baterií vozidla.

3.9   Dvoupalivová vozidla na plyn

Všechny požadavky na OBD, jež platí pro jednopalivová vozidla, platí obecně pro dvoupalivová vozidla na plyn pro každý typ paliva (benzin a (NG/biometan/LPG)). Pro tento účel se použije jedna z následujících dvou možností uvedených v bodech 3.8.1 nebo 3.8.2 nebo jakákoli jejich kombinace.

3.9.1   Jeden systém OBD pro oba druhy paliva

3.9.1.1   Následující postupy se provedou pro každou diagnostickou operaci v rámci jednoho systému OBD pro provoz na benzin a na (NG/biometan)/LPG, a to buď bez ohledu na palivo, které je v dané době používáno, nebo podle příslušného druhu paliva:

a)

aktivace indikátoru chybné funkce (viz bod 3.5);

b)

uložení chybového kódu (viz bod 3.6);

c)

zhasnutí indikátoru chybné funkce (viz bod 3.7);

d)

vymazání chybového kódu (viz bod 3.8).

Pro účely sledování konstrukčních částí nebo systémů je možné použít buď samostatnou diagnostiku pro každý druh paliva, nebo diagnostiku společnou.

3.9.1.2   Systém OBD se může nacházet v jednom či více počítačích.

3.9.2   Dva samostatné systémy OBD, jeden pro každý druh paliva.

3.9.2.1   Následující postupy jsou prováděny nezávisle na sobě, je-li vozidlo poháněno benzinem nebo (NG/biometanem)/LPG:

a)

aktivace indikátoru chybné funkce (viz bod 3.5);

b)

uložení chybového kódu (viz bod 3.6);

c)

zhasnutí indikátoru chybné funkce (viz bod 3.7);

d)

vymazání chybového kódu (viz bod 3.8).

3.9.2.2   Samostatné systémy OBD se mohou nacházet v jednom či více počítačích.

3.9.3   Zvláštní požadavky na přenos diagnostických signálů u dvoupalivových vozidel na plyn.

3.9.3.1   Na základě požadavku diagnostického čtecího zařízení se diagnostické signály předávají na jednu nebo více zdrojových adres. Použití zdrojových adres se řídí normou ISO 15031-5:2011.

3.9.3.2   Informace pro příslušné druhy paliva lze identifikovat:

a)

pomocí zdrojových adres a/nebo

b)

použitím selekčního přepínače paliva a/nebo

c)

použitím chybových kódů pro příslušné druhy paliva.

3.9.4   Pokud jde o stavový kód (podle bodu 3.6), je nutné použít jednu z následujících dvou možností, jestliže jeden nebo více diagnostických údajů indikujících pohotovost je specifický pro určitý druh paliva:

a)

stavový kód se liší podle jednotlivých druhů paliva, tzn. jsou použity dva stavové kódy, jeden pro každý druh paliva;

b)

po úplném vyhodnocení kontrolních systémů pro jeden druh paliva indikuje stavový kód úplně vyhodnocené kontrolní systémy pro oba druhy paliva (benzin a (NG/biometan)/LPG).

Není-li žádný z diagnostických ukazatelů indikujících pohotovost specifický pro určitý druh paliva, je podporován jen jeden stavový kód.

4.   Požadavky na schvalování typu palubních diagnostických systémů

4.1   Výrobce může orgán požádat o přijetí systému OBD ke schválení typu, přestože systém vykazuje jeden nebo více nedostatků, takže zvláštní požadavky této přílohy nejsou zcela splněny.

4.2   Při posouzení žádosti orgán rozhodne, zda je splnění požadavků této přílohy neproveditelné nebo nepřiměřené.

Orgán zváží údaje výrobce, ve kterých jsou uvedeny takové skutečnosti, jako jsou například technická proveditelnost, přípravná lhůta a cykly výroby včetně fáze zahájení nebo zastavení výroby motorů nebo konstrukcí vozidel a zdokonalení programového vybavení počítačů, rozsah, ve kterém výsledný systém OBD bude splňovat požadavky tohoto nařízení a zda výrobce prokázal přiměřenou úroveň úsilí o splnění požadavků tohoto předpisu.

4.2.1

Orgán nevyhoví žádosti o schválení nedostatku, kterému úplně chybí požadované diagnostické sledování.

4.2.2

Správní orgán nevyhoví žádosti o schválení systému s nedostatky, který nesplňuje hraniční hodnoty pro palubní diagnostické systémy podle přílohy VI části B nařízení (EU) č. 168/2013.

4.3   Při určování pořadí nedostatků se jako první identifikují nedostatky, které se vztahují k bodům 3.3.3.1, 3.3.3.2 a 3.3.3.3 u zážehových motorů a k bodům 3.3.4.1, 3.3.4.2 a 3.3.4.3 u vznětových motorů.

4.4   Před schválením typu nebo v jeho průběhu nejsou přípustné žádné nedostatky týkající se požadavků podle bodu 3.5, s výjimkou bodu 3.5.3.4 dodatku 1.

4.5   Doba, po kterou se připouštějí nedostatky

4.5.1

Nedostatek může trvat po dobu dvou let od data schválení typu vozidla, pokud nemůže být dostatečným způsobem prokázáno, že k odstranění nedostatku by byly potřebné podstatné změny v konstrukci vozidla a prodloužení dvouleté lhůty. V takovém případě může nedostatek trvat po dobu nepřekračující tři roky.

4.5.2

Výrobce může schvalovací orgán požádat o povolení nedostatku zpětně, pokud byl takový nedostatek zjištěn po původním schválení typu. V tomto případě může nedostatek trvat po dobu dvou let od data oznámení správnímu orgánu, pokud nemůže být dostatečným způsobem prokázáno, že k odstranění nedostatku by byly potřebné podstatné změny v konstrukci vozidla a prodloužení dvouleté lhůty. V takovém případě může nedostatek trvat po dobu nepřekračující tři roky.

4.6   Orgán své rozhodnutí o vyhovění žádosti o schválení systému s nedostatky oznámí všem ostatním členským státům.

Dodatek 1

Funkčnost palubních diagnostických systémů (OBD)

1.   Úvod

Za účelem harmonizace systémů a ověření, zda je systém schopen vyhovět požadavkům podle článku 21 nařízení (EU) č. 168/2013, musí palubní diagnostické systémy ve vozidlech kategorie L splňovat podrobné informační a funkční požadavky a postupy ověřovacích zkoušek uvedené v tomto dodatku.

2.   Ověřovací zkoušky funkčnosti palubní diagnostiky

2.1

Výkonnost a funkční schopnosti palubního diagnostického systému, pokud jde o životní prostředí, se ověřují a schvalovacímu orgánu prokazují provedením zkoušky typu VIII podle přílohy V části A nařízení (EU) č. 168/2013.

3.   Diagnostické signály

3.1

Jakmile je rozpoznána první chybná funkce některé konstrukční části nebo systému, uloží se do paměti počítače údaje o stavu motoru v daném okamžiku (údaje „freeze-frame“). Zaznamenané údaje o stavu motoru musí obsahovat alespoň výpočtovou hodnotu zatížení motoru, otáčky motoru, meze adaptace seřízení motoru (pokud jsou k dispozici), tlak paliva (pokud je k dispozici), rychlost vozidla (pokud je k dispozici), teplotu chladicí kapaliny, tlak v sacím potrubí (pokud je k dispozici), regulovaný nebo neregulovaný provoz, tj. se zpětnou vazbou lambda-sondy nebo bez této vazby (pokud je k dispozici), a chybový kód, který vyvolal uložení údajů.

3.1.1

Výrobce musí pro uložení stavu „freeze-frame“ vybrat takové údaje, které usnadní následné opravy. Požaduje se pouze jeden soubor údajů „freeze-frame“. Výrobci mohou nechat do paměti uložit další soubory údajů „freeze-frame“ za předpokladu, že pomocí generického čtecího zařízení, které odpovídá požadavkům podle bodů 3.9 a 3.10, lze přečíst alespoň předepsaný soubor údajů. Pokud je chybový kód, který vyvolal uložení daného stavu do paměti, vymazán podle bodu 3.8 přílohy XII, mohou být rovněž vymazány uložené údaje o stavu motoru.

3.1.2

Pokud potom dojde k chybné funkci palivového systému nebo selhání zapalování, nahradí se všechny předchozí uložené údaje „freeze-frame“ údaji o palivovém systému nebo o selhání zapalování (podle toho, co nastane dříve).

3.2

Kromě požadovaných informací „freeze-frame“ musí být na požádání přes sériové rozhraní normalizovaného diagnostického konektoru k dispozici následující signály, pokud jsou tyto informace v palubním počítači k dispozici nebo pokud mohou být zjištěny pomocí informací dostupných v palubním počítači: diagnostické chybové kódy, teplota chladící kapaliny motoru, stav systému řízení paliva (regulovaný, neregulovaný, jiný), adaptace seřízení motoru, předstih zapalování, teplota nasávaného vzduchu, tlak vzduchu v sacím potrubí, průtok vzduchu, otáčky motoru, výstupní hodnota snímače polohy škrtící klapky, stav sekundárního vzduchu (před vstupem, za vstupem, atmosférický), výpočtová hodnota zatížení motoru, rychlost vozidla, poloha přepínače protiblokovacího brzdného systému (zap/vyp), aktivovaný režim (režimy) při poruše a tlak paliva.

Signály musí být v normalizovaných jednotkách podle specifikací uvedených v bodě 3.7. Vlastní signály musí být jasně odlišitelné od výchozí hodnoty nebo od signálů nouzového („limp-home“) režimu.

3.3

U všech systémů, u kterých se provádějí palubní vyhodnocovací zkoušky (katalyzátor, lambda-sonda, atd.), s výjimkou detekce selhání zapalování, sledování palivového systému a celkového sledování konstrukčních částí, musí být přes sériové rozhraní normalizovaného diagnostického konektoru podle požadavků bodu 3.8 k dispozici výsledky poslední zkoušky provedené vozidlem a hraniční hodnoty, vůči kterým je systém porovnáván. Pro výše vyňaté sledované konstrukční části a systémy musí být přes sériové rozhraní normalizovaného diagnostického konektoru k dispozici údaj o vyhovění nebo nevyhovění v poslední zkoušce.

Všechny údaje o provozní výkonnosti hlášené systémem OBD, které musí být uloženy podle bodu 4.6, musí být k dispozici přes sériové rozhraní normalizovaného diagnostického konektoru podle specifikací v bodě 3.8.

3.4

Požadavky na palubní diagnostiku OBD, na jejichž základě je vozidlo certifikováno (tj. příloha XII nebo alternativní požadavky podle bodu 5), a hlavní systémy sledované systémem OBD podle bodu 3.10 musí být k dispozici přes sériové rozhraní normalizovaného diagnostického konektoru podle bodu 3.8 tohoto dodatku.

3.5

Softwarová identifikační a kalibrační ověřovací čísla musí být k dispozici přes sériové rozhraní normalizovaného diagnostického konektoru. Obě čísla musí být v normalizovaném formátu.

3.6

Diagnostický systém nemusí vyhodnocovat konstrukční části během chybné funkce, pokud by toto vyhodnocení vedlo k ohrožení funkční bezpečnosti nebo poruše konstrukční části.

3.7

Diagnostický systém musí poskytovat normalizovaný a neomezený přístup k OBD a musí být v souladu s následujícími normami ISO a/nebo předpisy SAE:

3.8

Pro spojení mezi palubním počítačem a externím počítačem musí být použita jedna z následujících norem, a to při zohlednění popsaných omezení:

ISO 9141-2:1994/Amd 1:1996: „Road Vehicles — Diagnostic Systems — Part 2: CARB requirements for interchange of digital information“,

SAE J1850: March 1998 „Class B Data Communication Network Interface. Emission related messages shall use the cyclic redundancy check and the three-byte header and not use inter byte separation or checksums“,

ISO 14229-3:2012: „Road vehicles — Unified diagnostic services (UDS) — Part 3: Unified diagnostic services on CAN implementation“,

ISO 14229-4:2012: „Road vehicles — Unified diagnostic services (UDS) — Part 4: Unified diagnostic services on FlexRay implementation“,

ISO 14230-4:2000: „Road Vehicles — Keyword protocol 2000 for diagnostic systems — Part 4: Requirements for emission-relate systems“,

ISO 15765-4:2011: „Road vehicles — Diagnostics on Controller Area Network (CAN) — Part 4: Requirements for emissions-related systems“, ze dne 1. listopadu 2001,

ISO 22901-2:2011: „Road vehicles — Open diagnostic data exchange (ODX) — Part 2: Emissions-related diagnostic data“.

3.9

Zkušební zařízení a diagnostické přístroje potřebné ke komunikaci se systémy OBD musí splňovat nebo překračovat funkční specifikace normy ISO 15031-4:2005: „Road vehicles — Communication between vehicle and external test equipment for emissions-related diagnostics — Part 4: External test equipment“.

3.10

Základní diagnostické údaje (uvedené v bodě 6.5.1) a informace o obousměrné kontrole musí být k dispozici ve formátu a jednotkách popsaných v normě ISO 15031-5:2011 „Road vehicles — Communication between vehicle and external test equipment for emissions-related diagnostics — Part 5: Emissions-related diagnostic services“ a musí být k dispozici prostřednictvím diagnostického přístroje, který splňuje požadavky normy ISO 15031-4:2005.

3.10.1

Výrobce vozidla předá schvalovacímu orgánu podrobnosti o všech diagnostických údajích, které nejsou upřesněny v normě ISO 15031-5:2011, avšak souvisejí s tímto nařízením, např. o PID, identifikátorech sledování OBD, zkušebních identifikátorech.

3.11

Je-li zaznamenána chyba, výrobce ji identifikuje přiřazením příslušného chybového kódu podle části 6.3 normy ISO 15031-6:2010 „Road vehicles — Communication between vehicle and external test equipment for emissions-related diagnostics — Part 6: Diagnostic trouble code definitions“, která se týká „systémových diagnostických chybových kódů týkajících se emisí“. Není-li to možné, může výrobce použít diagnostické chybové kódy podle částí 5.3 a 5.6 normy ISO DIS 15031-6:2010. Chybové kódy mohou být kompilovány a hlášeny také podle normy ISO14229:2006. Chybové kódy musí být plně přístupné prostřednictvím normalizovaného diagnostického zařízení, které splňuje požadavky podle bodu 3.9.

Výrobce vozidla předá vnitrostátnímu normalizačnímu orgánu podrobnosti o všech diagnostických údajích týkajících se emisí, které nejsou upřesněny v normě ISO 15031-5:2011, avšak souvisejí s tímto nařízením, např. o ukazatelích PID, identifikátorech sledování OBD, zkušebních identifikátorech.

3.12

Spojovací rozhraní mezi vozidlem a diagnostickým přístrojem musí být normalizované a splňovat všechny požadavky normy ISO DIS 15031-3:2004 „Road vehicles — Communication between vehicle and external test equipment for emissions-related diagnostics — Part 3: Diagnostic connector and related electric circuits: specification and use“. Preferované umístění jeho instalace je pod místem k sezení. Jiné umístění diagnostického konektoru podléhá souhlasu schvalovacího orgánu a musí být snadno přístupné servisním pracovníkům, ale zároveň chráněné před neoprávněnými zásahy nekvalifikovaných osob. Umístění spojovacího rozhraní musí být jasně uvedeno v uživatelské příručce.

3.13

Na žádost výrobce vozidla lze použít i jiné spojovací rozhraní. Je-li použito takové alternativní spojovací rozhraní, musí výrobce vozidla poskytnout adaptér, který umožní připojení ke generickému čtecímu zařízení. Tento adaptér musí být nediskriminačně poskytnut všem nezávislým provozovatelům.

4.   Provozní výkonnost

4.1   Obecné požadavky

4.1.1

Každé sledování palubního diagnostického systému se provede minimálně jednou za jízdní cyklus, ve kterém jsou splněny podmínky sledování podle bodu 3.2 přílohy XII. Výrobci nesmí použít vypočtený poměr (ani žádný prvek uvedeného poměru), ani žádný další ukazatel četnosti sledování jako podmínku pro sledování u jakéhokoli sledování.

4.1.2

Poměr výkonu v provozu („IUPR“) konkrétního sledování M systémy OBD a provozní výkonnosti zařízení k regulaci znečišťujících látek je roven:

Rovnice Ap1-1:

Formula

4.1.3

Srovnání čitatele a jmenovatele ukazuje, jak často je konkrétní sledování v činnosti vzhledem k provozu vozidla. V zájmu zajištění toho, aby všichni výrobci zjišťovali IUPRM stejně, jsou stanoveny podrobné požadavky pro definování a přírůstky těchto počitadel.

4.1.4

Je-li dle požadavků této přílohy vozidlo vybaveno konkrétním sledováním M, musí být hodnota IUPRM vyšší nebo rovna 0,1 pro všechna sledování M.

4.1.5

Požadavky podle tohoto bodu se u konkrétního sledování M pokládají za splněné, jestliže u všech vozidel konkrétní rodiny vozidel a pohonů vyrobených v určitém kalendářním roce platí následující statistické podmínky:

a)

průměrná hodnota IUPRM je stejná jako minimální hodnota platná pro sledování nebo vyšší;

b)

více než 50 % všech vozidel má hodnotu IUPRM, která je stejná jako minimální hodnota platná pro sledování nebo vyšší.

4.1.6

Výrobce prokáže schvalovacímu orgánu splnění těchto statistických podmínek u vozidel vyrobených v daném kalendářním roce pro všechna sledování, která mají být hlášena palubním diagnostickým systémem podle bodu 4.6 tohoto dodatku, nejpozději 18 měsíců po skončení daného kalendářního roku. Pro tento účel se použijí statistické zkoušky využívající uznávané statistické zásady a stupně důvěryhodnosti.

4.1.7

Pro průkazní účely tohoto bodu může výrobce seskupit vozidla jedné rodiny vozidla a pohonu do skupin podle po sobě jdoucích a nepřekrývajících se dvanáctiměsíčních výrobních období namísto kalendářních let. Ke stanovení zkušebního vzorku vozidel se použijí alespoň kritéria výběru podle dodatku 3 bodu 2. Pokud jde o celý zkušební vzorek, výrobce schvalovacímu orgánu ohlásí veškeré údaje o provozním výkonu, které mají být hlášeny palubním diagnostickým systémem podle bodu 4.6 tohoto dodatku. Schvalovací orgán, který uděluje schválení, zpřístupní na požádání tyto údaje a výsledky statistického zhodnocení jiným schvalovacím orgánům.

4.1.8

Schvalovací orgán a technická zkušebna mohou za účelem ověření shodnosti s požadavky této přílohy provádět na vozidlech další zkoušky nebo sbírat příslušné údaje zaznamenané vozidly.

4.1.9

Údaje související s provozním výkonem, které ukládá a hlásí palubní diagnostický systém vozidla, musí dát výrobce kdykoli k dispozici vnitrostátním orgánům a nezávislým provozovatelům, a to v nešifrované formě.

4.2   ČitatelM

4.2.1

Čitatel sledování je počitadlo, které měří, kolikrát bylo vozidlo v provozu tak, že došlo ke splnění všech výrobcem stanovených podmínek sledování potřebných k tomu, aby dané sledování detekovalo chybnou funkci a varovalo řidiče. Čitatel se nesmí během jízdního cyklu zvýšit více než jedenkrát, neexistuje-li pro to technické odůvodnění.

4.3   JmenovatelM

4.3.1

Jmenovatel je počitadlem jízd vozidla a zohledňuje zvláštní podmínky pro konkrétní sledování. Jmenovatel se zvýší alespoň jednou za jízdní cyklus, jsou-li během tohoto jízdního cyklu tyto podmínky splněny, a obecný jmenovatel se zvýší, jak je uvedeno v bodě 4.5, není-li jmenovatel v souladu s bodem 4.7 vyřazen.

4.3.2

Kromě požadavků bodu 4.3.1:

 

Jmenovatel(é) sledování systému sekundárního vzduchu se zvýší, trvá-li povelem „zap“ spuštěný chod systému sekundárního vzduchu 10 nebo více sekund. Systém OBD do času chodu spuštěného povelem „zap“ nezapočítává čas během intruzivního chodu systému sekundárního vzduchu jen pro účely sledování.

 

Jmenovatelé sledování systémů, které jsou aktivní pouze při studeném startu, se zvýší, je-li konstrukční část nebo strategie spuštěna povelem „zap“ na dobu 10 sekund či delší.

 

Jmenovatel(é) pro sledování proměnného časování ventilů a/nebo řídících systémů se zvýší, jestliže je konstrukční část uvedena v chod (např. povelem „zapnout“, „otevřít“, „zavřít“, „zablokovat“ atd.) dvakrát nebo vícekrát během jízdního cyklu, nebo na dobu 10 sekund a delší, podle toho, co nastane dříve.

 

U následujících sledování se jmenovatel(é) zvýší o jednotku, jestliže kromě splnění požadavků tohoto bodu při alespoň jednom jízdním cyklu vozidlo absolvovalo přinejmenším 800 kumulativních kilometrů provozu od posledního zvýšení jmenovatele:

i)

oxidační katalyzátor vznětového motoru,

ii)

filtr částic u vznětového motoru.

4.3.3

U hybridních vozidel, vozidel, která používají alternativní technické vybavení nebo strategie startování motoru (např. integrovaný startér a generátory), nebo u vozidel využívajících alternativní paliva (např. jednoúčelové, dvoupalivové aplikace nebo aplikace s duálním palivem) si může výrobce u schvalovacího orgánu vyžádat povolení k použití alternativních kritérií, než jsou ta, která jsou pro zvyšování jmenovatele stanovena v tomto bodě. Schvalovací orgán obecně neschválí alternativní kritéria u vozidel, která vypínání motoru umožňují jen v podmínkách volnoběhu/stání vozidla nebo v podmínkách blízkých těmto podmínkám. Souhlas orgánu s alternativními kritérii vychází z rovnocennosti za účelem určení objemu provozu vozidla ve vztahu k úrovni provozu konvenčního vozidla v souladu s kritérii podle tohoto bodu.

4.4   Počitadlo cyklů zapalování

4.4.1

Počitadlo cyklů zapalování uvádí počet cyklů zapalování, které vozidlo absolvovalo. Počitadlo cyklů zapalování nelze zvýšit více než jednou za jízdní cyklus.

4.5   Obecný jmenovatel

4.5.1

Obecný jmenovatel je počitadlo, které měří, kolikrát bylo vozidlo uvedeno do provozu. Zvýší se během 10 sekund, a to pouze v tom případě, že jsou během jednoho jízdního cyklu splněna následující kritéria:

a)

kumulativní doba od startu motoru je 600 sekund nebo více při nadmořské výšce nižší než 2 440 m a okolní teplotě 266,2 K (–7 °C) nebo vyšší;

b)

kumulativní doba provozu při rychlosti 25 km/h nebo vyšší je 300 sekund nebo více při nadmořské výšce nižší než 2 440 m a okolní teplotě 266,2 K (–7 °C) nebo vyšší;

c)

souvislá doba provozu za volnoběhu (tj. akcelerační pedál je uvolněn a rychlost vozidla je 1,6 km/h nebo nižší) je 30 sekund nebo více při nadmořské výšce nižší než 2 440 m a okolní teplotě 266,2 K (–7 °C) nebo vyšší.

4.6   Hlášení a zvyšování počitadel

4.6.1

Palubní diagnostický systém hlásí v souladu se specifikacemi normy ISO 15031-5:2011 počitadlo cyklu zapalování a obecného jmenovatele, jakož i samostatné čitatele a jmenovatele u níže uvedených sledování, pokud jejich přítomnost na vozidle vyžaduje tato příloha:

a)

katalyzátory (u každé řady se hlášení podává samostatně);

b)

snímače kyslíku / výfukového plynu včetně sekundárních lambda-sond (každé čidlo se hlásí samostatně);

c)

systém vypařování;

d)

systém recirkulace výfukových plynů (EGR);

e)

systém variabilního ventilového rozvodu (VTT);

f)

systém sekundárního vzduchu;

g)

filtr částic;

h)

systém následného zpracování NOx (např. adsorbér NOx, systém činidla/katalyzátoru NOx);

i)

systém regulace přeplňovacího tlaku.

4.6.2

U některých konstrukčních částí nebo systémů s vícero sledováními, která musí být podle tohoto bodu hlášena (např. lambda-sonda řada 1 může mít několik sledování pro odezvu snímače nebo jiné vlastnosti snímače), musí palubní diagnostický systém sledovat zvlášť čitatele a jmenovatele pro každé z konkrétních sledování a hlásit pouze odpovídajícího čitatele a jmenovatele pro konkrétní sledování s nejnižším číselným poměrem. Mají-li dvě nebo více konkrétních sledování shodný poměr, hlásí se u dané konstrukční části odpovídající čitatel a jmenovatel pro konkrétní sledování s nejvyšším jmenovatelem.

4.6.3

Všechna počitadla se v případě přírůstku zvýší o jedno celé číslo.

4.6.4

Minimální hodnota každého počitadla je 0; maximální hodnota nesmí být nižší než 65 535, bez ohledu na jiné požadavky týkající se normalizovaného ukládání a hlášení systému OBD.

4.6.5

Jestliže buď čitatel nebo jmenovatel pro konkrétní sledování dosáhne maximální hodnoty, vydělí se obě počitadla pro toto sledování dvěma, než se opět zvýší podle bodů 4.2 a 4.3. Pokud dosáhne maximální hodnoty počitadlo cyklů zapalování nebo obecný jmenovatel, příslušné počitadlo se při příštím přírůstku vynuluje podle bodů 4.4 nebo 4.5.

4.6.6

Počitadlo se vynuluje pouze tehdy, dojde-li k resetování energeticky nezávislé paměti (např. v případě přeprogramování atd.) nebo jsou-li čísla uložena v udržovací (keep-alive) paměti (KAM) v případě, že dojde ke ztrátě KAM v důsledku přerušení přívodu elektrické energie do řídícího modulu (např. odpojení baterie atd.).

4.6.7

Výrobce přijme opatření k tomu, aby hodnoty čitatele nebo jmenovatele nemohly být resetovány nebo změněny, s výjimkou případů, které jsou výslovně uvedeny v tomto bodě.

4.7   Zablokování přírůstků čitatelů a jmenovatelů a obecného jmenovatele

4.7.1

Do 10 sekund po detekci chybné funkce, která zablokuje sledování, které je nutné k tomu, aby byly splněny podmínky sledování podle této přílohy (tj. je uložen nevyřízený nebo potvrzený kód), zablokuje palubní diagnostický systém další přírůstky příslušného čitatele a jmenovatele u každého zablokovaného sledování. Není-li nadále zjištěna chybná funkce (tj. nevyřízený kód se sám vymaže nebo je vymazán příkazem čtecího zařízení), dojde do 10 sekund k odblokování přírůstků všech příslušných čitatelů a jmenovatelů.

4.7.2

Do 10 sekund po zahájení chodu jednotky odběru výkonu, kterým se zablokuje sledování, které je nutné k tomu, aby byly splněny podmínky sledování podle této přílohy, zablokuje palubní diagnostický systém další zvyšování příslušného čitatele a jmenovatele pro každé zablokované sledování. Jakmile je chod jednotky odběru výkonu ukončen, dojde do 10 sekund k odblokování přírůstků všech příslušných čitatelů a jmenovatelů.

4.7.3

Palubní diagnostický systém do 10 sekund zablokuje další přírůstky čitatele a jmenovatele konkrétního sledování, jestliže byla zjištěna chybná funkce jakékoli konstrukční části, která se používá ke stanovení kritérií podle definice jmenovatele konkrétního sledování (tj. rychlost vozidla, okolní teplota, nadmořská výška, volnoběh, studený start motoru nebo doba provozu), a byl uložen příslušný nevyřízený chybový kód. Přírůstky čitatele a jmenovatele se obnoví do 10 sekund po odstranění chybné funkce (např. nevyřízený kód se sám vymaže nebo je vymazán příkazem čtecího zařízení).

4.7.4

Palubní diagnostický systém do 10 sekund zablokuje další přírůstky obecného jmenovatele, jestliže byla zjištěna chybná funkce jakékoli konstrukční části, která se používá ke stanovení, zda jsou splněna kritéria bodu 3.5 (tj. rychlost vozidla, okolní teplota, nadmořská výška, volnoběh, studený start motoru nebo doba provozu), a byl uložen příslušný nevyřízený chybový kód. K zablokování přírůstků obecného jmenovatele smí dojít jen za těchto podmínek. Přírůstky obecného jmenovatele se obnoví do 10 sekund po odstranění chybné funkce (např. nevyřízený kód se sám vymaže nebo je vymazán příkazem čtecího zařízení).

5.   Přístup k informacím o systému OBD

5.1

K žádosti o schválení typu nebo o změnu schválení typu musí být přiloženy příslušné informace o systému OBD vozidla. Tyto informace musí výrobcům náhradních dílů a konstrukčních částí pro dodatečnou výbavu umožnit vyrábět tyto součásti tak, aby byly kompatibilní se systémem OBD a zaručily bezchybný provoz vozidla. Tyto informace musí taktéž výrobcům diagnostických přístrojů a zkušebních zařízení umožnit vyrábět přístroje a zařízení, které zajistí účinnou a přesnou diagnostiku systémů pro regulaci emisí vozidel.

5.2

Výrobce vozidla dá na vyžádání k dispozici výrobcům konstrukčních částí, diagnostických přístrojů nebo zkušebních zařízení, kteří projeví zájem, náležité informace o systému OBD, a to nediskriminačním způsobem:

5.2.1

popis typu a počtu stabilizačních cyklů, které byly použity u původního schválení typu vozidla;

5.2.2

popis typu předváděcího cyklu palubní diagnostiky, který byl použit u původního schválení typu vozidla pro konstrukční části monitorované systémem OBD;

5.2.3

podrobný dokument, ve kterém jsou popsány všechny konstrukční části sledované v rámci strategie zjišťování chyb a aktivace indikátoru chybné funkce (pevný počet jízdních cyklů nebo statistická metoda), včetně seznamu příslušných sekundárních sledovaných parametrů pro každou konstrukční část sledovanou systémem OBD a seznamu všech výstupních kódů systému OBD a jejich formátu (vždy s vysvětlením) pro jednotlivé konstrukční části hnacího ústrojí, které souvisejí s emisemi, a pro jednotlivé konstrukční části, které nesouvisejí s emisemi, pokud se sledování dané konstrukční části používá ke stanovení, zda se aktivuje indikátor chybné funkce. Zvláště podrobně musí být vysvětleny údaje v módu $ 05 Test ID $ 21 až FF a musí být zpřístupněny údaje v módu $ 06. U typů vozidel, které používají spojení k přenosu údajů podle normy ISO 15765-4 „Road vehicles — Diagnostics on Controller Area Network (CAN) — Part 4: Requirements for emissions-related systems“, musí být podrobně vysvětleny údaje v módu $ 06 Test ID $ 00 až FF pro každý podporovaný identifikátor sledování systému OBD.

5.2.4

Tyto informace mohou být poskytnuty ve formě následující tabulky:

Obrázek Ap1-1

Šablona tabulky s informacemi o OBD

Konstrukční část

Diagnostický chybový kód

Strategie sledování

Kritéria zjištění chyb

Kritéria pro aktivaci MI

Sekundární parametry

Stabilizace

Předváděcí zkouška

Režim při poruše

Katalyzátor

P0420

Signály z lambda-sondy 1 a 2

Rozdíl mezi signály ze sondy 1 a 2

3. cyklus

Otáčky motoru, zatížení motoru, režim A/F, teplota katalyzátoru

Dva cykly typu I

Typ I

Žádné

5.2.5

Pokud schvalovací orgán obdrží od výrobce konstrukčních částí, diagnostických přístrojů nebo zkušebních zařízení, který projeví zájem, žádost o poskytnutí informací o systému OBD vozidla:

a)

orgán do 30 dnů požádá výrobce daného vozidla, aby dal k dispozici informace podle bodů 5.1 a 5.2;

b)

výrobce tyto informace schvalovacímu orgánu předloží do dvou měsíců od podání žádosti;

c)

orgán předá tyto informace schvalovacím orgánům ostatních členských států a schvalovací orgán, který udělil původní schválení typu, připojí tyto informace k informacím o schválení typu vozidla.

5.2.6

Žádat lze jen o informace týkající se náhradních dílů nebo servisních konstrukčních částí, které podléhají schválení typu, nebo konstrukčních částí, které jsou součástí systému, který podléhá schválení typu.

5.2.7

V žádosti o informace musí být uvedeny přesné specifikace modelu vozidla, pro který se informace požadují. V žádosti musí být dále uvedeno, že o informace je žádáno za účelem vývoje náhradních dílů nebo konstrukčních částí pro dodatečnou výbavu nebo vývoje diagnostických přístrojů nebo zkušebních zařízení.

6.   Informace nutné k výrobě diagnostických přístrojů

6.1   Aby se usnadnilo poskytování generických diagnostických přístrojů pro opravny více značek, zveřejní výrobci vozidel prostřednictvím svých webových stránek týkajících se oprav informace uvedené v následujících bodech.

6.2   Tyto informace musí zahrnovat všechny funkce diagnostických přístrojů a všechny odkazy na informace o opravách a pokyny k odstraňování problémů. Přístup k těmto informacím může být podmíněn zaplacením přiměřeného poplatku.

6.2.1   Informace týkající se komunikačního protokolu

Vyžadovány jsou následující informace, seřazené podle značky vozidla, modelu a varianty nebo podle jiného vhodného řazení, např. podle identifikačního čísla vozidla VIN nebo identifikace vozidla a systémů:

6.2.1.1

každý další protokolový informační systém nad rámec norem uvedených v bodě 3.8 dodatku 1 k příloze XII nezbytný k provedení celkové diagnostiky, včetně dalších informací o hardwaru a softwarových protokolech, identifikace parametrů, přenosových funkcí, požadavků na „keep-alive“ funkci nebo chybových stavů;

6.2.1.2

podrobnosti o tom, jak získat a vyhodnocovat chybové kódy, které nejsou v souladu s normami předepsanými v bodě 3.11;

6.2.1.3

seznam všech dostupných parametrů aktivních údajů včetně informací o škálování a přístupu;

6.2.1.4

seznam všech dostupných funkčních zkoušek včetně aktivace nebo kontroly zařízení a prostředků k jejich provedení;

6.2.1.5

podrobnosti o tom, jak získat veškeré informace o konstrukčních částech a provozním stavu, časová razítka, nevyřízené diagnostické chybové kódy a údaje „freeze frame“;

6.2.1.6

vynulování parametrů adaptivního učení, kódování variant a nastavení náhradních dílů, uživatelská nastavení;

6.2.1.7

identifikace PCU/ECU a kódování variant;

6.2.1.8

podrobnosti o tom, jak resetovat servisní kontrolky;

6.2.1.9

umístění normalizovaného diagnostického konektoru a podrobnosti o konektoru;

6.2.1.10

identifikace kódu motoru.

6.2.2   Zkouška a diagnostika konstrukčních částí sledovaných palubním diagnostickým systémem

Jsou požadovány následující informace:

6.2.2.1

popis zkoušek za účelem potvrzení jejich funkčnosti na úrovni konstrukčních částí či v rámci jejich zapojení;

6.2.2.2

postup zkoušky zahrnující parametry zkoušky a informace o konstrukční části;

6.2.2.3

podrobnosti o připojení včetně minimálních a maximálních vstupních a výstupních hodnot a hodnot při jízdě a zatížení;

6.2.2.4

hodnoty očekávané za určitých podmínek jízdy včetně volnoběhu;

6.2.2.5

elektrické hodnoty u konstrukční části v jejím statickém a dynamickém stavu;

6.2.2.6

hodnoty režimu poruchy pro každý z výše uvedených případů;

6.2.2.7

diagnostické sekvence režimu poruchy včetně stromové struktury poruchových stavů a řízeného odstraňování poruch prostřednictvím diagnostiky.

6.2.3   Údaje nezbytné k provedení opravy

Jsou požadovány následující informace:

6.2.3.1

inicializace elektronické řídící jednotky a konstrukčních částí (v případě instalace náhradních);

6.2.3.2

inicializace nových nebo náhradních elektronických řídících jednotek případně s použitím (pře-)programovacích metod typu pass-through.

Dodatek 2

Minimální požadavky na sledování systémem palubní diagnostiky (OBD) stupně I a II

1.   Předmět

Pro systémy OBD splňující požadavky stupně I a II (1), pokud jde o diagnostiku elektrických obvodů, platí následující minimální požadavky na sledování.

2.   Oblast působnosti a požadavky na sledování

Jsou-li instalovány, je níže uvedené snímače a aktuátory nutné sledovat z hlediska chybné funkce elektrického obvodu, která může způsobit překročení emisí nad hraniční hodnoty emisí pro palubní diagnostické systémy, které stanoví příloha VI část B nařízení (EU) č. 168/2013, nebo může vést k aktivaci režimu při poruše, jehož důsledkem je významné snížení točivého momentu pohonu.

Tabulka Ap2-1

Přehled zařízení sledovaných systémem OBD stupně I a II (jsou-li nainstalována)

Č.

Obvody zařízení

 

Neporušenost obvodu

Racionalita obvodu

Pozn. č.

 

 

Úroveň, viz 2.3

Obvod vysoký

Obvod nízký

Obvod přerušen

Mimo rozsah

Výkonnost/Přijatelnost

Signál zablokován

Zařízení v provozu / zařízení přítomno

 

1

Vnitřní chyba řídícího modulu (ECU/PCU)

3

 

 

 

 

 

 

I&II

 (2)

Snímače (vstup do řídících jednotek)

1

Snímač polohy akcelerátoru (pedál/řídítka)

1&3

I&II

I&II

I&II

(I&II)

(I & II)

(I&II)

 

 (3)

2

Snímač barometrického tlaku

1

I&II

I&II

I&II

 

II

 

 

 

3

Snímač polohy vačkového hřídele

3

(II)

(II)

(II)

 

 

 

I&II

 (4)

4

Snímač polohy klikového hřídele

3

 

 

 

 

 

 

I&II

 

5

Snímač teploty chladicí kapaliny

1

I&II

I&II

I&II

(II)

(II)

(II)

 

 (5)

6

Snímač úhlu ventilu řízení výfukového systému

1

I&II

I&II

I&II

(II)

(II)

(II)

 

 (5)

7

Snímač recirkulace výfukových plynů

1&3

II

II

II

(II)

(II)

(II)

 

 (5)

8

Snímač tlaku v palivové rozdělovací liště

1

I&II

I&II

I&II

(II)

(II)

(II)

 

 (5)

9

Snímač teploty v palivové rozdělovací liště

1

I&II

I&II

I&II

(II)

(II)

(II)

 

 (5)

10

Snímač polohy řadicího ústrojí (potenciometr)

1

I&II

I&II

I&II

(II)

(II)

(II)

 

 (5)

11

Snímač polohy řadicího ústrojí (přepínač)

3

 

 

 

 

(II)

 

I&II

 

12

Snímač teploty nasávaného vzduchu

1

I&II

I&II

I&II

(II)

(II)

(II)

 

 (5)

13

Snímač klepání motoru (nerezonanční)

3

 

 

 

 

(II)

 

I&II

 

14

Snímač klepání motoru (rezonanční)

3

 

 

 

 

I&II

 

 

 

15

Snímač absolutního tlaku v sacím sběrném potrubí

1

I&II

I&II

I&II

(II)

(II)

(II)

 

 (5)

16

Měřič hmotnosti vzduchu

1

I&II

I&II

I&II

(II)

(II)

(II)

 

 (5)

17

Snímač teploty oleje v motoru

1

I&II

I&II

I&II

(II)

(II)

(II)

 

 (5)

18

Signály lambda-sondy (binární/lineární)

1

I&II

I&II

I&II

(II)

(II)

(II)

 

 (5)

19

Snímač (vysokého) tlaku paliva

1

I&II

I&II

I&II

(II)

(II)

(II)

 

 (5)

20

Snímač teploty v zásobníku paliva

1

I&II

I&II

I&II

(II)

(II)

(II)

 

 (5)

21

Snímač polohy škrtící klapky

1

I&II

I&II

I&II

(I&II)

(I & II)

(I&II)

 

 (3)

22

Snímač rychlosti vozidla

3

 

 

 

 

(II)

 

I&II

 (6)

23

Snímač otáček vozidla

3

 

 

 

 

(II)

 

I&II

 (6)

Aktuátory (výstup z řídících jednotek)

1

Ventil systému odvádění emisí způsobených vypařováním paliva

2

(II)

I&II

(II)

 

 

 

 

 

2

Aktuátor ventilu řízení výfukového systému (motorově poháněný)

3

 

 

 

 

II

 

I&II

 

3

Řízení recirkulace výfukových plynů

3

 

 

 

 

II

 

 

 

4

Vstřikovač paliva

2

 

I&II

 

 

 

 

(I&II)

 (7)

5

Systém pro regulaci volnoběžných otáček

1

I & II

I&II

I&II

 

II

 

(I&II)

 (7)

6

Primární ovládací obvod cívek zapalování

2

 

I&II

 

 

 

 

(I&II)

 (7)

7

Topení lambda-sondy

1

I&II

I&II

I&II

 

II

 

(I&II)

 (7)

8

Systém vstřikování sekundárního vzduchu

2

(II)

I&II

(II)

 

 

 

(I&II)

 (7)

9

Elektronický aktuátor škrtící klapky

3

 

I&II

 

 

 

 

(I&II)

 (7)

2.2   Je-li ve vozidle nainstalováno více stejných typů zařízení uvedených v tabulce Ap2-1, musí být tato zařízení sledována a v případě chybné funkce hlášena samostatně. Je-li chybná funkce v tabulce Ap2-1 označena „I“, znamená to, že sledování je povinné pro OBD stupně I, a je-li označeno „II“, je sledování povinné pro OBD stupně II.

2.3   Snímače a aktuátory jsou přičleněny ke konkrétní níže popsané diagnostické úrovni, která určuje, které typy diagnostického sledování musí být provedeny:

2.3.1

Úroveň 1: snímač/aktuátor, u něhož lze detekovat a nahlásit nejméně dva symptomy neporušenosti obvodu (tj. zkrat na zem, zkrat na proud a otevřený obvod).

2.3.2

Úroveň 2: snímač/aktuátor, u něhož lze detekovat a nahlásit nejméně jeden symptom neporušenosti obvodu (tj. zkrat na zem, zkrat na proud a otevřený obvod).

2.3.3

Úroveň 3: snímač/aktuátor, u něhož lze detekovat nejméně jeden symptom, ale nikoli zvlášť nahlásit.

2.4   Dva ze tří symptomů ve sledovací diagnostice nepřerušenosti obvodu i racionality obvodu lze kombinovat, např. obvod vysoký nebo otevřený a nízký obvod / vysoký a nízký nebo otevřený obvod / signál mimo rozsah nebo výkonnost obvodu a signál zablokován.

2.5   Výjimky týkající se detekce

Výjimku z povinnosti detekovat některé symptomy elektrických obvodů lze udělit v následujících případech, pokud je výrobce ke spokojenosti schvalovacího orgánu schopen technické zkušebně doložit, že:

2.5.1

uvedená chybná funkce nezpůsobí překročení hraničních hodnot emisí pro palubní diagnostické systémy stanovené v příloze VI části B nařízení (EU) č. 168/2013 nebo

2.5.2

uvedená chybná funkce nezpůsobí významnou ztrátu točivého momentu nebo

2.5.3

jediná proveditelná strategie sledování by měla významný negativní dopad na funkční bezpečnost vozidla nebo jeho jízdní vlastnosti.

2.6   Výjimky týkající se ověřovacích zkoušek emisí (typ VIII)

Na žádost výrobce a na základě technického odůvodnění ke spokojenosti schvalovacího orgánu mohou být některá sledování systémem OBD uvedená v tabulce Ap2-1 vyňata ze zkoušek typu VIII, ověřovací zkoušky emisí, podle přílohy V části A nařízení (EU) č. 168/2013 za předpokladu, že výrobce je schopen schvalovacímu orgánu doložit, že:

2.6.1

indikátor chybné funkce instalovaný ve vozidle se aktivuje, když se chybná funkce uvedená v tabulce Ap2-1 vyskytne:

2.6.1.1

během stejného klíčového cyklu a

2.6.1.2

ihned po uplynutí časově ohraničené lhůty (300 s nebo méně) v rámci stejného klíčového cyklu, nebo

2.6.2

sledování některých položek uvedených v tabulce Ap2-1 je fyzicky nemožné. Zevrubné technické odůvodnění toho, proč toto sledování nelze provést, musí být přiloženo k dokumentaci vozidla.


(1)  Prvky systému OBD stupně II jsou předmětem studie podle čl. 23 odst. 4.

(2)  Pouze je-li aktivován režim při poruše, který má za následek významné snížení točivého momentu pohonu, nebo je-li vozidlo vybaveno elektronicky řízenou škrtící klapkou.

(3)  Je-li instalován pouze jeden APS nebo TPS, sledování racionality obvodu APS nebo TPS není povinné.

(4)  OBD stupně II: úroveň 1 a 3.

(5)  OBD stupně II: vedle sledování neporušenosti obvodu musí být sledovány také dvě ze tří chyb racionality obvodu označené „II“.

(6)  Jen je-li použit jako vstup do ECU/PCU v souvislosti s vlivem na životní prostředí nebo funkční bezpečností.

(7)  Na žádost výrobce může být povolena odchylka, místo uvedených úrovní úroveň 3, přítomen pouze signál aktuátoru, bez udání symptomu.

PŘÍLOHA XIII

Požadavky týkající se držadel a opěrek nohou cestujících

1.   Obecné požadavky

1.1

„Typem vozidla s ohledem na držadla a opěrky nohou“ se rozumí kategorie vozidel, která se neliší v takových základních ohledech, jako je tvar, velikost, materiál a způsob upevnění držadel a opěrek nohou cestujících na vozidle.

1.2

Místa k sezení u vozidel konstruovaných k přepravě jednoho nebo více cestujících, ale nevybavených bezpečnostními pásy pro tyto cestující, musí být vybavena držadlovým systémem, který má podobu buď popruhu, nebo jednoduchého madla či dvou madel.

1.2.1

Popruh musí být upevněn poblíž místa k sezení tak, aby jej cestující mohl snadno použít. Musí být symetrický vůči podélné střední rovině místa k sezení. Popruh a jeho uchycení musí odolat – aniž se přetrhne – svislé tažné síle 2 000 N působící staticky na střed jeho povrchu při maximálním tlaku 2,0 MPa.

1.2.2

Jednoduché madlo musí být upevněno poblíž místa k sezení tak, aby je cestující mohl snadno použít. Musí být symetrické vůči podélné střední rovině místa k sezení. Madlo a jeho uchycení musí odolat – aniž praskne – svislé tažné síle 2 000 N působící staticky na střed jeho povrchu při maximálním tlaku 2,0 MPa.

1.2.3

Dvě madla musí být upevněna poblíž místa k sezení tak, aby je cestující mohl snadno použít. Musí být symetrická vůči sobě a vůči podélné střední rovině místa k sezení. Každé z nich musí současně odolat – aniž praskne – svislé tažné síle 1 000 N působící staticky na střed jejich povrchu při maximálním tlaku 1,0 MPa.

1.2.4

Na vozidle nejsou povoleny takové konstrukční prvky, které si lze splést s určeným držadlovým systémem, pokud nesplňují požadavky podle bodu 1.2.1 až 1.2.3.

1.3

Všechna místa k sezení musí být vybavena buď opěrkami nohou, nebo podlahou či podlahovými panely, na nichž mohou spočinout obě nohy jezdce, řidiče nebo cestujícího.

1.3.1

Podlaha vozidla, každý podlahový panel a každá opěrka nohou musí odolat – aniž dojde k trvalé deformaci, která sníží jejich funkci – svislé tlakové síle 1 700 N působící staticky na jakýkoli bod na povrchu podlahy nebo podlahového panelu nebo 15 mm od hrany opěrky nohou při maximálním tlaku 2,0 MPa.

1.3.2

Prostor, který opěrka nohou skýtá, včetně prostoru na podlaze nebo podlahovém panelu, musí být tak velký, aby pojal chodidlo minimálně 300 mm dlouhé a minimálně 110 mm široké, které je bezpečně opřené tak, aby nepřekáželo nohám řidiče nebo jezdce. Opěrky nohou musí být umístěny tak, aby při provozu vozidla nemohlo dojít k přímému kontaktu chodidla/nohy a otočných součástí (např. pneumatik) vozidla.

1.3.3

Na vozidle nejsou povoleny takové konstrukční prvky, které si lze splést s určenými opěrkami nohou, podlahovými panely nebo podlahou, pokud nesplňují také požadavky podle bodu 1.3.1 až 1.3.2.

1.3.4

Pedály, které umožňují pohon vozidla svalovou silou nohou jezdce, musí splňovat požadavky bodů 1.3 až 1.3.3.

PŘÍLOHA XIV

Požadavky týkající se místa pro registrační tabulku

1.   Obecné požadavky

1.1   „Typem vozidla s ohledem na místo pro registrační tabulku“ se rozumí kategorie vozidel, která se neliší v takových základních ohledech, jako jsou rozměry místa pro montáž a uchycení registrační tabulky (registračních tabulek), umístění tohoto místa a konstrukční vlastnosti povrchu pro montáž a uchycení případné přední registrační tabulky.

1.2   Vozidla musí být vybavena místem pro montáž a uchycení zadních registračních tabulek.

1.3   Vozidla kategorií L6e a L7e musí být navíc vybavena místem pro montáž a uchycení předních registračních tabulek.

1.3.1

Přední registrační tabulky se považují za nevhodné pro vozidla kategorií L1e, L2e, L3e, L4e a L5e, která proto tímto místem nejsou vybavena.

1.4   Tvar a rozměry místa pro montáž registrační tabulky

1.4.1

Místo pro montáž se skládá z plochy obdélníkového tvaru o níže uvedených minimálních rozměrech:

 

u vozidel kategorií L1e, L2e a L6e:

 

buď

 

šířka: 100 mm

 

výška: 175 mm

 

nebo

 

šířka: 145 mm

 

výška: 125 mm

 

u vozidel kategorií L3e, L4e, L5e a L7e:

 

šířka: 280 mm

 

výška: 200 mm

1.5   Montáž a uchycení zadní registrační tabulky na vozidla kategorií L1e, L2e, L3e, L4e a L5e

1.5.1

Místo pro montáž zadní registrační tabulky musí být takové, aby měla tabulka po svém uchycení podle pokynů výrobce tyto následující vlastnosti:

1.5.1.1

Umístění místa pro montáž zadní registrační tabulky:

1.5.1.1.1

Místo pro montáž registrační tabulky na zadní části vozidla musí být takové, aby celá registrační tabulka byla umístěna mezi dvěma rovnoběžnými podélnými svislými rovinami procházejícími vnějšími krajními body vozidla, přičemž zpětná zrcátka se neberou v úvahu. Místo samo nesmí tvořit nejširší místo vozidla.

1.5.1.2

Tabulka musí být kolmá k podélné střední rovině vozidla.

1.5.1.3

Umístění tabulky vzhledem k svislé příčné rovině:

1.5.1.3.1

Tabulka může být nakloněna ke svislici pod úhlem minimálně –15° a maximálně 30°.

1.5.1.4

Výška umístění tabulky nad vozovkou:

1.5.1.4.1

Spodní hrana tabulky nesmí být umístěna méně než 0,20 m nad povrchem vozovky nebo méně než poloměr zadního kola, pokud je tato hodnota nižší než 0,20 m.

1.5.1.4.2

Výška horní hrany tabulky nad vozovkou nesmí být větší než 1,50 m.

1.5.1.5

Geometrická viditelnost:

1.5.1.5.1

Tabulka musí být viditelná v celém prostoru ohraničeném těmito čtyřmi rovinami:

dvěma svislými rovinami, které se dotýkají obou bočních hran tabulky a svírají s podélnou střední rovinou vozidla směrem navenek doleva i doprava úhel 30°,

rovinou, která se dotýká horní hrany tabulky a svírá s vodorovnou rovinou směrem nahoru úhel 15°,

vodorovnou rovinou procházející spodní hranou tabulky.

1.5.1.5.2

V prostoru popsaném výše nesmí být umístěn žádný konstrukční prvek, a to ani zcela průhledný.

1.6   Montáž a uchycení přední a zadní registrační tabulky na vozidla kategorie L6e a L7e

1.6.1

Místo pro montáž přední nebo zadní registrační tabulky musí být tvořeno plochým nebo prakticky plochým povrchem obdélníkového tvaru. „Prakticky rovným povrchem“ se rozumí povrch pevného materiálu, který může být tvořen i síťovou mřížkou nebo mřížkou, s poloměrem zakřivení nejméně 5 000 mm.

1.6.2

Povrch, který přední nebo zadní registrační tabulka zakrývá, může mít otvory nebo mezery; jejich šířka však nesmí být větší než 40 mm, přičemž jejich délka se nezohledňuje (tj. mezera nebo štěrbina nesmí být širší než 40 mm, ale může být delší než 40 mm).

1.6.3

Na povrchu, na který má být umístěna přední nebo registrační tabulka, mohou být výstupky, pokud nevyčnívají nad ideálně rovný povrch o více než 5,0 mm. Nepočítají se vložky z velmi měkkých materiálů, např. z pěny nebo plsti, jejichž účelem je tlumit vibrace registrační tabulky.

1.6.4

Místo pro montáž přední nebo zadní registrační tabulky musí být takové, aby měla tabulka po svém uchycení podle pokynů výrobce tyto vlastnosti:

1.6.4.1

Umístění místa pro montáž přední nebo zadní registrační tabulky:

1.6.4.1.1

Místo pro montáž registrační tabulky na přední části vozidla musí být takové, aby celá registrační tabulka byla umístěna mezi dvěma rovnoběžnými podélnými svislými rovinami procházejícími vnějšími krajními body vozidla, přičemž zpětná zrcátka se neberou v úvahu. Místo samo nesmí tvořit nejširší místo vozidla.

1.6.4.1.2

Místo pro montáž registrační tabulky na zadní části vozidla musí být takové, aby celá registrační tabulka byla umístěna mezi dvěma rovnoběžnými podélnými svislými rovinami procházejícími vnějšími krajními body vozidla, přičemž zpětná zrcátka se neberou v úvahu. Místo samo nesmí tvořit nejširší místo vozidla.

1.6.4.1.3

Přední i zadní tabulka musí být kolmá k podélné střední rovině vozidla.

1.6.4.2

Umístění přední a zadní tabulky vzhledem k svislé příčné rovině:

1.6.4.2.1

Tabulka může být nakloněna ke svislici pod úhlem minimálně –15° a maximálně 30°.

1.6.4.3

Výška umístění přední a zadní tabulky nad vozovkou:

1.6.4.3.1

Spodní hrana tabulky nesmí být umístěna méně než 0,20 m nad povrchem vozovky nebo méně než poloměr předního kola, pokud je tato hodnota nižší než 0,20 m.

1.6.4.3.2

Výška umístění horní hrany tabulky nad vozovkou nesmí být větší než 1,50 m.

1.6.4.4

Geometrická viditelnost:

1.6.4.4.1

Přední a zadní tabulka musí být viditelná v celém prostoru ohraničeném těmito čtyřmi rovinami:

dvěma svislými rovinami, které se dotýkají obou bočních hran tabulky a svírají s podélnou střední rovinou vozidla směrem navenek doleva i doprava úhel 30°,

rovinou, která se dotýká horní hrany tabulky a svírá s vodorovnou rovinou směrem nahoru úhel 15°,

vodorovnou rovinou procházející spodní hranou tabulky.

Přední tabulka musí být viditelná ve směru k přední části vozidla a zadní tabulka musí být viditelná ve směru k zadní části vozidla.

1.6.4.4.2

V prostoru popsaném výše nesmí být umístěn žádný konstrukční prvek, a to ani zcela průhledný.

1.6.4.5

Mezera mezi hranami namontované a uchycené registrační tabulky a vlastním povrchem místa pro registrační tabulku nesmí být větší než 5,0 mm podél celého okraje tabulky.

1.6.4.5.1

Velikost této mezery může být větší, je-li měřena při otvoru nebo oku v povrchu síťové mřížky nebo mezi rovnoběžnými pásy v povrchu mřížky.

1.7   Jiné požadavky

1.7.1

Registrační značka nesmí sloužit jako základna nebo část základny pro připevnění, montáž nebo připnutí jakékoli jiné části, konstrukční části nebo zařízení vozidla (tj. na registrační tabulku se nesmí připevňovat např. držáky světelných zařízení).

1.7.2

Následkem odstranění registrační tabulky nesmí dojít k uvolnění nebo oddělení jakékoli konstrukční části vozidla.

1.7.3

Viditelnost připevněné registrační značky nesmí být za normálních podmínek používání vozidla snížena zejména vibracemi a dynamickými silami, např. větrem vznikajícím při jízdě vozidla.

1.7.4

Není přípustné takové místo k montáži registrační tabulky, které se může snadno vychýlit nahoru nebo dolů za úhly stanovené v bodech 1.5.1.3.1 a 1.6.4.2.1 ve vztahu ke konstrukci vozidla za normálních jízdních podmínek (tj. se dveřmi či přístupovými panely zavřenými).

1.7.5

Má-li vozidlo tendenci naklánět se, nesmí být namontovaná registrační tabulka o příslušných maximálních rozměrech, která není umístěna v podélné střední rovině vozidla, omezujícím faktorem maximálního úhlu náklonu.

2.   Zkušební postup

2.1   Stanovení svislého sklonu a výšky registrační tabulky nad povrchem vozovky

2.1.1

Vozidlo se umístí na vodorovný povrch a je-li to nutné, podrží se ve svislé poloze. Řízené kolo je v poloze pro jízdu v přímém směru a hmotnost vozidla se před měřením upraví na hmotnost vozidla v provozním stavu deklarovanou výrobcem.

2.1.2

Je-li vozidlo vybaveno hydraulicko-pneumatickým, hydraulickým nebo pneumatickým odpružením nebo jiným zařízením, které lze podle zátěže upravit, musí se zkoušet s tímto odpružením nebo zařízením za běžných provozních podmínek určených výrobcem.

2.1.3

Směřuje-li lícová a viditelná strana registrační tabulky dolů, vyjádří se její sklon negativním (minus) úhlem.

2.2   Výstupky se měří kolmo a přímo k ideálně rovnému povrchu, na který má být umístěna registrační tabulka.

2.3   Mezera mezi hranou namontované a uchycené registrační tabulky a povrchem se měří kolmo a přímo k vlastnímu povrchu, na který má být umístěna registrační tabulka.

2.4   Registrační tabulka, která se použije pro ověření shody, musí mít tuto velikost:

u vozidel kategorií L1e, L2e a L6e: jednu ze dvou velikostí uvedených v bodě 1.4.1 podle specifikací výrobce,

u vozidel kategorií L3e, L4e, L5e a L7e: velikost uvedenou v bodě 1.4.1.

PŘÍLOHA XV

Požadavky týkající se přístupu k informacím o opravách a údržbě

1.   Účel

1.1

Přístupem k informacím se rozumí dostupnost všech informací z palubního diagnostického systému a informací o opravách a údržbě vozidla požadovaných pro kontrolu, diagnostiku, údržbu nebo opravy vozidla.

1.1

Při podávání žádosti o EU schválení typu nebo o vnitrostátní schválení typu předloží výrobce schvalovacímu orgánu důkaz o splnění podmínek tohoto nařízení, pokud jde o přístup k informacím o opravách a údržbě vozidla a k informacím uvedeným v bodě 4.3.

2.   Splnění požadavků na přístup k informacím palubního diagnostického systému vozidla a k informacím o opravách a údržbě v rámci postupu schválení typu

2.1

Schvalovací orgány udělí schválení typu až poté, co od výrobce obdrží certifikát o přístupu k informacím palubního diagnostického systému vozidla a k informacím o opravách a údržbě vozidla.

2.2

Certifikát o přístupu k informacím palubního diagnostického systému vozidla a k informacím o opravách a údržbě vozidla představuje důkaz splnění požadavků kapitoly XV nařízení (EU) č. 168/2013.

2.3

Certifikát o přístupu k informacím palubního diagnostického systému vozidla a k informacím o opravách a údržbě vozidla musí být vypracován podle vzoru stanoveného v čl. 57 odst. 8 nařízení (EU) č. 168/2013.

2.4

Výrobce zajistí splnění technických požadavků podle dodatku 1, pokud jde o přístup k informacím palubního diagnostického systému vozidla a k informacím o opravách a údržbě vozidla.

3.   Poplatky za přístup

3.1

Vedle časově podmíněného přístupu podle článku 59 nařízení (EU) č. 168/2013 mohou výrobci nabízet také transakčně podmíněný přístup, kdy jsou účtovány poplatky za transakci a nikoli za čas, na jaký je přístup poskytnut. Pokud výrobce nabízí možnost jak časově podmíněného, tak transakčně podmíněného přístupu, zvolí si nezávislé opravny jedno, nebo druhé.

4.   Díly pro údržbu, diagnostické přístroje a zkušební zařízení

4.1

Ve smyslu čl. 57 odst. 6 nařízení (EU) č. 168/2013 výrobce zpřístupní zainteresovaným stranám níže uvedené informace na základě individuální dohody, na niž se vztahuje princip článku 59 nařízení (EU) č. 168/2013, a na své internetové stránce poskytne kontaktní informace:

4.1.1

příslušné informace, které umožní vývoj náhradních konstrukčních částí, jež mají zásadní význam pro správné fungování palubního diagnostického systému;

4.1.2

informace, které umožní výrobu standardních diagnostických přístrojů.

4.2

Pro účely bodu 4.1.1 není vývoj náhradních konstrukčních částí omezen následujícími skutečnostmi:

4.2.1

nedostupností příslušných informací;

4.2.2

technickými požadavky týkajícími se strategií indikace chybné funkce v případě, že dojde k překročení hraničních hodnot pro OBD, nebo není-li systém OBD schopen splnit základní požadavky tohoto nařízení, pokud jde o sledování prostřednictvím systému OBD;

4.2.3

zvláštními úpravami zpracování údajů ze systému OBD za účelem nezávislého zpracování údajů o provozu vozidla na kapalná, nebo plynná paliva;

4.2.4

schválením typu vozidel na plynná paliva vykazujících omezený počet menších nedostatků.

4.3

Pro účely bodu 4.1.2, pokud výrobci používají v rámci svých franšízovaných sítí diagnostické a zkušební nástroje podle normy ISO 22900-2:2009 „Modular Vehicle Communication Interface (MVCI)“ a normy ISO 22901-2:2011 „Open Diagnostic Data Exchange (ODX)“, musí být soubory ODX přístupné nezávislým provozovatelům na internetových stránkách výrobce.

5.   Vícestupňové schválení typu

5.1

V případě vícestupňového schválení typu podle článku 25 nařízení (EU) č. 168/2013 je konečný výrobce odpovědný za zpřístupnění informací systému OBD vozidla a informací o opravách a údržbě vozidla, pokud jde o jeho vlastní stupeň (stupně) výroby a propojení s předchozím stupněm (předchozími stupni).

5.2

Kromě toho musí konečný výrobce na svých internetových stránkách poskytnout nezávislým provozovatelům tyto informace:

5.2.1

internetovou adresu výrobce (výrobců) odpovědného (odpovědných) za předchozí stupeň (stupně);

5.2.2

jména a adresy všech výrobců odpovědných za předchozí stupeň (stupně);

5.2.3

číslo (čísla) schválení typu z předchozího stupně (předchozích stupňů);

5.2.4

číslo motoru.

5.3

Výrobci odpovědní za určitý stupeň nebo stupně schválení typu jsou odpovědní za to, že prostřednictvím svých internetových stránek zajistí přístup k informacím palubního diagnostického systému vozidla a informacím o opravách a údržbě vozidla, pokud jde o stupeň (stupně) schválení typu, za který (které) jsou odpovědní, a propojení s předchozím stupněm (předchozími stupni).

5.4

Výrobce odpovědný za určitý stupeň nebo stupně schválení typu musí výrobci odpovědnému za následující stupeň poskytnout tyto informace:

5.4.1

prohlášení o shodě týkající se stupně (stupňů), za který (které) je odpovědný;

5.4.2

certifikát o přístupu k informacím palubního diagnostického systému vozidla a k informacím o opravách a údržbě vozidla, včetně jeho dodatků;

5.4.3

číslo schválení typu odpovídající stupni (stupňům), za který (které) je odpovědný;

5.4.4

dokumenty uvedené v bodech 5.4.1, 5.4.2 a 5.4.3 poskytnuté výrobcem (výrobci) zapojeným(i) do předchozího stupně (předchozích stupňů).

5.5

Každý výrobce povolí výrobci odpovědnému za následující stupeň, aby tyto dokumenty předal výrobcům odpovědným za jakýkoli následující stupeň a konečný stupeň.

5.6

Kromě toho musí výrobce odpovědný za určitý stupeň nebo stupně schvalování typu na smluvním základě:

5.6.1

poskytnout výrobci odpovědnému za následující stupeň přístup k informacím systému OBD a k informacím o opravách a údržbě a k informacím o rozhraní, pokud jde o konkrétní stupeň (stupně), za který (které) je odpovědný;

5.6.2

poskytnout na žádost výrobce odpovědného za následující stupeň schvalování typu přístup k informacím palubního diagnostického systému vozidla a k informacím o opravách a údržbě vozidla a k informacím o rozhraní, pokud jde o konkrétní stupeň (stupně), za který (které) je odpovědný.

5.7

Výrobce, včetně konečného výrobce, může podle článku 59 nařízení (EU) č. 168/2013 účtovat pouze takové poplatky, které se týkají konkrétního stupně (stupňů), za který je odpovědný.

5.8

Výrobce, včetně konečného výrobce, nesmí účtovat poplatky za poskytnutí informací týkajících se internetové adresy nebo kontaktních údajů jakéhokoli jiného výrobce.

6.   Malí výrobci

6.1

Výrobci, jejichž celosvětový roční objem výroby typu vozidla, systému, konstrukční části nebo samostatného technického celku, na něž se vztahuje toto nařízení, je nižší než 250 jednotek, poskytují přístup k informacím o opravách a údržbě snadným a rychle dostupným způsobem, který je nediskriminační v porovnání s možnostmi nebo přístupem poskytnutým autorizovaným obchodním zástupcům a opravnám v souladu s čl. 57 odst. 12 nařízení (EU) č. 168/2013.

6.2

Vozidla, systémy, konstrukční části a samostatné technické celky, na něž se vztahuje bod 1, musí být uvedeny na internetových stránkách výrobce s informacemi o opravách a údržbě.

6.3

Schvalovací orgán informuje Komisi o každém schválení typu uděleném malým výrobcům.

7.   Přenášené systémy

7.1

Pokud jde o přenášené systémy uvedené v dodatku 2, výrobce se do 31. prosince 2020 smí odchýlit od povinnosti přeprogramovat elektronické řídicí jednotky v souladu s normami uvedenými v uvedeném dodatku.

7.2

Tyto odchylky musí být v době schválení typu uvedeny v certifikátu o přístupu k informacím palubního diagnostického systému vozidla a k informacím o opravách a údržbě vozidla.

7.3

Systémy, u nichž se výrobce odchyluje od povinnosti přeprogramovat elektronické řídicí jednotky v souladu s normami uvedenými v bodě 3.8 dodatku 1 přílohy XII, musí být uvedeny na jeho internetových stránkách s informacemi o opravách a údržbě.

7.4

Pokud jde o údržbu a přeprogramování elektronických řídících jednotek v přenášených systémech, jež jsou předmětem těchto odchylek, výrobce zajistí, aby si nezávislí provozovatelé mohli příslušné proprietární přístroje nebo zařízení koupit či pronajmout.

8.   Splnění povinností týkajících se přístupu k informacím palubního diagnostického systému vozidla a k informacím o opravách a údržbě vozidla

8.1

Schvalovací orgán může kdykoli z vlastního podnětu, na základě stížnosti nebo na základě posouzení technickou zkušebnou zkontrolovat, zda výrobce plní povinnosti stanovené nařízením (EU) č. 168/2013, tímto nařízením a certifikátem o přístupu k informacím palubního diagnostického systému vozidla a k informacím o opravách a údržbě vozidla.

8.2

Pokud schvalovací orgán zjistí, že výrobce povinnosti týkající se přístupu k informacím palubního diagnostického systému vozidla a k informacím o opravách a údržbě vozidla neplní, přijme schvalovací orgán, který udělil příslušné schválení typu, vhodná opatření k nápravě situace.

8.3

Tato opatření mohou zahrnovat odebrání nebo pozastavení schválení typu, pokuty či jiná opatření přijatá v souladu s nařízením (EU) č. 168/2013.

8.4

Podá-li nezávislý provozovatel nebo obchodní sdružení zastupující nezávislé provozovatele stížnost schvalovacímu orgánu, orgán provede kontrolu za účelem ověření, zda výrobce plní povinnosti týkající se přístupu k informacím palubního diagnostického systému vozidla a k informacím o opravách a údržbě.

8.5

Schvalovací orgán může při provádění kontroly požádat technickou zkušebnu nebo jakéhokoli jiného nezávislého odborníka o provedení posouzení za účelem ověření, zda jsou tyto povinnosti plněny.

8.6

Aby výrobce získal EU schválení typu rodiny výkonnosti pohonu jako samostatného technického celku vozidla se schváleným systémem motoru, pokud jde o chybové kódy palubního diagnostického systému a informace o opravách a údržbě, musí doložit, že vozidla nebo systémy motoru podléhají zkouškám a splňují požadavky přílohy XII, pokud jde o funkčnost palubní diagnostiky.

8.7

Nejsou-li informace palubního diagnostického systému a informace o opravách a údržbě k dispozici ve chvíli, kdy je podávána žádost o schválení typu, výrobce tyto informace poskytne během šesti měsíců ode dne schválení typu.

8.8

Je-li vozidlo uvedeno na trh později než šest měsíců po schválení typu, musí být poskytnuty informace o datu, kdy bylo vozidlo uvedeno na trh.

8.9

Schvalovací orgán může na základě vyplněného certifikátu o přístupu k informacím palubního diagnostického systému vozidla a k informacím o opravách a údržbě vozidla předpokládat, že výrobce zavedl uspokojivá opatření a postupy s ohledem na přístup k informacím palubního diagnostického systému vozidla a k informacím o opravách a údržbě vozidla za předpokladu, že nebyla podána stížnost a že výrobce certifikát dodá během lhůt uvedených v bodě 9.7.

8.10

Pokud tento certifikát o dodržení podmínek není během uvedené lhůty dodán, přijme schvalovací orgán vhodná opatření k zajištění dodržování těchto podmínek.

9.   Požadavky na informace pro udělení přístupu nezávislým provozovatelům k nezabezpečeným oblastem

9.1

Pro přístup k jakýmkoli informacím palubního diagnostického systému vozidla a k informacím o opravách a údržbě vozidla, které se netýkají zabezpečených oblastí vozidla, musí požadavky na registraci nutné k používání internetových stránek výrobce nezávislým provozovatelem vyžadovat pouze takové informace, které jsou nutné k potvrzení způsobu platby za tyto informace.

10.   Požadavky na informace pro udělení přístupu nezávislým provozovatelům k zabezpečeným oblastem

10.1

Pro přístup k jakýmkoli informacím palubního diagnostického systému vozidla a k informacím o opravách a údržbě vozidla, které se týkají zabezpečených oblastí vozidla, musí být nezávislý provozovatel k tomuto účelu schválen a oprávněn na základě dokumentů dokládajících, že provozuje zákonnou podnikatelskou činnost a nebyl odsouzen pro trestný čin související s jeho podnikáním.

10.2

Nezávislým provozovatelům je přístup k bezpečnostním prvkům vozidla, které používají autorizovaní obchodní zástupci a opravny, udělen v rámci technologie ochrany bezpečnosti pro výměnu údajů za účelem zajištění důvěrnosti, celistvosti a ochrany proti kopírování.

10.3

Fórum pro přístup k informacím o vozidle podle článku 60 nařízení (EU) č. 168/2013 stanoví nejmodernější parametry, aby tyto požadavky mohly být splněny.

10.4

U informací týkajících se přístupu k zabezpečeným oblastem vozidla předloží nezávislý provozovatel certifikát v souladu s normou ISO 20828:2006, kterým identifikuje sebe a organizaci, k níž patří. Výrobce odpoví vlastním certifikátem v souladu s normou ISO 20828:2006, kterým nezávislému provozovateli potvrdí, že vstupuje na pravé stránky výrobce. Obě strany si vedou evidenci všech takových transakcí s údaji o vozidlech a o změnách, které u nich byly v souladu s tímto ustanovením provedeny.

10.5

Přístup k bezpečnostním prvkům, které používají autorizovaní obchodní zástupci, je udělen nezávislým provozovatelům v rámci technologie ochrany bezpečnosti v souladu s požadavkem, že privátní klíč nezávislého provozovatele musí být chráněn zabezpečeným hardwarem.

Dodatek 1

Přístup k informacím palubního diagnostického systému vozidla a k informacím o opravách a údržbě vozidla

1.   Úvod

1.1

Tento dodatek stanoví technické požadavky pro přístupnost informací palubního diagnostického systému vozidla a informací o opravách a údržbě vozidla.

2.   Požadavky

2.1

Výrobce poskytne informace o opravách a údržbě vozidla pouze v otevřených textových a grafických formátech nebo formátech, které lze zobrazit a vytisknout pomocí standardních softwarových modulů, které jsou volně k dispozici, jednoduše instalovatelné, shodné s formáty, které mají k dispozici autorizované opravny, a které fungují v běžně používaných počítačových operačních systémech.

2.1.1

Informace palubního diagnostického systému vozidla a informace o opravách a údržbě vozidla dostupné na internetových stránkách musí splňovat společný standard uvedený v čl. 57 odst. 2 nařízení (EU) č. 168/2013.

2.1.2

Klíčová slova v metadatech musí pokud možno odpovídat normě ISO 15031-2:2010. Tyto informace musí být k dispozici kdykoli, s výjimkou případů souvisejících s údržbou internetových stránek.

2.1.3

Osoby žádající o právo informace kopírovat či dále zveřejňovat si tato práva vyjednají přímo s příslušným výrobcem. Přístupné musí být i informace pro účely školení, ty však mohou být prezentovány prostřednictvím jiných médií, než jsou internetové stránky.

2.2

Informace o všech částech vozidla, jimiž je vozidlo, identifikované identifikačním číslem vozidla (VIN) a dalšími kritérii, jako je rozvor náprav, výkon motoru, úroveň nebo možnosti vybavení, výrobcem vozidla vybaveno, a které mohou být nahrazeny náhradními díly, jež výrobce vozidla poskytuje svým autorizovaným opravnám nebo obchodním zástupcům nebo třetím stranám formou odkazu na číslo částí originálního vybavení (OE), lze zpřístupnit v databázi snadno dostupné nezávislým provozovatelům nebo poskytnout ve stejném přístupném formátu, ve kterém jsou poskytovány síti autorizovaných opraven.

2.3

Tato databáze nebo jiný přístupný formát musí obsahovat VIN, čísla částí originálního vybavení (OE), názvy částí podle úzu OE, atributy platnosti (data platnosti od–do), atributy uchycení a případně konstrukční vlastnosti.

2.4

Informace v databázi nebo v jiném přístupném formátu jsou pravidelně aktualizovány. Tyto aktualizace musí zahrnovat zejména všechny úpravy jednotlivých vozidel po jejich výrobě, mají-li autorizovaní obchodní zástupci tuto informaci k dispozici.

2.5

Přeprogramování řídících jednotek pro účely např. kalibrace po opravě nebo nahrání softwaru do náhradní PCU/ECU musí být provedeno v souladu s normou ISO 22900-2 nebo normou SAE J2534 nebo normou TMC RP1210B pomocí neproprietárního hardwaru. Lze použít rovněž rozhraní Ethernet, sériový kabel nebo rozhraní LAN a alternativní média jako kompaktní disk (CD), digitální víceúčelový disk (DVD) nebo paměť typu flash v informačně-zábavních zařízeních (např. v navigačních systémech nebo telefonech), ovšem pod podmínkou, že pro jejich přečtení nesmí být zapotřebí proprietární komunikační software (např. ovladače nebo moduly). Pro ověření kompatibility vlastní aplikace výrobce a komunikačních rozhraní vozidla (VCI) splňujících požadavky normy ISO 22900-2 nebo SAE J2534 nebo TMC RP1210B výrobce buď vydá ověření nezávisle vyvinutých komunikačních rozhraní vozidla, nebo podá informace o jakémkoli zvláštním hardware, který výrobce komunikačních rozhraní vozidel potřebuje k tomu, aby toto ověření mohl provést sám, a nabídne jeho zapůjčení. Na poplatky za toto ověření nebo informace a poskytnutí hardware se vztahují podmínky článku 59 nařízení (EU) č. 168/2013.

2.6

Všechny chybové kódy palubního diagnostického systému musí být vyhovovat požadavkům přílohy XII.

2.7

V případě, že informace palubního diagnostického systému vozidla a informace o opravách a údržbě vozidla dostupné na internetových stránkách výrobce neobsahují konkrétní příslušné informace umožňující správné navržení a výrobu systémů alternativních paliv pro dodatečnou výbavu, musí mít výrobce systémů alternativních paliv pro dodatečnou výbavu možnost získat informace uvedené v čl. 27 odst. 2 písm. a) tak, že se s příslušnou žádostí obrátí přímo na výrobce. Kontaktní údaje pro tento účel musí být jasně uvedeny na internetových stránkách výrobce a informace musí být poskytnuty do 30 dnů. Tyto informace musí být poskytnuty jen v případě systémů alternativních paliv pro dodatečnou výbavu, které podléhají předpisu EHK OSN č. 115, nebo v případě konstrukčních částí systémů alternativních paliv pro dodatečnou výbavu, které podléhají předpisu EHK OSN č. 115, a musí být poskytnuty pouze na základě žádosti, v níž budou jasně uvedeny přesné specifikace modelu vozidla, pro které se informace požadují, a v níž bude jasně uvedeno, že informace jsou požadovány za účelem výroby systémů alternativních paliv pro dodatečnou výbavu nebo jejich konstrukčních částí, které podléhají předpisu EHK OSN č. 115.

2.8

Na internetových stránkách výrobce týkajících se oprav musí být uvedena čísla schválení typu podle modelu.

2.9

Výrobci stanoví rozumné a přiměřené poplatky za hodinový, denní, měsíční nebo roční přístup, případně za transakčně podmíněný přístup ke svým internetovým stránkám týkajícím se oprav a údržby.

Dodatek 2

Seznam přenášených systémů

1.

Tabulka Ap2-1

Seznam přenášených systémů

Č.

Název systému

Údaje

1.

Systémy klimatizace

a)

systémy regulace teploty;

b)

topení nezávislé na motoru;

c)

klimatizace nezávislá na motoru.

2.

Uložení paliva

 

PŘÍLOHA XVI

Požadavky týkající se stojanů

1.   Obecné požadavky

1.1   „Typem vozidla s ohledem na stojany“ se rozumí kategorie vozidel, která se neliší v takových základních ohledech, jako jsou hmotnost vozidla, rozložení hmotnosti mezi nápravami, velikosti pneumatik a rozměry kol a konstrukční vlastnosti a výrobní materiál stojanu vozidla.

1.2   Vozidla kategorie L1e a L3e musí být vybavena alespoň jedním stojanem.

1.2.1

Stojan namontovaný na vozidle musí vozidlu umožnit splnit výkonnostní požadavky podle bodů 2 až 2.5.2 bez toho, aby vozidlo muselo být přidržováno osobou či jiným vnějším způsobem.

1.2.2

Vozidla vybavená zdvojenými koly nemusí být vybavena stojanem za předpokladu, že jsou splněny výkonnostní požadavky podle bodů 3 až 3.2.5 a 3.4 až 3.4.3.4.

1.2.3

Na podpěrné stojany, kterými jsou vybavena vozidla kategorie L1e s hmotností v provozním stavu menší než 35 kg, se nevztahují požadavky podle bodů 2.3.3 až 2.3.4 a 2.5.2.

1.3   Vozidla kategorie L4e musí být vybavena alespoň jedním stojanem za následujících podmínek:

1.3.1

Lze-li postranní vozík oddělit od motocyklu tak, aby bylo možné motocykl používat bez něho, musí motocykl splňovat požadavky na sólo motocykly podle bodů 1.2 až 1.2.2.

2.   Zvláštní požadavky

2.1   Stojan musí být buď podpěrný, nebo středový.

2.2   Otáčí-li se stojan pod spodní částí vozidla nebo okolo ní, musí se jeho volný konec při sklápění do nepracovní polohy otáčet směrem k zadní části vozidla.

2.3   Zvláštní požadavky na podpěrné stojany

2.3.1

Podpěrný stojan musí být schopen vozidlo podpírat tak, aby byla zachována jeho boční stabilita bez ohledu na to, zda se vozidlo nachází na vodorovném povrchu nebo ve svahu. Stojan musí rovněž zabránit hlubšímu naklánění vozidla nebo jeho příliš snadnému uvedení do svislé polohy, ve které by vozidlo mohlo ztratit stabilitu a spadnout nebo se převrhnout.

2.3.2

Podpěrný stojan musí být schopen vozidlo podpírat tak, aby byla zachována jeho plná stabilita, je-li vozidlo zaparkováno ve svahu. Tento požadavek se ověřuje v souladu s postupy a výkonnostními požadavky podle bodů 3 až 3.2.5 a 3.4 až 3.4.3.4.

2.3.3

Podpěrný stojan musí být schopen sklopit se automaticky do nepracovní polohy za následujících podmínek:

vrátí-li se vozidlo do normální svislé jízdní polohy nebo

začne-li se vozidlo v normální svislé poloze pohybovat vpřed v důsledku záměrné činnosti řidiče.

2.3.4

Požadavky podle bodu 2.3.3 neplatí, je-li vozidlo konstruováno tak, že nemůže být poháněno, pokud je podpěrný stojan v pracovní poloze.

2.3.5

Podpěrný stojan musí být navržen a zkonstruován tak, aby se automaticky nesklopil v situaci, kdy je vozidlo nakloněno proto, aby se volný konec podpůrného stojanu dotkl povrchu vozovky.

2.3.6

Podpěrný stojan musí být navržen a zkonstruován tak, aby se automaticky nesklopil v situaci, kdy se úhel naklonění vozidla nečekaně nebo nezáměrně změní (např. strčí-li lehce do vozidla třetí strana nebo je-li vozidlo vystaveno nárazu větru způsobeného projíždějícím velkým vozidlem), a to za následujících podmínek:

je-li vozidlo ponecháno bez dozoru v parkovací poloze a

je-li podpěrný stojan v pracovní poloze.

Splnění tohoto požadavku se ověřuje v souladu s postupem podle bodů 3.3, 3.3.1 a 3.3.2.

2.4   Zvláštní požadavky na středové stojany

2.4.1

Středový stojan musí být schopen vozidlo podpírat tak, aby byla zajištěna jeho boční stabilita, nehledě na to, zda se jeho jedno kolo nebo více kol dotýkají nebo nedotýkají povrchu vozovky a zda se vozidlo nachází na vodorovném povrchu nebo ve svahu.

2.4.2

Středový stojan musí být schopen vozidlo podpírat tak, aby byla zachována jeho plná stabilita, je-li vozidlo zaparkováno ve svahu. Tento požadavek se ověřuje v souladu s postupy a výkonnostními požadavky podle bodů 3 až 3.2.5 a 3.4 až 3.4.3.4.

2.4.3

Středový stojan se musí automaticky sklopit do nepracovní polohy ve chvíli, kdy se vozidlo začne záměrně pohybovat vpřed za účelem zvednutí středového stojanu z povrchu vozovky.

2.4.4

Požadavek podle bodu 2.4.3 neplatí, je-li vozidlo konstruováno tak, že nemůže být poháněno, pokud je středový stojan v pracovní poloze.

2.5   Systémy pro přichycení stojanů

2.5.1

Stojany musí být vybaveny systémem pro jejich přichycení, který je fixuje v nepracovní poloze.

2.5.2

Systém pro přichycení stojanů se musí skládat z následujících částí:

ze dvou nezávislých zařízení, např. ze dvou samostatných pružin nebo z jedné pružiny a jednoho zádržného mechanismu, nebo

z jednoho zařízení, které je schopno bezporuchového provozu po nejméně 10 000 běžných pracovních cyklů, je-li vozidlo vybaveno dvěma stojany; nebo 15 000 běžných pracovních cyklů, je-li vozidlo vybaveno pouze jedním stojanem.

3.   Zkušební postup

3.1   Vlastnosti zkušebního povrchu

3.1.1   K provedení zkoušek se použije zkušební plošina, která je navržena tak, aby ji bylo možné uvést do polohy simulující podélný a příčný sklon.

3.1.2   Zkušební plošina je plochá, obdélníkového tvaru a má takové rozměry, aby pojala vozidlo v parkovací poloze při simulaci podélného a příčného sklonu. Během zkoušek nesmí dojít k jejímu viditelnému prohnutí nebo deformaci.

3.1.3   Povrch zkušební plošiny musí být čistý a suchý a mít dostatečnou hrubost a třecí vlastnosti, aby po něm pneumatiky vozidla během zkoušek neklouzaly.

3.2   Příprava vozidla (platí pro všechny zkoušky)

3.2.1   Hmotnost vozidla se upraví na výrobcem deklarovanou hmotnost v provozním stavu bez řidiče a včetně hmotnosti případných baterií pohonu.

3.2.2   Tlak pneumatik vozidla se upraví na hodnoty udané výrobcem.

3.2.3   Má-li vozidlo automatickou převodovku, zařadí se parkovací poloha, pokud tato poloha existuje, nebo v ostatních případech neutrální poloha.

3.2.4   Je-li vozidlo vybaveno parkovací brzdou, musí být tato brzda v činnosti.

3.2.5   Řízení vozidla se uvede do uzamčené polohy. Existuje-li více poloh, ve kterých lze řízení uzamknout, podrobí se vozidlo následujícím zkouškám s řízením uvedeným do každé z uzamčených poloh.

3.3   Zkouška stability vozidla vybaveného podpěrným stojanem na vodorovném povrchu

3.3.1   Vozidlo s podpěrným stojanem v pracovní poloze je zaparkováno na vodorovné zkušební plošině.

3.3.2   Vozidlem se manipuluje strkáním a posouváním do svislejší polohy tak, aby se úhel mezi vyšinutou podélnou střední rovinou vozidla (tj. jelikož je vozidlo zaparkováno a nakloněno, podélná střední rovina již není svislá, nýbrž vyšinutá) a vodorovným povrchem zvýšil o 3,0°.

3.4   Zkouška stability vozidla zaparkovaného na skloněném povrchu

3.4.1   Vozidlo je zaparkováno na vodorovné zkušební plošině.

3.4.1.1   Stojan vozidla se uvede do pracovní polohy. Je-li vozidlo vybaveno více než jedním stojanem, provedou se všechny předepsané zkoušky pro každý stojan zvlášť.

3.4.1.2   Je-li vozidlo vybaveno zdvojenými koly a není vybaveno stojanem, splnění bodu 1.2.2 lze doložit provedením zkoušek bez přítomnosti stojanu v pracovní poloze.

3.4.2   Zkušební plošina se nadzvedne nebo pootočí tak, aby bylo dosaženo minimální předepsané nakloněné polohy vůči příčnému sklonu směrem k pravé a levé straně vozidla a vůči podélnému sklonu směrem k přední a zadní části vozidla. Naklonění plošiny do těchto čtyř směrů se provede samostatně, vždy z výchozí vodorovné polohy plošiny. Při naklánění plošiny do nakloněné polohy musí vozidlo zůstat stabilní nebo může zaklesnout do stabilní polohy, jakmile plošina dorazí do konečné nakloněné polohy.

Tabulka 14-1

Požadavky na sklon u podpěrných a středových stojanů (viz také obrázky 14-1 až 14-3)

Sklon

Podpěrný stojan

Středový stojan

 

Moped

Motocykl

Moped

Motocykl

Příčný sklon

(doleva)

5 %

6 %

6 %

8 %

Příčný sklon

(doprava)

5 %

6 %

6 %

8 %

Podélný sklon

(s kopce)

5 %

6 %

6 %

8 %

Podélný sklon

(do kopce)

6 %

8 %

12 %

14 %

Obrázek 14-1

Příčný sklon doleva a doprava (podpěrný stojan)

Image

Image

Obrázek 14-2

Příčný sklon doleva a doprava (středový stojan)

Image

Image

Obrázek 14-3

Podélný sklon směrem s kopce

Image

Obrázek 14-4

Podélný sklon směrem do kopce

Image

3.4.3.4   Pokud se vozidlo dotýká nakloněné zkušební plošiny středovým stojanem a pouze jedním kolem a pokud lze toto vozidlo udržet v poloze buď pomocí středového stojanu a předního kola dotýkajícího se zkušební plošiny, anebo pomocí středového stojanu a zadního kola dotýkajícího se zkušební plošiny, provedou se zkoušky popsané v bodech 3.4.2 až 3.4.3.3 pouze u vozidla dotýkajícího se zkušební plošiny středovým stojanem a zadním kolem.

PŘÍLOHA XVII

Výkonnostní normy a posuzování technických zkušeben

1.   Obecné požadavky

1.1   Technické zkušebny prokáží odpovídající schopnosti, zvláštní technické znalosti a prověřené zkušenosti v konkrétních kategoriích činnosti podle kapitoly XVI nařízení (EU) č. 168/2013 a dodatků 1 a 2 přílohy V směrnice 2007/46/ES.

1.2   Normy, které musí splňovat technické zkušebny různých kategorií uvedených v článku 63 nařízení (EU) č. 168/2013

1.2.1

Různé kategorie technických zkušeben musí splňovat normy uvedené v dodatku 1 přílohy V směrnice 2007/46/ES.

1.2.2

Odkaz na článek 41 směrnice 2007/46/ES v tomto dodatku se považuje za odkaz na článek 63 nařízení (EU) č. 168/2013.

1.2.3

Odkaz na přílohu IV směrnice 2007/46/ES v tomto dodatku se považuje za odkaz na přílohu II nařízení (EU) č. 168/2013.

1.3   Postup pro posouzení technických zkušeben

1.3.1

Technické zkušebny jsou posuzovány v souladu s postupy uvedenými v dodatku 2 přílohy V směrnice 2007/46/ES.

1.3.2

Odkazy na článek 42 směrnice 2007/46/ES v dodatku 1 přílohy V směrnice 2007/46/ES se považují za odkazy na článek 66 nařízení (EU) č. 168/2013.


© Evropská unie, https://eur-lex.europa.eu/ , 1998-2022
Zavřít
MENU